GM Service Manual Online
For 1990-2009 cars only
Makes
🢒
Cadillac
🢒
2005
🢒
XLR
🢒 Stability Control Sensors
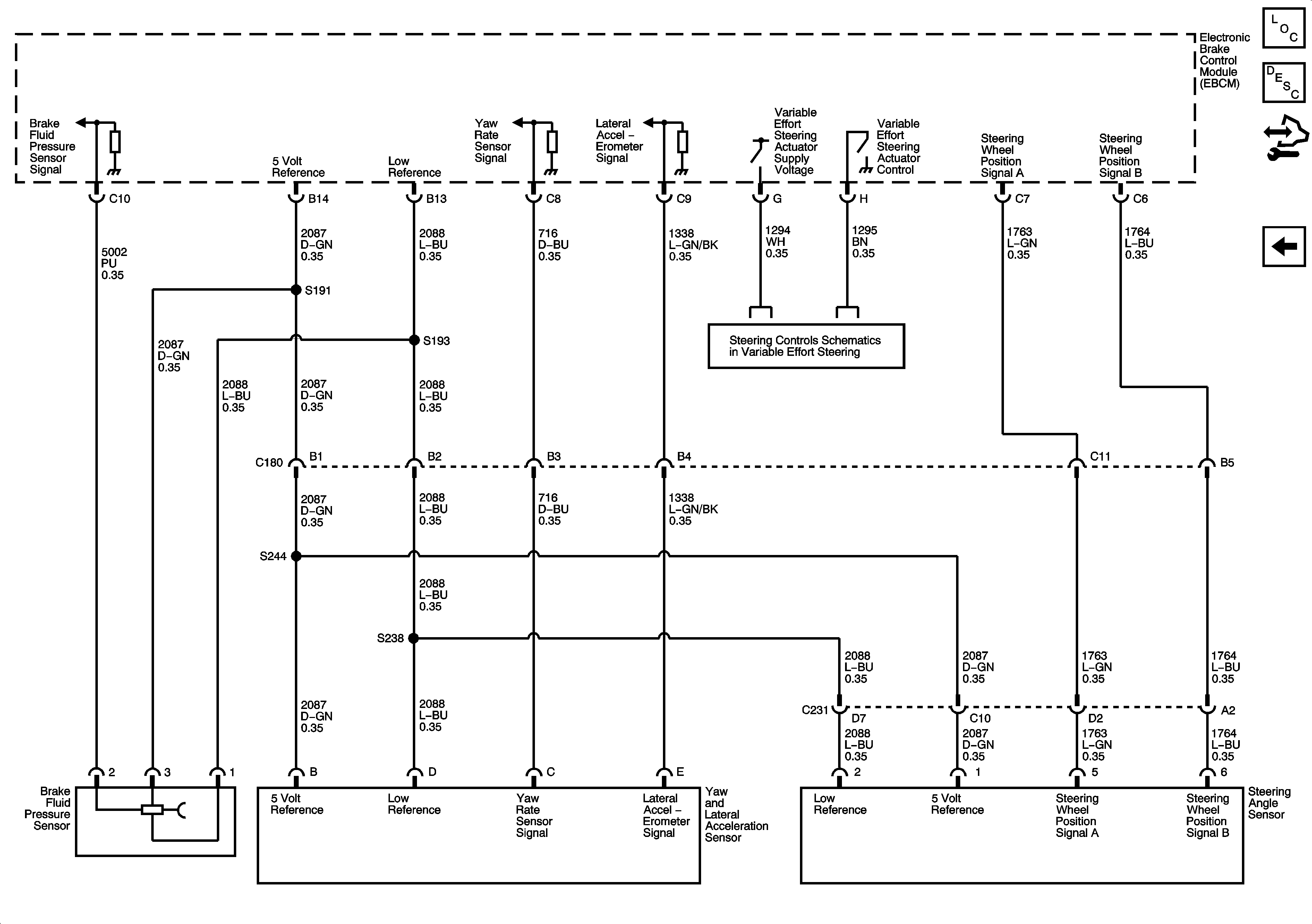
Stability Control Sensors
Stability Control Sensors
Master Electrical Component List
ABS Description and Operation
Control Module References
Brake Pedal Signal and Traction Control Switch
Steering Controls
Antilock Brake System Schematic Icons