GM Service Manual Online
For 1990-2009 cars only
Makes
🢒
Cadillac
🢒
2005
🢒
XLR
🢒 Horns
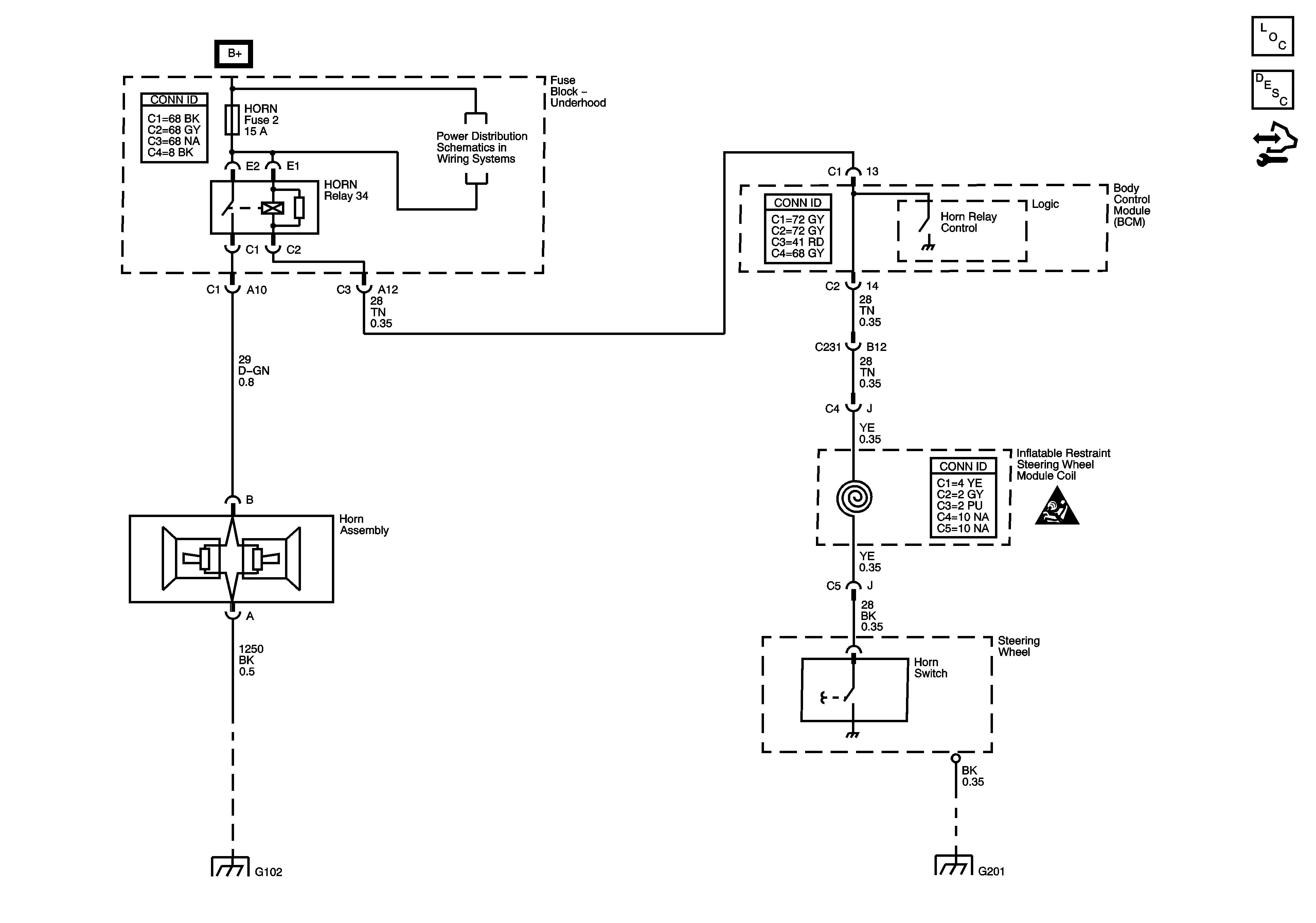
Horns
Master Electrical Component List
Horns System Description and Operation
Control Module References
Fuse Block - Underhood Bussing
SIR Caution for Zoning
G102
G201