GM Service Manual Online
For 1990-2009 cars only
Makes
🢒
Cadillac
🢒
2005
🢒
XLR
🢒 Motors
Motors
Motors
Master Electrical Component List
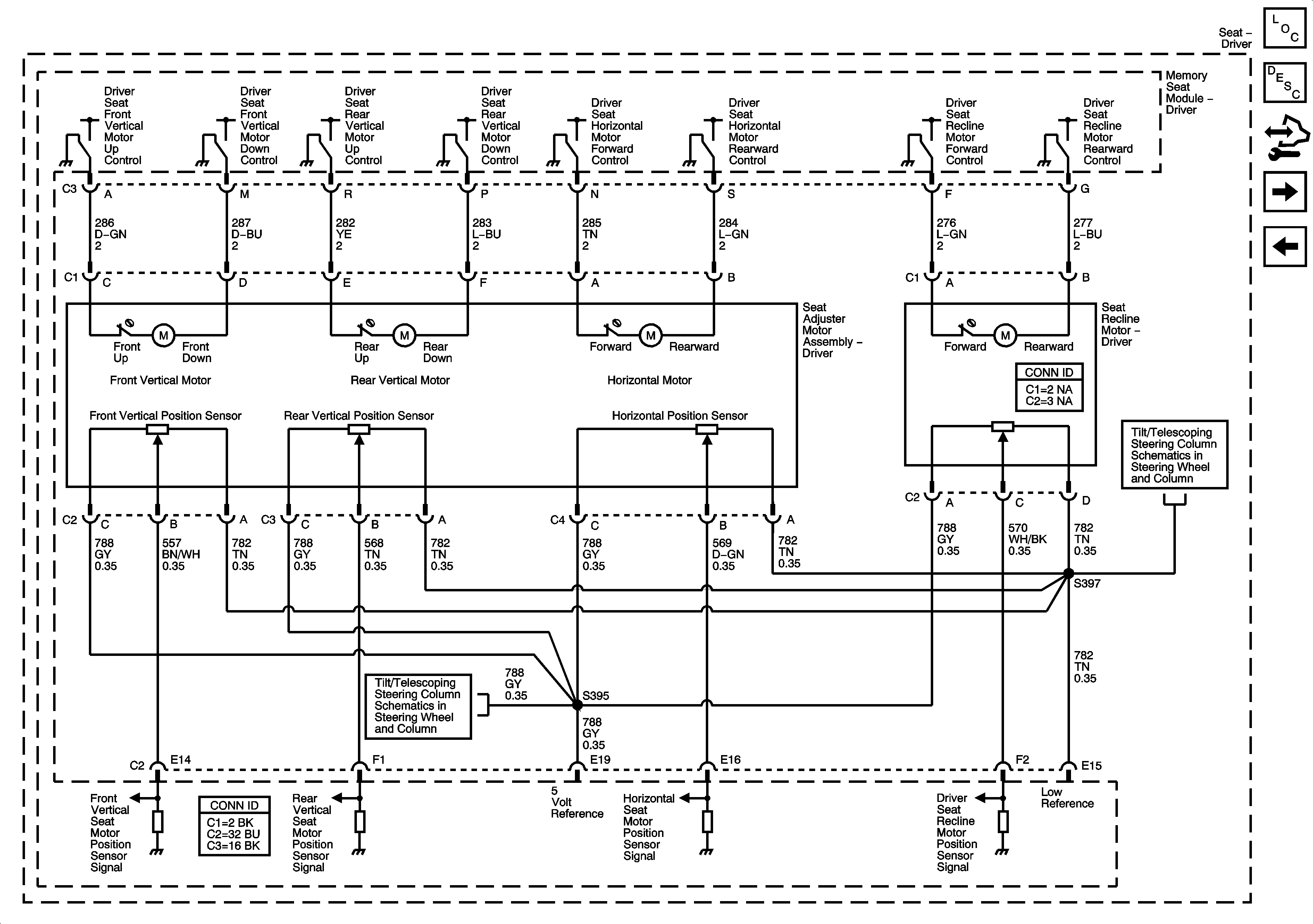
Power Seats System Description and Operation
Control Module References
Lumbar Support
DLC, Ground, Power, Switches and References to Tilt/Telescope Steering
Tilt/Telescoping Steering Column
Tilt/Telescoping Steering Column