GM Service Manual Online
For 1990-2009 cars only
Makes
🢒
Cadillac
🢒
2005
🢒
XLR
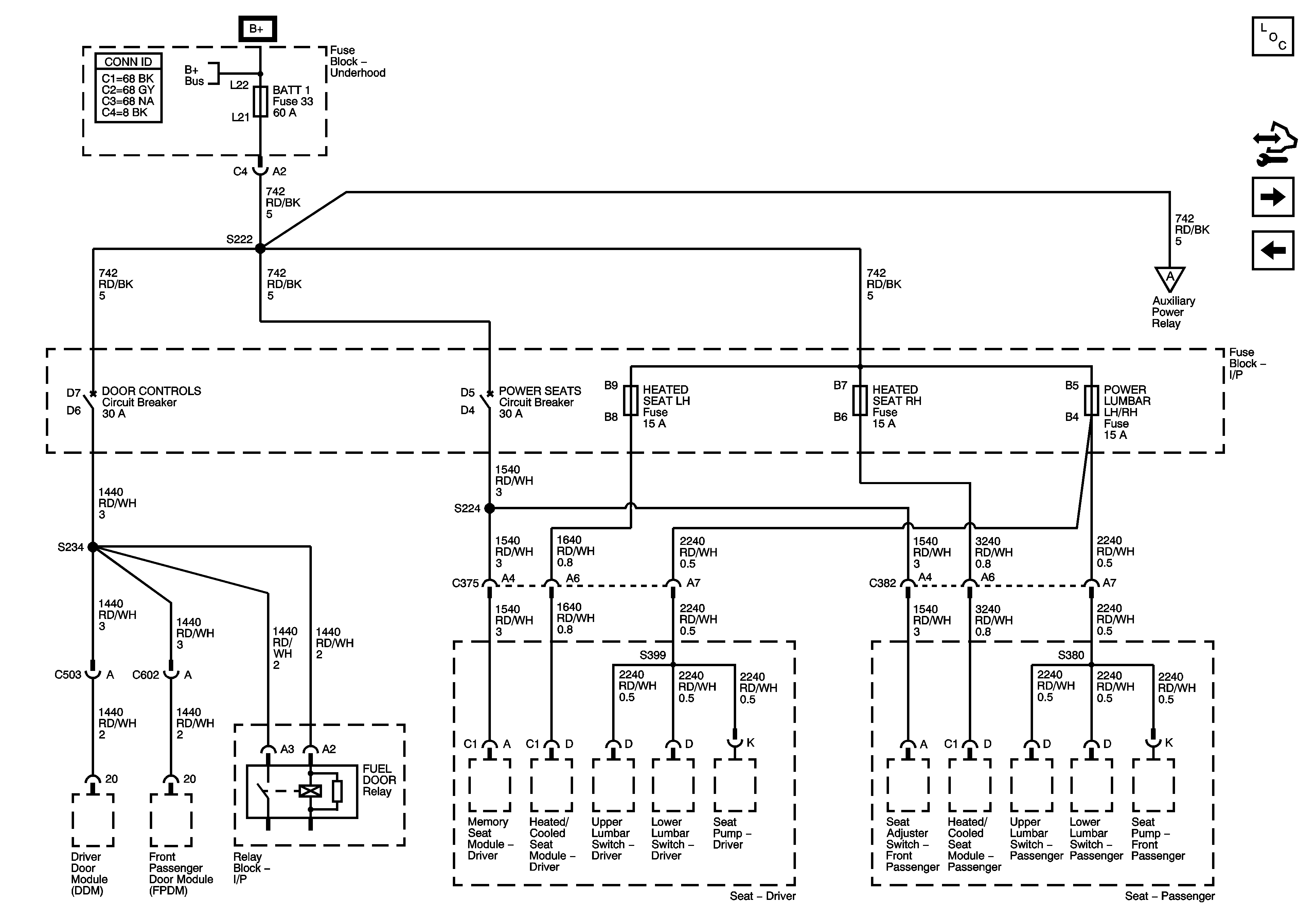
🢒 Fuse Block Underhood Fuses - BATT1, Fuse Block I/P Fuses - HEATED SEAT LH, HEATED SEAT RH, POWER LUMBAR LH/RH, Fuse Block I/P Circuit Breakers - Door Controls and Power Seats
Fuse Block Underhood Fuses - BATT1, Fuse Block I/P Fuses - HEATED SEAT LH, HEATED SEAT RH, POWER LUMBAR LH/RH, Fuse Block I/P Circuit Breakers - Door Controls and Power Seats
Fuse Block - Underhood Fuse: BATT1, Fuse Block - I/P Fuses; HEATED SEAT LH, HEATED SEAT RH, POWER LUMBAR LH/RH, Fuse Block - I/P Circuit Breakers; DOOR CONTROLS, and POWER SEATS
Master Electrical Component List
Control Module References
Fuse Block Underhood Fuse - BATT1, Fuse Block I/P Fuses - AUXILIARY POWER, CIGAR LIGHTER, COLUMN LOCK MODL, FLDG TOP/TRUNK LATCH
Fuse Block Underhood Fuses - ABS, AMP, BATT2, COOL FAN, ECM/TCM/ HORN, HVAC and MRRTD
Fuse Block Underhood Fuse - BATT1, Fuse Block I/P Fuses - AUXILIARY POWER, CIGAR LIGHTER, COLUMN LOCK MODL, FLDG TOP/TRUNK LATCH
Fuse Block - Underhood Bussing