GM Service Manual Online
For 1990-2009 cars only
Makes
🢒
Cadillac
🢒
2005
🢒
XLR
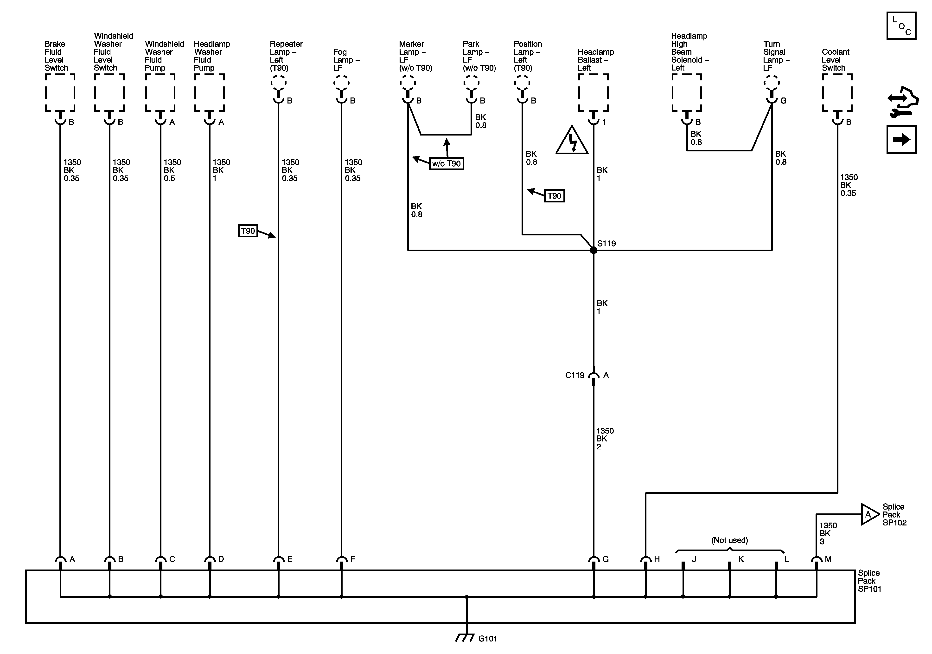
🢒 G101
G101
G101
Master Electrical Component List
Control Module References
G102
Power and Grounding Schematic Icons
G102