GM Service Manual Online
For 1990-2009 cars only
Makes
🢒
Cadillac
🢒
2005
🢒
XLR
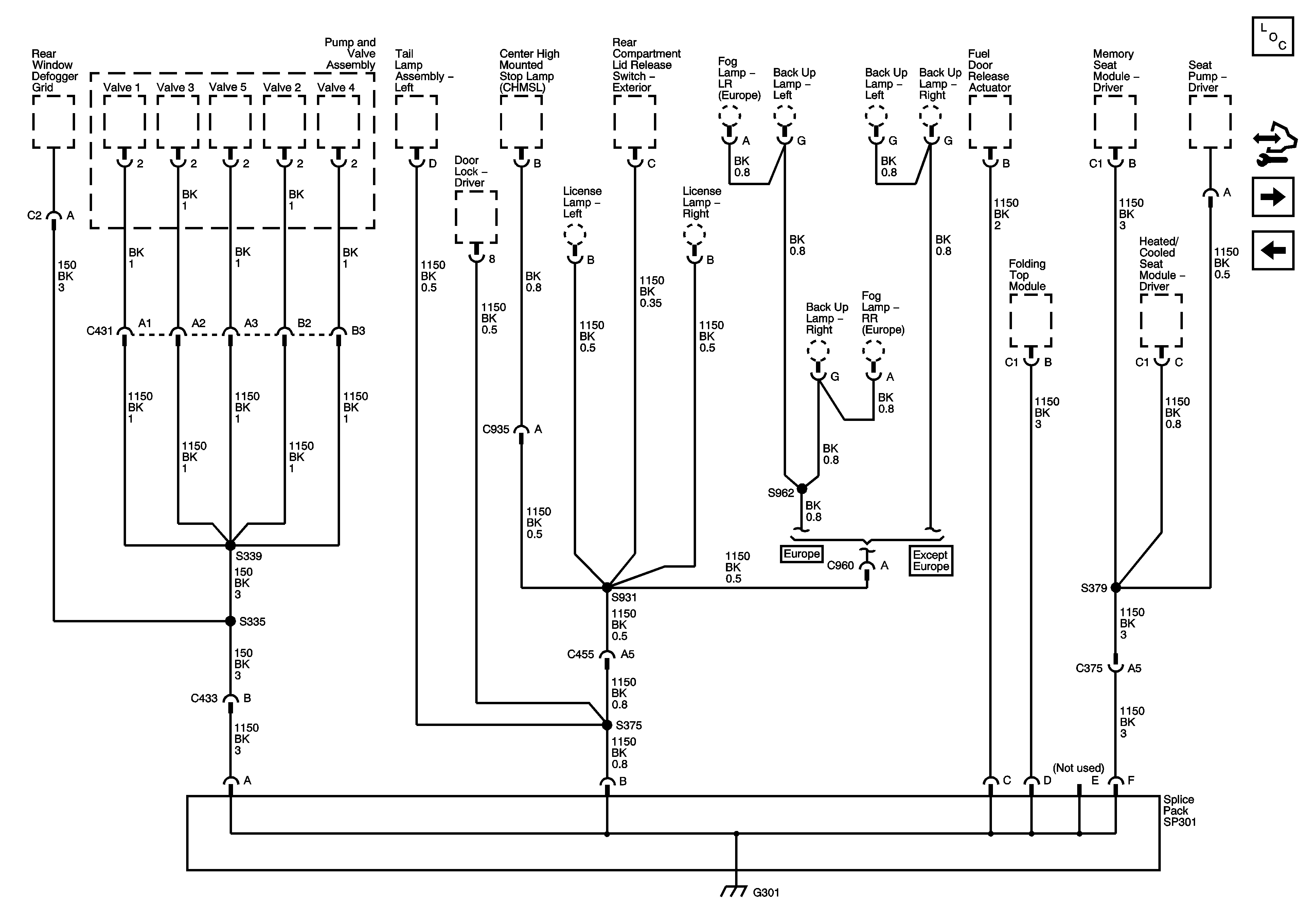
🢒 G301
G301
G301
Master Electrical Component List
Control Module References
G302, G401 and G402
G202 - 2 of 2