GM Service Manual Online
For 1990-2009 cars only
Makes
🢒
Cadillac
🢒
2005
🢒
XLR
🢒 GMLAN
GMLAN
GMLAN
Master Electrical Component List
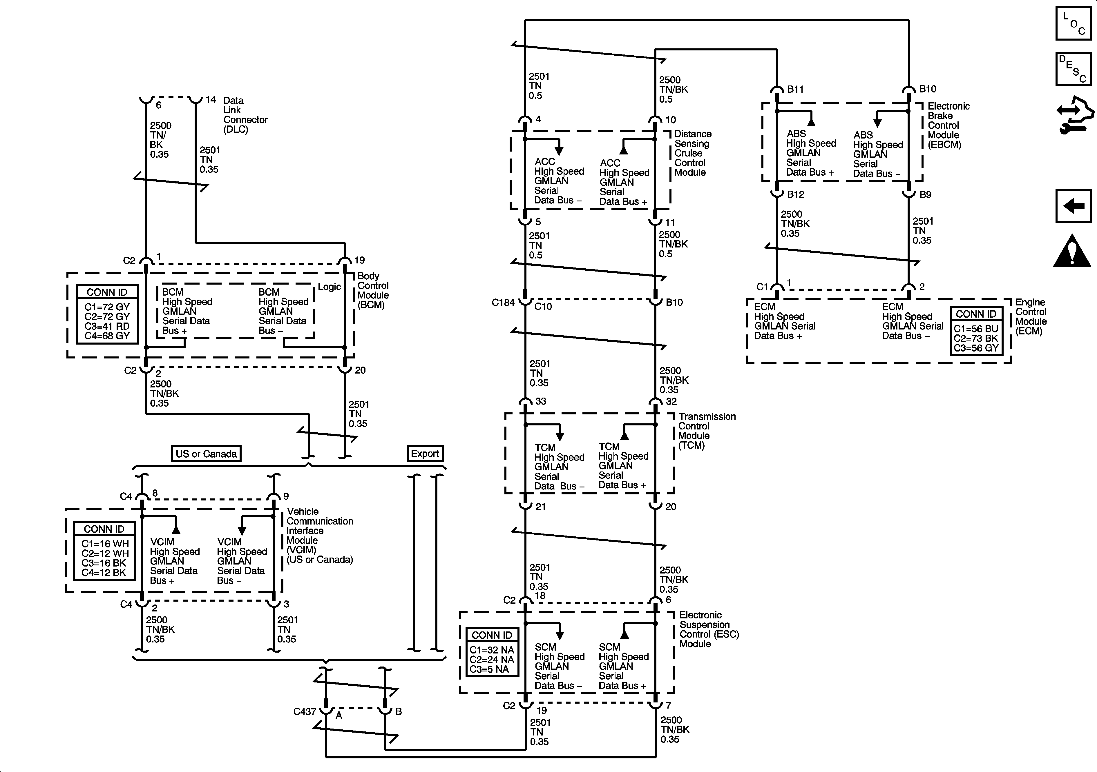
Data Link Communications Description and Operation
Control Module References
DLC - Class 2
Computer/Integrating Systems Schematic Icons