GM Service Manual Online
For 1990-2009 cars only
Makes
🢒
Cadillac
🢒
2006
🢒
XLR
🢒
Vehicle Control Systems
🢒
Computer/Integrating Systems
🢒 Data Link Connector Schematics
Figure
1:
Class 2
Master Electrical Component List
Data Link Communications Description and Operation
Control Module References
GM LAN
Computer/Integrating Systems Schematic Icons
G104 and G106
G201
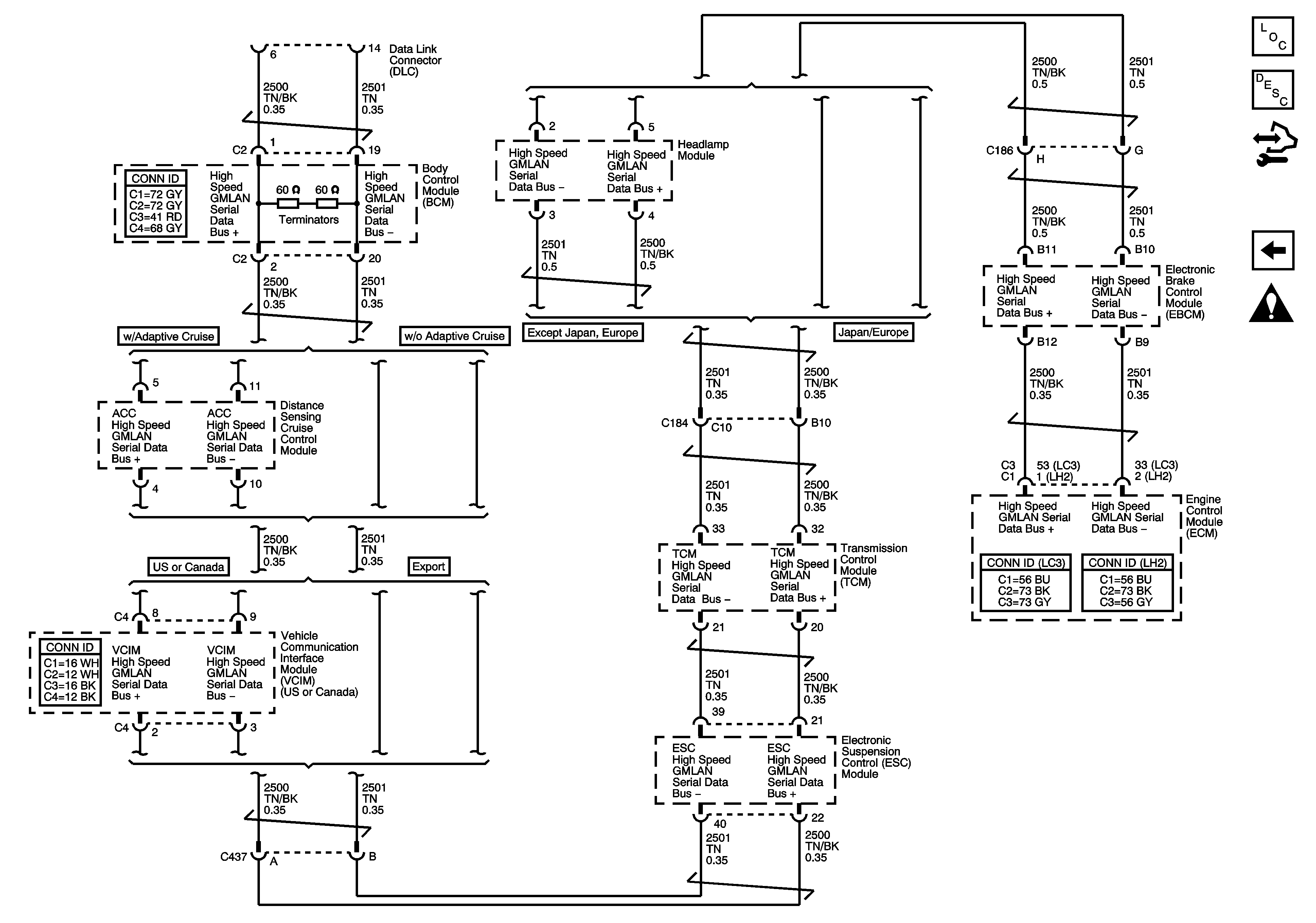
Figure
2:
GMLAN
Master Electrical Component List
Data Link Communications Description and Operation
Control Module References
Class 2
Computer/Integrating Systems Schematic Icons