GM Service Manual Online
For 1990-2009 cars only
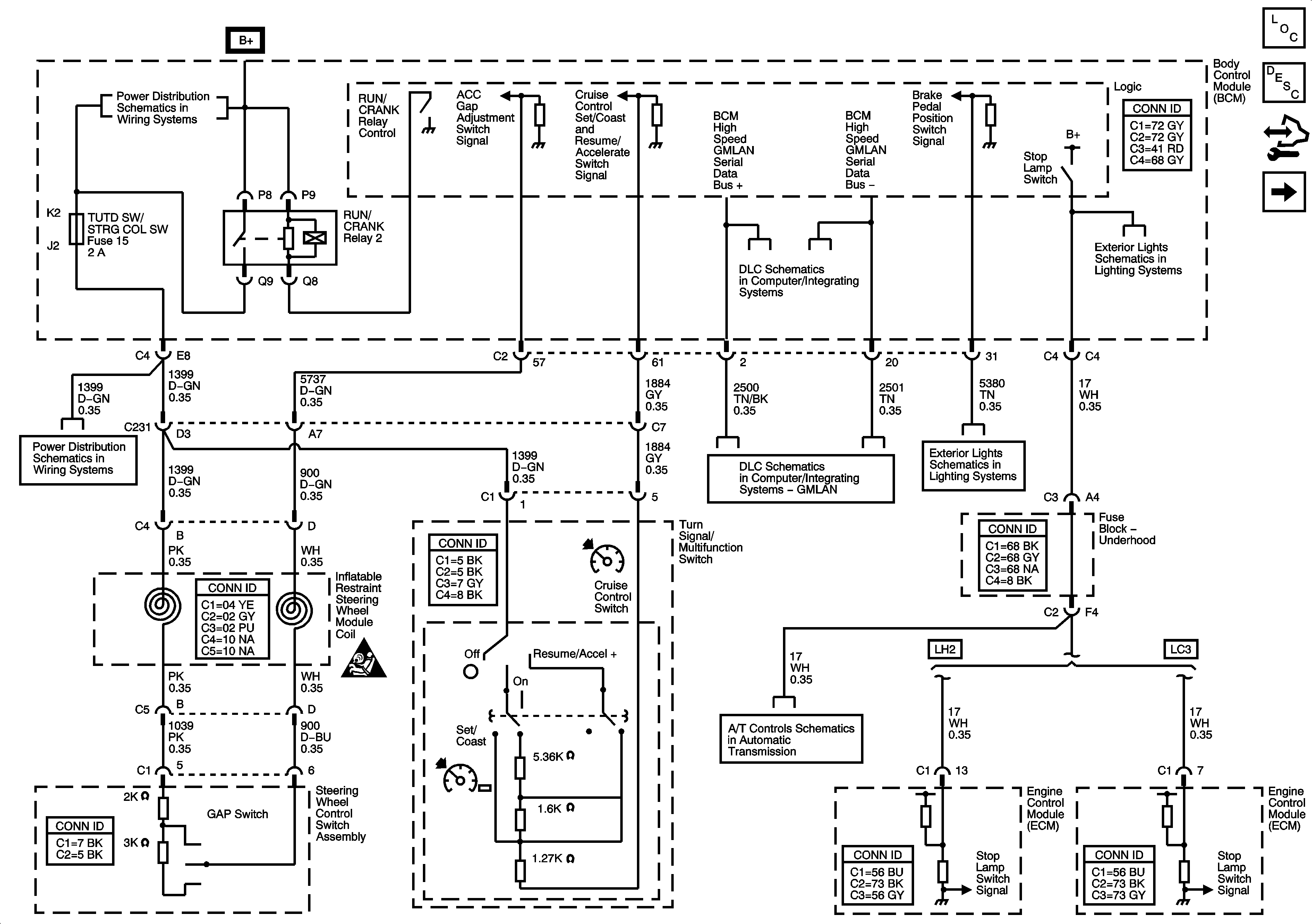
Figure 1:

Driver Controls


Object Number: 1658959  Size: FS
Master Electrical Component List
Cruise Control Description and Operation (Conventional Cruise)
Control Module References
Computer Controls and Indicators
BCM Fuses: AC LATCH/PK BRK B, CLUSTER, DOOR LOCKS, HVAC/PWR SND, INTERIOR LIGHTS, ISRVM/HVAC, and TUTD SW/STRG COL SW
GM LAN
Stop Lamps
BCM Fuses: AC LATCH/PK BRK B, CLUSTER, DOOR LOCKS, HVAC/PWR SND, INTERIOR LIGHTS, ISRVM/HVAC, and TUTD SW/STRG COL SW
Cruise Control Schematic Icons
GM LAN
Shift Lever
Stop Lamps
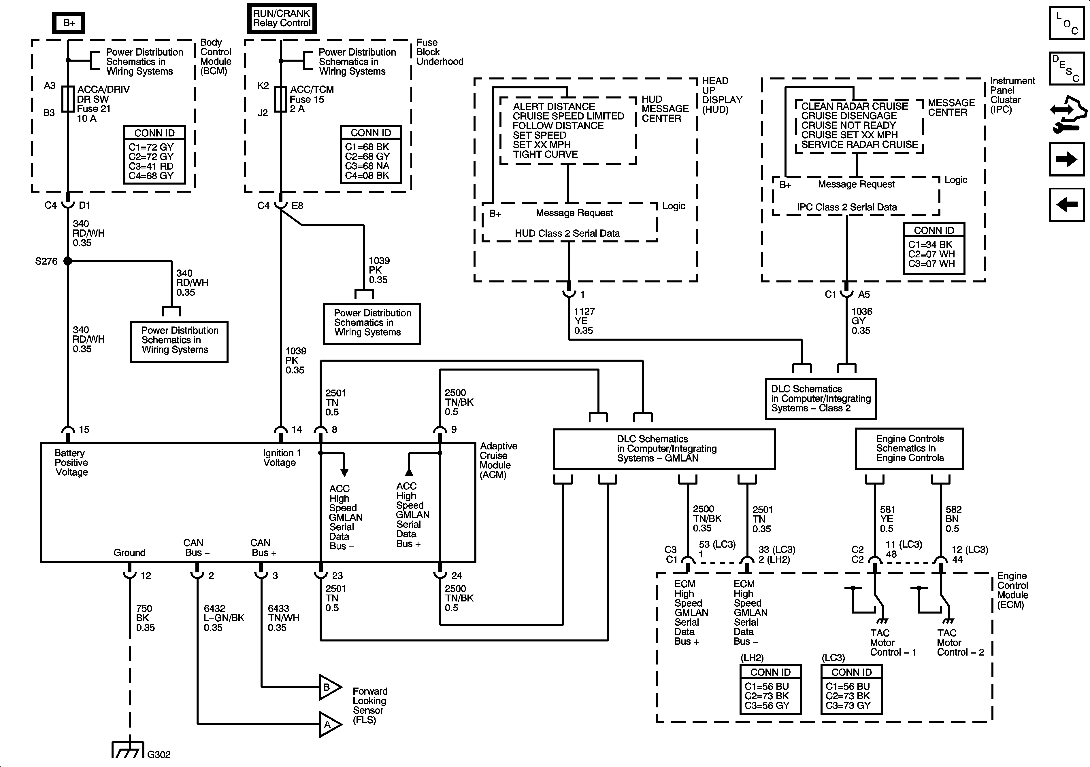
Figure 2:

Computer Controls and Indicators


Object Number: 1675001  Size: FS
Master Electrical Component List
Cruise Control Description and Operation (Adaptive Cruise)
Control Module References
Forward Looking Sensor
Driver Controls
Fuse Block Underhood Fuses - BATT5, BCM Fuses - ACCA/DRIV DRSW, IGNITION SW/INTR SENS, ONSTAR, PARK BRAKE SOL A, TILT/TELE SW/MEM SEAT MOD
BCM Fuses: AC LATCH/PK BRK B, CLUSTER, DOOR LOCKS, HVAC/PWR SND, INTERIOR LIGHTS, ISRVM/HVAC, and TUTD SW/STRG COL SW
Fuse Block Underhood Fuses - BATT5, BCM Fuses - ACCA/DRIV DRSW, IGNITION SW/INTR SENS, ONSTAR, PARK BRAKE SOL A, TILT/TELE SW/MEM SEAT MOD
BCM Fuses: AC LATCH/PK BRK B, CLUSTER, DOOR LOCKS, HVAC/PWR SND, INTERIOR LIGHTS, ISRVM/HVAC, and TUTD SW/STRG COL SW
GM LAN
Class 2
Engine Data Sensors - Electronic Throttle Controls
G302, G401, and G402
Forward Looking Sensor
Forward Looking Sensor
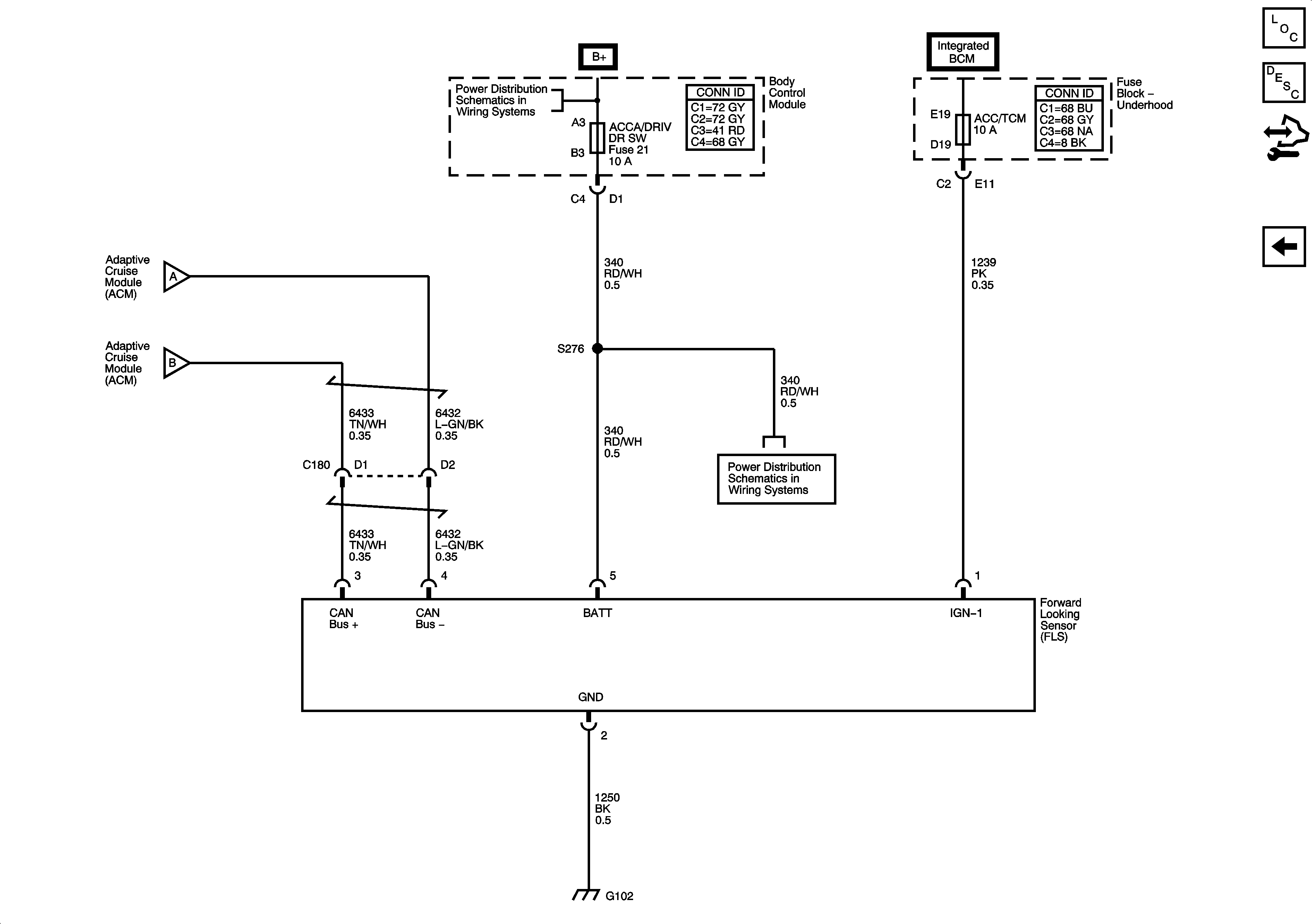
Figure 3:

Forward Looking Sensor (FLS)


Object Number: 1674999  Size: FS
Master Electrical Component List
Cruise Control Description and Operation
Control Module References
Computer Controls and Indicators
Fuse Block Underhood Fuses - BATT5, BCM Fuses - ACCA/DRIV DRSW, IGNITION SW/INTR SENS, ONSTAR, PARK BRAKE SOL A, TILT/TELE SW/MEM SEAT MOD
Computer Controls and Indicators
Computer Controls and Indicators
Fuse Block Underhood Fuses - BATT5, BCM Fuses - ACCA/DRIV DRSW, IGNITION SW/INTR SENS, ONSTAR, PARK BRAKE SOL A, TILT/TELE SW/MEM SEAT MOD
G102