GM Service Manual Online
For 1990-2009 cars only
Makes
🢒
Cadillac
🢒
2006
🢒
XLR
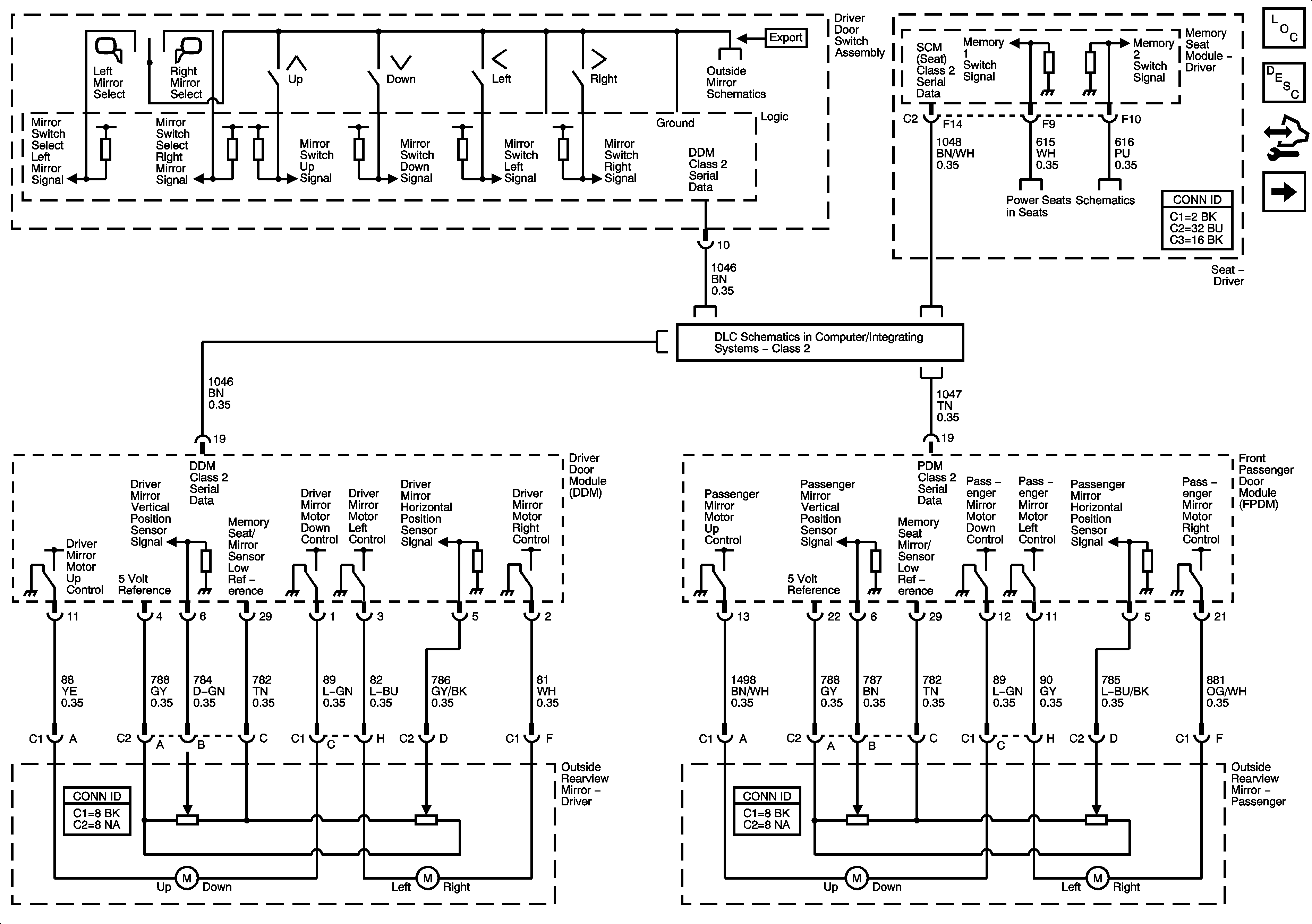
🢒 Memory Power Mirrors
Memory Power Mirrors
Memory Power Mirrors
Master Electrical Component List
Outside Mirror Description and Operation
Control Module References
Dimming Mirror, Heated Mirrors
Power Folding Mirrors - Export
DLC, Ground, Power, Switches and References to Tilt/Telescoping Steering
Class 2