GM Service Manual Online
For 1990-2009 cars only
Makes
🢒
Cadillac
🢒
2006
🢒
XLR
🢒 Headlamps
Headlamps
Headlamps
Master Electrical Component List
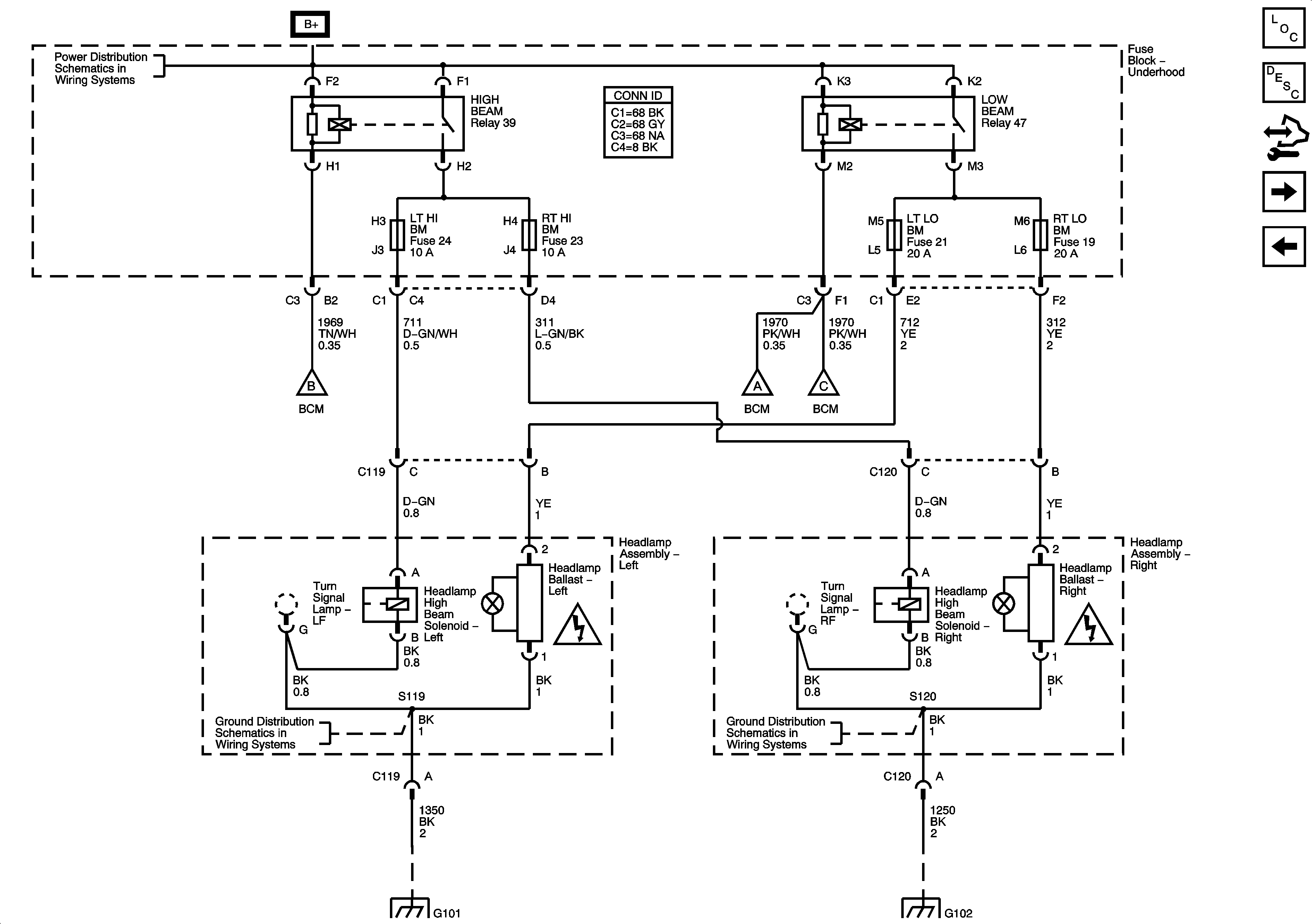
Exterior Lighting Systems Description and Operation
Control Module References
Headlamp/DRL Controls
Fuse Block Underhood Fuses: LT HI BM, LT LO BM, RT HI BM, RT LO BM, Fuse Block I/P Fuses: RUN/ACCESSORY POWER, STEER WHEEL DIMMING and WIPER DWELL
Headlamp/DRL Controls
Headlamp/DRL Controls
Headlamp/DRL Controls
G101
G101
G102
G102