GM Service Manual Online
For 1990-2009 cars only
Makes
🢒
Cadillac
🢒
2006
🢒
XLR
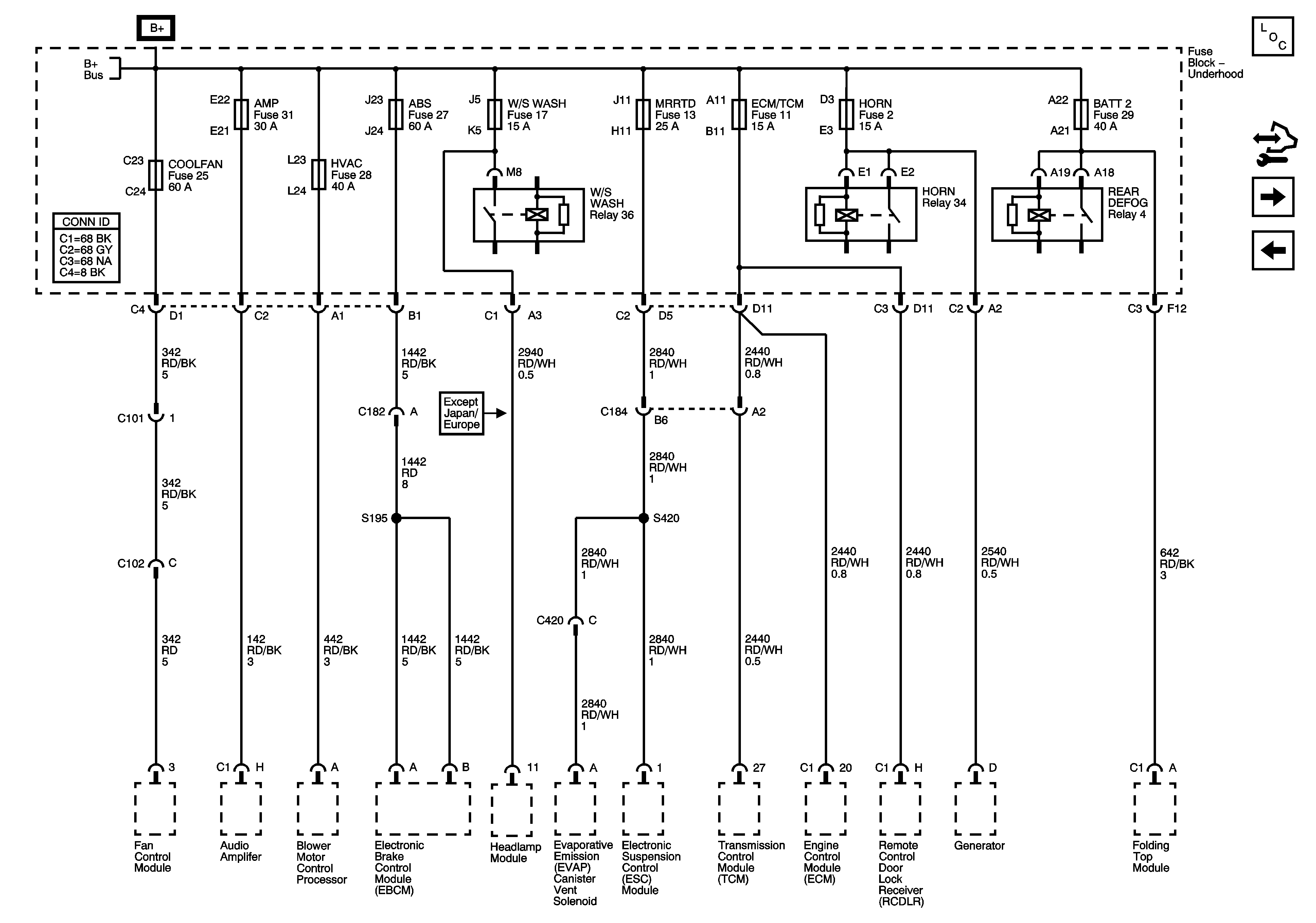
🢒 Fuse Block Underhood Fuses: ABS, AMP, BATT2, COOLFAN, ECM/TCM, HORN, HVAC, MRRTD, W/S WASH
Fuse Block Underhood Fuses: ABS, AMP, BATT2, COOLFAN, ECM/TCM, HORN, HVAC, MRRTD, W/S WASH
Fuse Block - Underhood Fuses: ABS, AMP, BATT2, COOLFAN, ECM/TCM, HORN, HVAC, W/S Wash, and MRRTD
Master Electrical Component List
Control Module References
Fuse Block Underhood Fuses - BATT1, Fuse Block I/P Fuses - HEATED SEAT LH, HEATED SEAT RH, POWER LUMBAR LH/RH, Fuse Block I/P Circuit Breakers - Door Controls and Power Seats
Fuse Block - Underhood Bussing
Fuse Block - Underhood Bussing