GM Service Manual Online
For 1990-2009 cars only

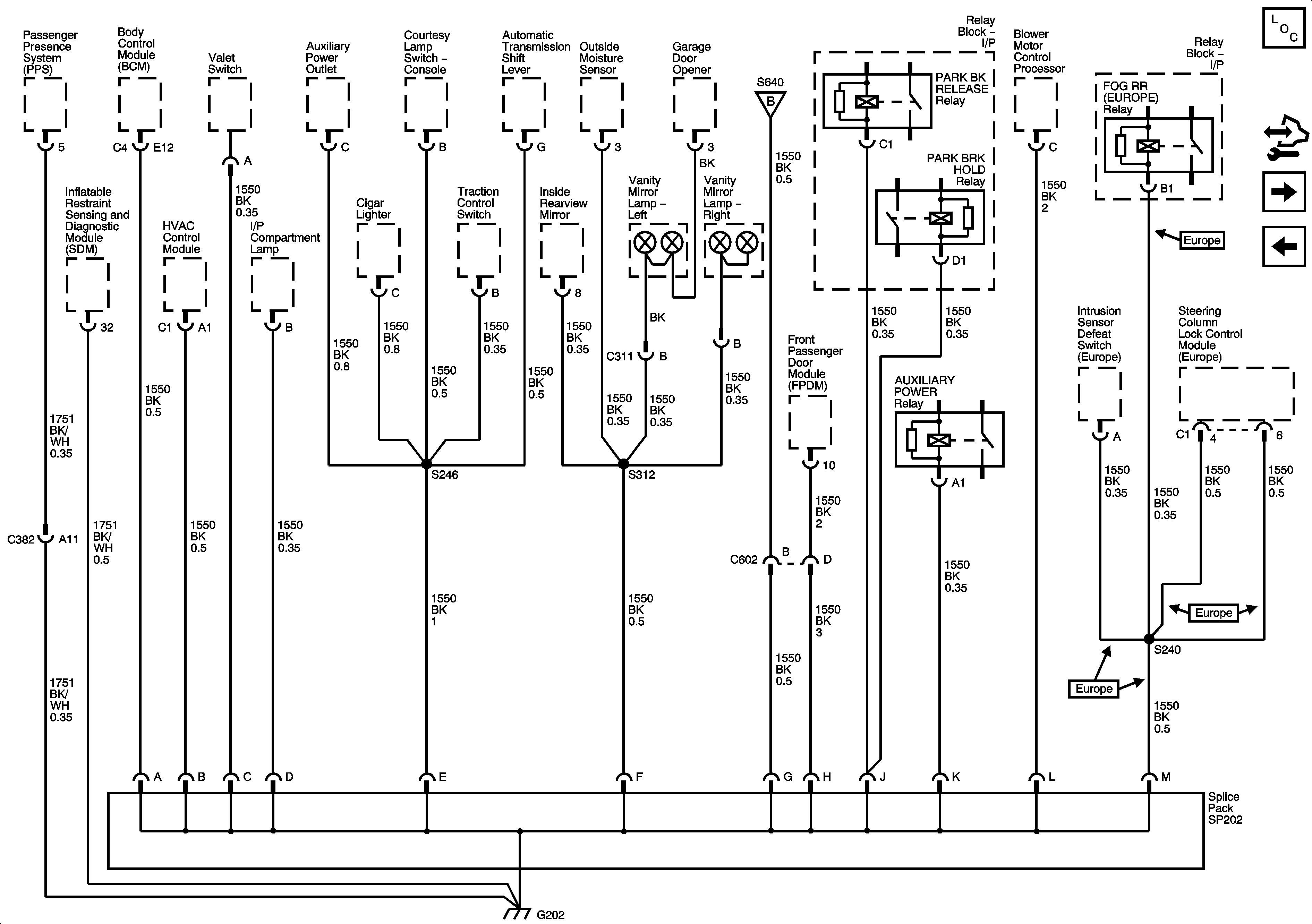
G202 - 1 of 2

G202 1 of 2


Object Number: 1669982  Size: FS
Master Electrical Component List
Control Module References
G202 - 2 of 2
G201
G202 - 2 of 2