GM Service Manual Online
For 1990-2009 cars only
Figure 1:

Power, Ground, DLC, Indicators, Sensors, and References


Object Number: 1755911  Size: FS
Master Electrical Component List
SIR System Description and Operation
Control Module References
Deployment Loops
SIR Schematic Icons
SIR Schematic Icons
CLUSTER, A.C. LATCH/PK BRK B, DOOR LOCKS, INTERIOR LIGHTS, HVAC/PWR SND, ISRVM/HVAC, TUTD SW/STRG COL SW FUSES, and RUN/CRANK Relay 2
RPA/H/C SEAT, GMLAN DEVICES, ECM, SDM/PSIR SW, ACC/TCM, and ABS/MRRTD Fuses
Passenger Presence System
Seat Belt Schematics
Passenger Presence System
Seat Belt Schematics
Class 2
G202
Figure 2:

Deployment Loops


Object Number: 1755915  Size: FS
Master Electrical Component List
SIR System Description and Operation
Control Module References
Passenger Presence System
Power, Ground, DLC, Indicators, Sensors, and References
SIR Schematic Icons
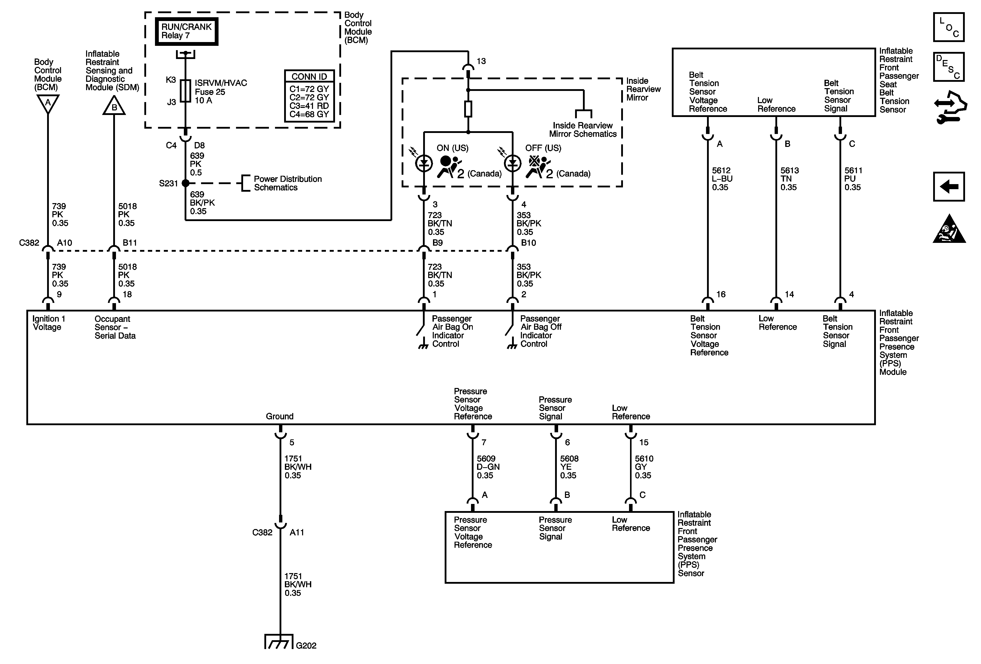
Figure 3:

Passenger Presence System


Object Number: 1755917  Size: FS
Master Electrical Component List
SIR System Description and Operation
Control Module References
Deployment Loops
SIR Schematic Icons
Power, Ground, DLC, Indicators, Sensors, and References
Power, Ground, DLC, Indicators, Sensors, and References
CLUSTER, A.C. LATCH/PK BRK B, DOOR LOCKS, INTERIOR LIGHTS, HVAC/PWR SND, ISRVM/HVAC, TUTD SW/STRG COL SW FUSES, and RUN/CRANK Relay 2
CLUSTER, A.C. LATCH/PK BRK B, DOOR LOCKS, INTERIOR LIGHTS, HVAC/PWR SND, ISRVM/HVAC, TUTD SW/STRG COL SW FUSES, and RUN/CRANK Relay 2
CLUSTER, A.C. LATCH/PK BRK B, DOOR LOCKS, INTERIOR LIGHTS, HVAC/PWR SND, ISRVM/HVAC, TUTD SW/STRG COL SW FUSES, and RUN/CRANK Relay 2
Inside Rearview Mirror Schematics
G202