GM Service Manual Online
For 1990-2009 cars only
Figure 1:

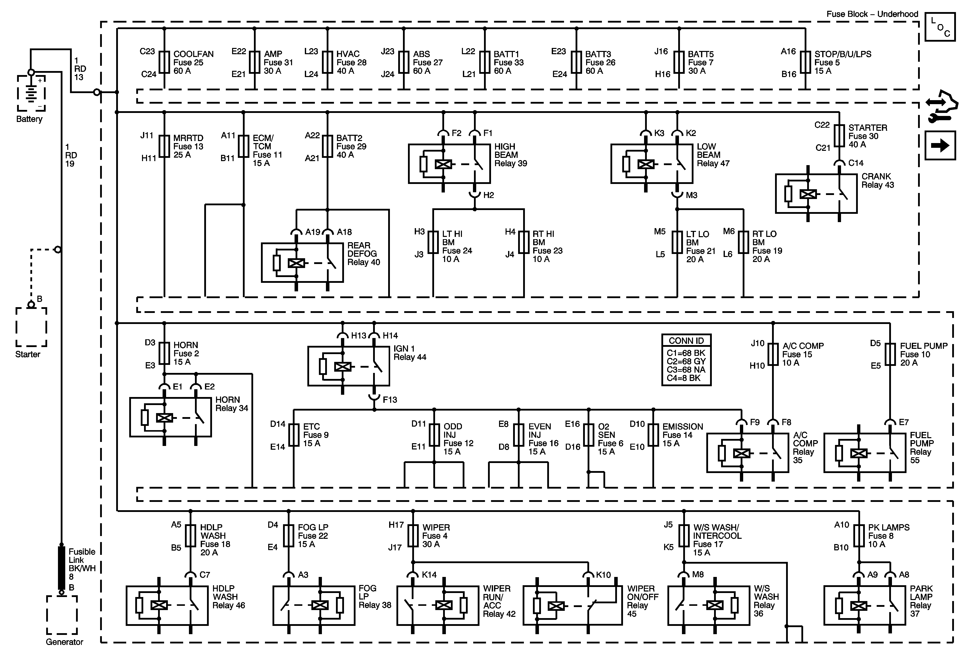
Fuse Block - Underhood Bussing


Object Number: 1752468  Size: FS
Master Electrical Component List
Control Module References
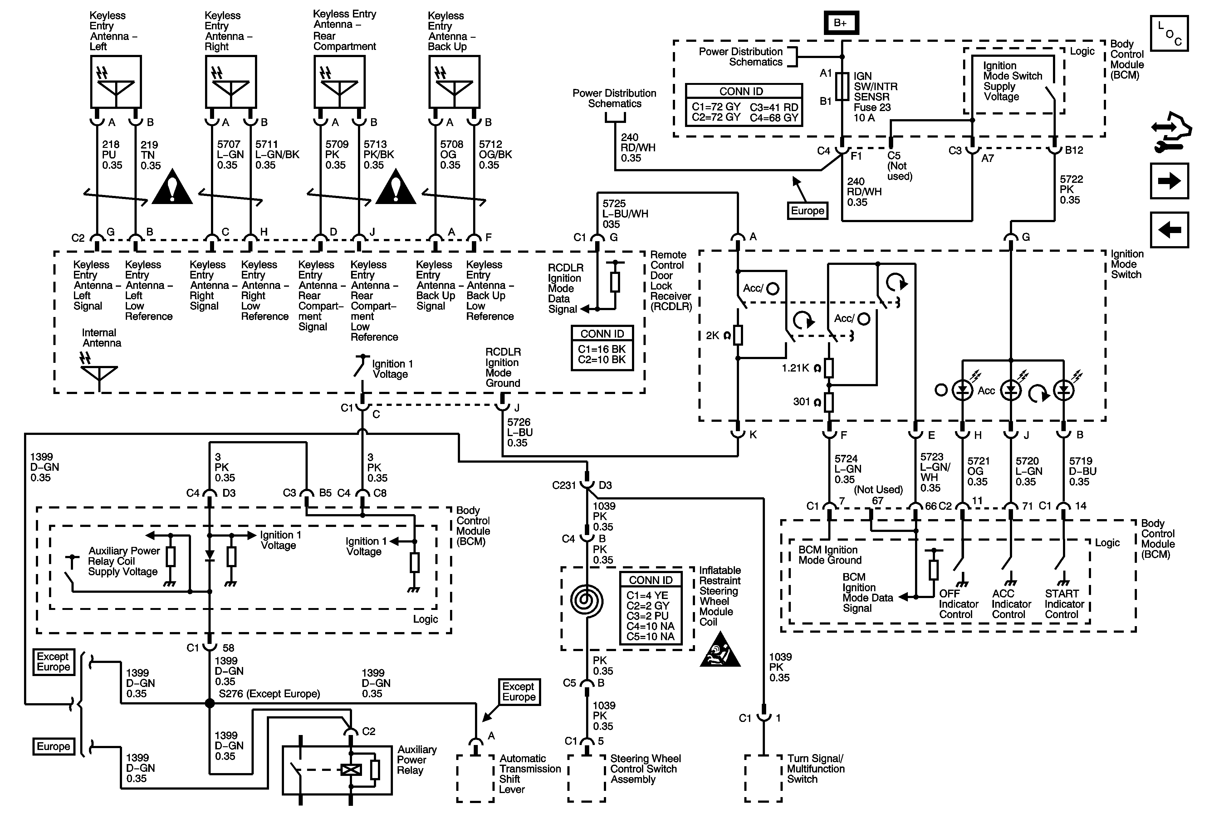
Ignition Mode Switch
Figure 2:

Ignition Mode Switch


Object Number: 1752470  Size: FS
Master Electrical Component List
Control Module References
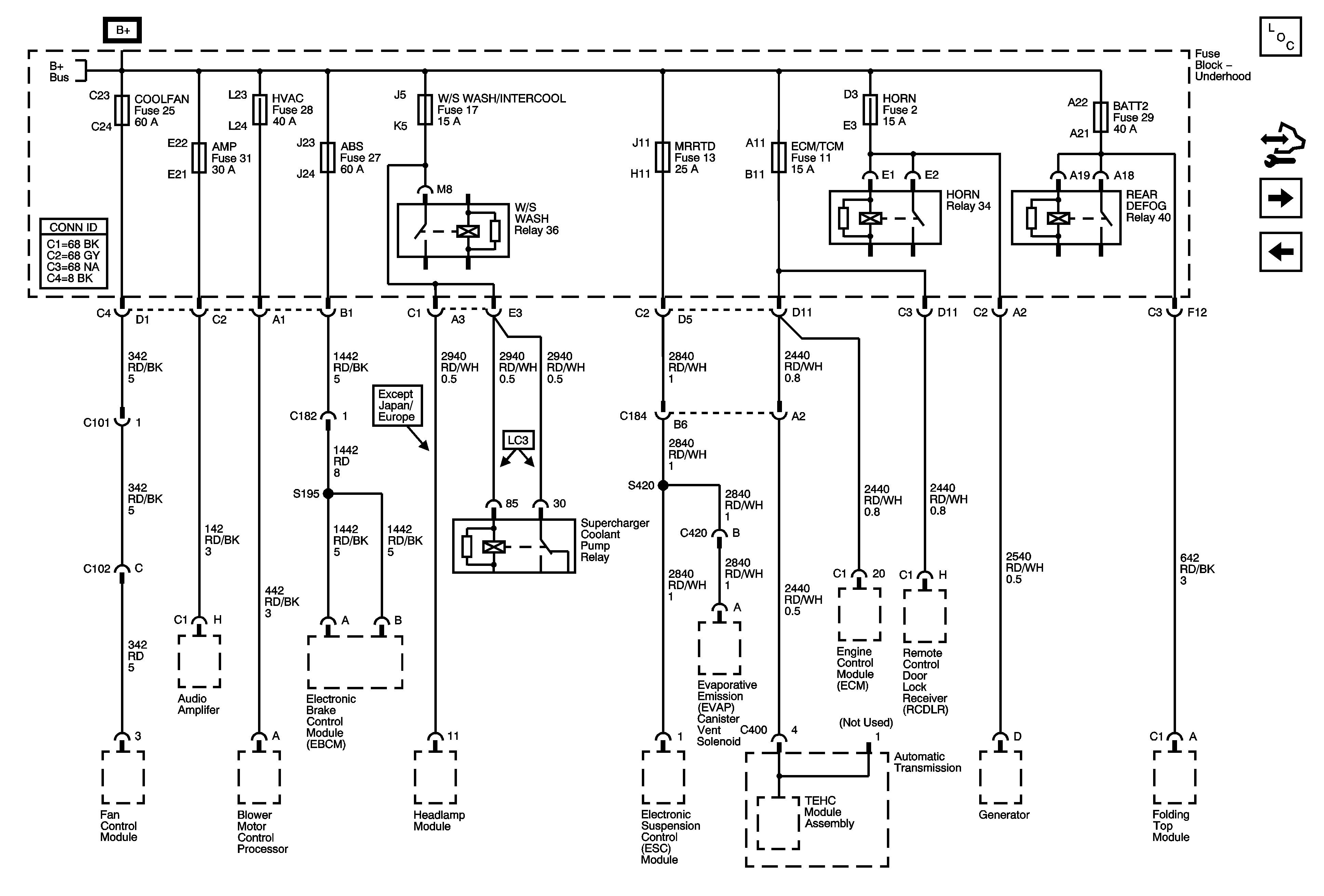
COOLFAN, AMP, HVAC, ABS, MRRTD, ECM/TCM, HORN, BATT 2 Fuses, and HORN, REAR DEFOG Relays
Fuse Block - Underhood Bussing
Power and Grounding Schematic Icons
Power and Grounding Schematic Icons
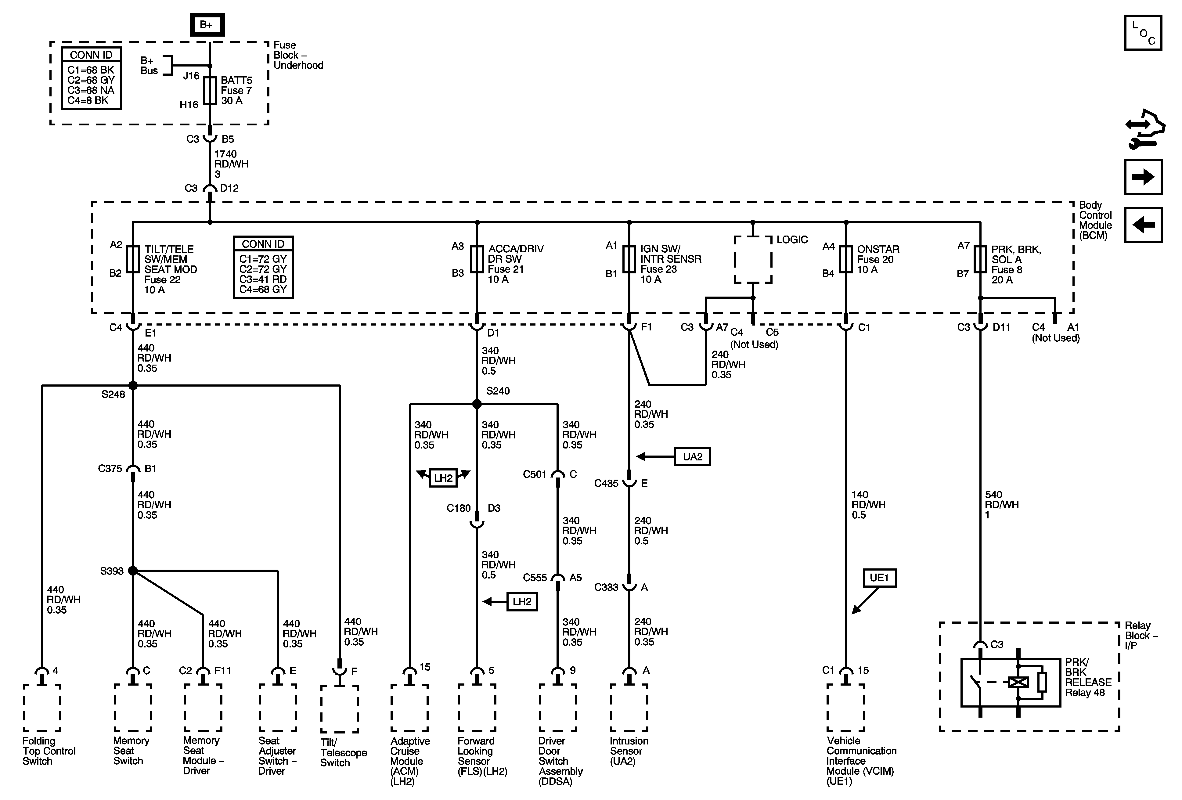
BATT 5, TILT/TELE/MEM SEAT MOD, ACCA/DRIV DR SW, IGNITION SW/INTR SENS, ONSTAR, PARK BRAKE SOL A Fuses, and PARK BRAKE RELEASE Relay
BATT 5, TILT/TELE/MEM SEAT MOD, ACCA/DRIV DR SW, IGNITION SW/INTR SENS, ONSTAR, PARK BRAKE SOL A Fuses, and PARK BRAKE RELEASE Relay
BATT 5, TILT/TELE/MEM SEAT MOD, ACCA/DRIV DR SW, IGNITION SW/INTR SENS, ONSTAR, PARK BRAKE SOL A Fuses, and PARK BRAKE RELEASE Relay
Power and Grounding Schematic Icons
Figure 3:

COOLFAN, AMP, HVAC, ABS, W/S WASH/INTERCOOL, MRRTD, ECM/TCM, HORN, BATT 2 Fuses, and W/S WASH, HORN, REAR DEFOG Relays


Object Number: 1752472  Size: FS
Master Electrical Component List
Control Module References
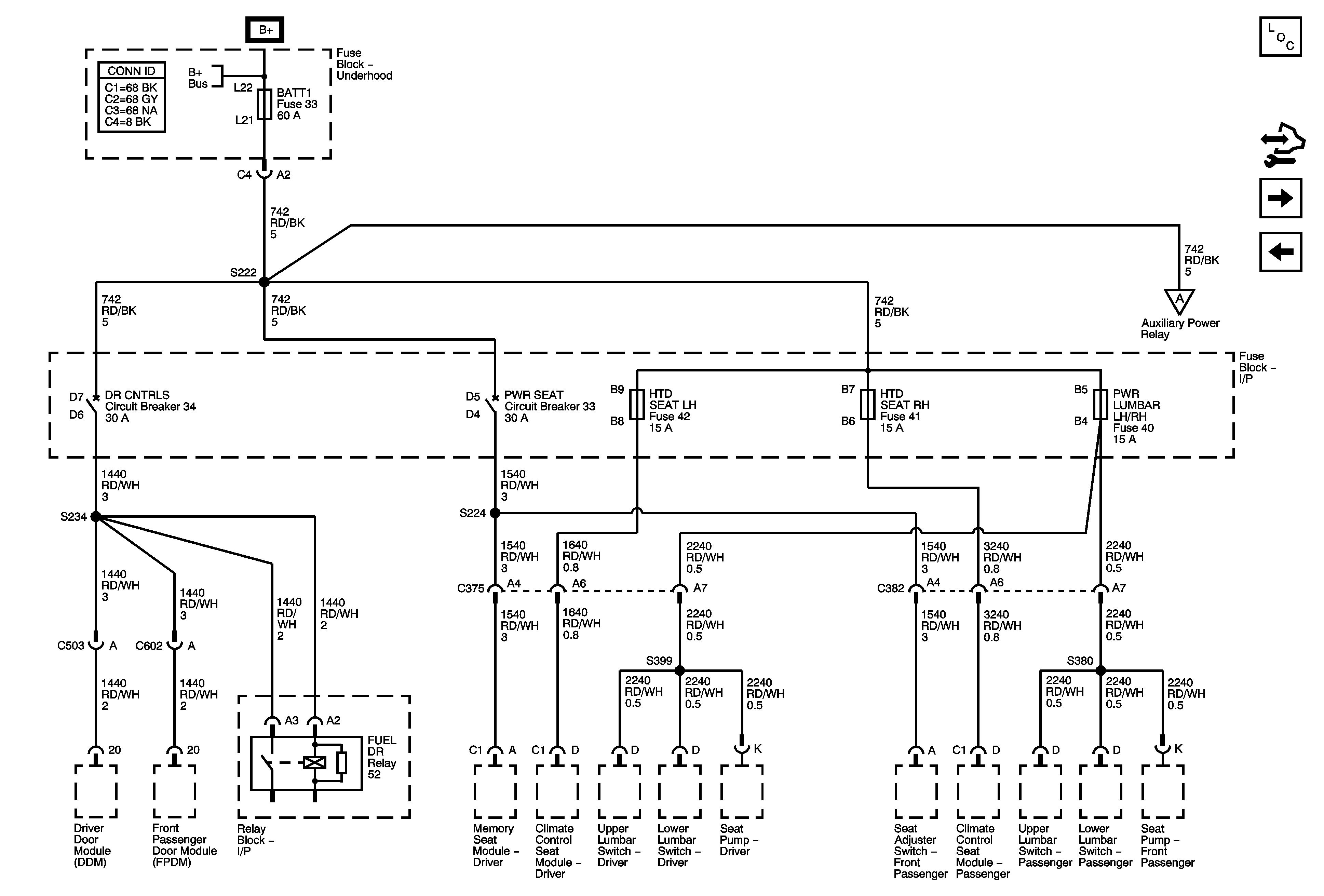
BATT 1, HEATED SEAT LH, HEATED SEAT RH, POWER LUMBAR LH/RH Fuses, and DOOR CONTROLS, POWER SEATS Circuit Breakers, and FUEL DOOR Relay
Ignition Mode Switch
Fuse Block - Underhood Bussing
Fuse Block - Underhood Bussing
Figure 4:

BATT1, HEATED SEAT LH, HEATED SEAT RH, POWER LUMBAR LH/RH Fuses, and DOOR CONTROLS, POWER SEATS Circuit Breakers, and FUEL DOOR Relay


Object Number: 1752475  Size: FS
Master Electrical Component List
Control Module References
CIGAR LIGHTER, AUXILIARY POWER, FLDG TOP/TRUNK LATCH, COLUMN LK MODULE Fuses, and AUXILIARY POWER Relay
COOLFAN, AMP, HVAC, ABS, MRRTD, ECM/TCM, HORN, BATT 2 Fuses, and HORN, REAR DEFOG Relays
Fuse Block - Underhood Bussing
Fuse Block - Underhood Bussing
CIGAR LIGHTER, AUXILIARY POWER, FLDG TOP/TRUNK LATCH, COLUMN LK MODULE Fuses, and AUXILIARY POWER Relay
Figure 5:

CIGAR LIGHTER, AUXILIARY POWER, FLDG TOP/TRUNK LATCH, COLUMN LK MODULE Fuses, and AUXILIARY POWER Relay


Object Number: 1752480  Size: FS
Master Electrical Component List
Control Module References
BATT 5, TILT/TELE/MEM SEAT MOD, ACCA/DRIV DR SW, IGNITION SW/INTR SENS, ONSTAR, PARK BRAKE SOL A Fuses, and PARK BRAKE RELEASE Relay
BATT 1, HEATED SEAT LH, HEATED SEAT RH, POWER LUMBAR LH/RH Fuses, and DOOR CONTROLS, POWER SEATS Circuit Breakers, and FUEL DOOR Relay
BATT 1, HEATED SEAT LH, HEATED SEAT RH, POWER LUMBAR LH/RH Fuses, and DOOR CONTROLS, POWER SEATS Circuit Breakers, and FUEL DOOR Relay
Figure 6:

BATT5, TILT/TELE SW/MEM SEAT MOD, ACCA/DRIV DR SW, IGNITION SW/INTR SENS, ONSTAR, PARK BRAKE SOL A Fuses and PARK BRK RELEASE Relay


Object Number: 1752486  Size: FS
Master Electrical Component List
Control Module References
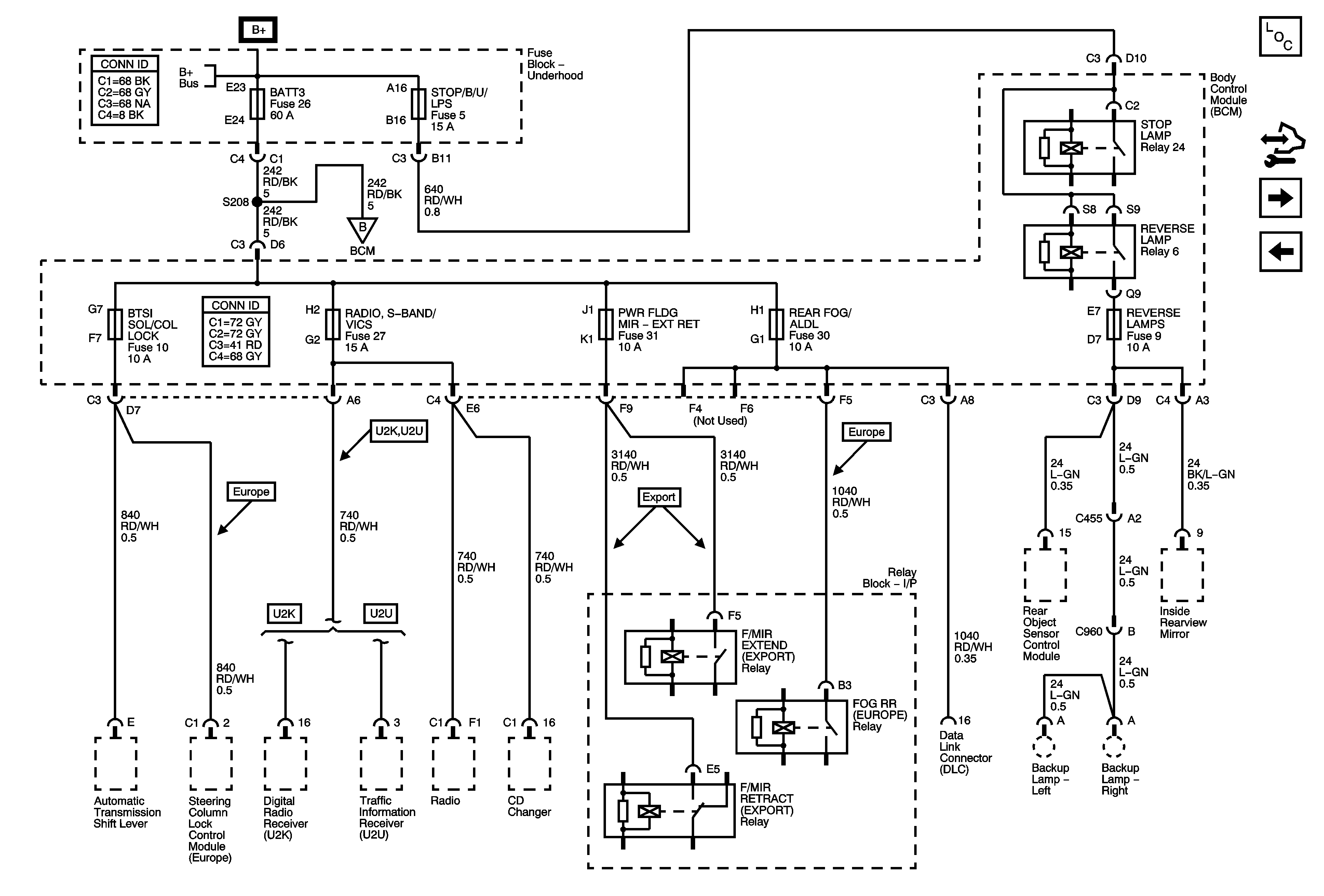
BATT 3, STOP/B/U/LPS, BTSI SOL/COL LOCK, RADIO/ANT/VICS, PWR FLDG MIR - EXT/RET, REAR FOG/ALDL TOP SW, REVERSE LAMPS Fuses, AND STOP LAMP, REVERSE LAMP Relays
CIGAR LIGHTER, AUXILIARY POWER, FLDG TOP/TRUNK LATCH, COLUMN LK MODULE Fuses, and AUXILIARY POWER Relay
Fuse Block - Underhood Bussing
Fuse Block - Underhood Bussing
Figure 7:

BATT3, STOP/B/U/LPS, BTSI SOL/COL LOCK, RADIO/ANT/VICS, PWR FLDG MIR - EXT/RET, REAR FOG/ALDL TOP SW, REVERSE LAMPS Fuses, and STOP LAMP, REVERSE LAMP Relays


Object Number: 1752489  Size: FS
Master Electrical Component List
Control Module References
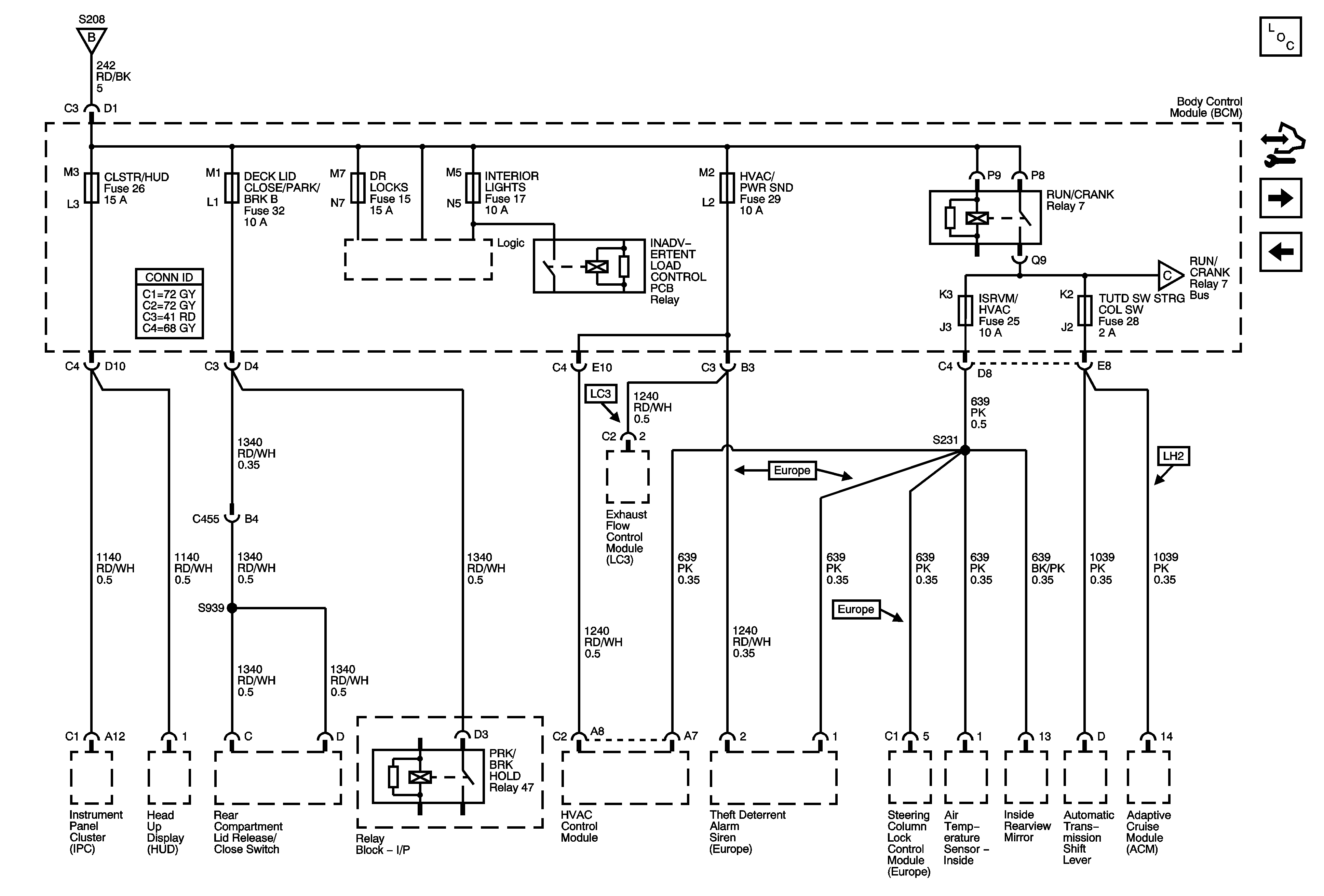
CLUSTER, A.C. LATCH/PK BRK B, DOOR LOCKS, INTERIOR LIGHTS, HVAC/PWR SND, ISRVM/HVAC, TUTD SW/STRG COL SW FUSES, and RUN/CRANK Relay 2
BATT 5, TILT/TELE/MEM SEAT MOD, ACCA/DRIV DR SW, IGNITION SW/INTR SENS, ONSTAR, PARK BRAKE SOL A Fuses, and PARK BRAKE RELEASE Relay
Fuse Block - Underhood Bussing
Fuse Block - Underhood Bussing
CLUSTER, A.C. LATCH/PK BRK B, DOOR LOCKS, INTERIOR LIGHTS, HVAC/PWR SND, ISRVM/HVAC, TUTD SW/STRG COL SW FUSES, and RUN/CRANK Relay 2
Figure 8:

CLUSTER, A.C. LATCH/PK BRK B, DOOR LOCKS, INTERIOR LIGHTS, HVAC/PWR SND, ISRVM/HVAC, TUTD SW/STRG COL SW Fuses, and RUN/CRANK Relay 2


Object Number: 1752491  Size: FS
Master Electrical Component List
Control Module References
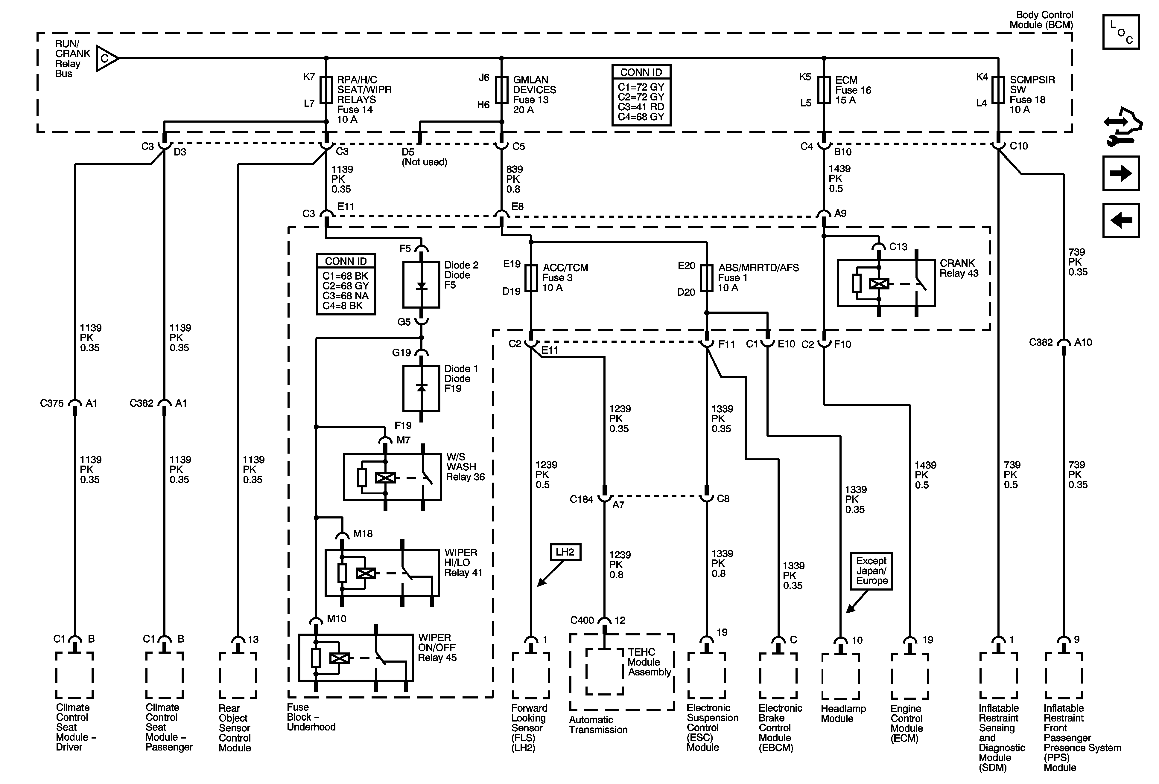
RPA/H/C SEAT, GMLAN DEVICES, ECM, SDM/PSIR SW, ACC/TCM, and ABS/MRRTD Fuses
BATT 3, STOP/B/U/LPS, BTSI SOL/COL LOCK, RADIO/ANT/VICS, PWR FLDG MIR - EXT/RET, REAR FOG/ALDL TOP SW, REVERSE LAMPS Fuses, AND STOP LAMP, REVERSE LAMP Relays
BATT 3, STOP/B/U/LPS, BTSI SOL/COL LOCK, RADIO/ANT/VICS, PWR FLDG MIR - EXT/RET, REAR FOG/ALDL TOP SW, REVERSE LAMPS Fuses, AND STOP LAMP, REVERSE LAMP Relays
RPA/H/C SEAT, GMLAN DEVICES, ECM, SDM/PSIR SW, ACC/TCM, and ABS/MRRTD Fuses
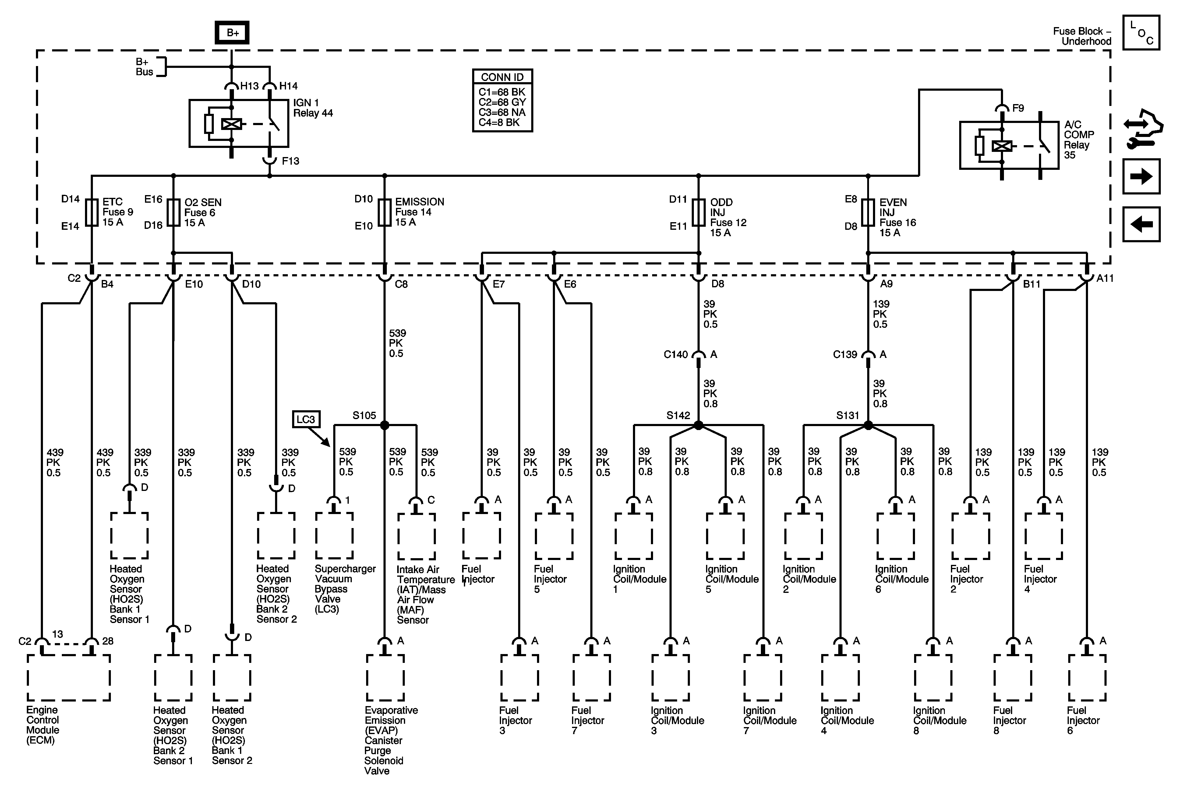
Figure 9:

RPA/H/C SEAT, GMLAN DEVICES, ECM, SDM/PSIR SW, ACC/TCM, and ABS/MRRTD/AFS Fuses


Object Number: 1752497  Size: FS
Master Electrical Component List
Control Module References
ETC, O2 SEN, EMISSION, ODD INJ, EVEN INJ, and IGN 1, A/C COMP Relays
CLUSTER, A.C. LATCH/PK BRK B, DOOR LOCKS, INTERIOR LIGHTS, HVAC/PWR SND, ISRVM/HVAC, TUTD SW/STRG COL SW FUSES, and RUN/CRANK Relay 2
CLUSTER, A.C. LATCH/PK BRK B, DOOR LOCKS, INTERIOR LIGHTS, HVAC/PWR SND, ISRVM/HVAC, TUTD SW/STRG COL SW FUSES, and RUN/CRANK Relay 2
Figure 10:

ETC, O2 SEN, EMISSION, ODD INJ, EVEN INJ, and IGN 1, A/C COMP Relays


Object Number: 1752518  Size: FS
Master Electrical Component List
Control Module References
LT HI BM, RT HI BM, LT LO BM, RT LO BM, WIPER, STEERING WHEEL DIMMING, WIPER DWELL, RUN/ACCESSORY POWER Fuses, and HIGH BEAM, LOW BEAM Relays
RPA/H/C SEAT, GMLAN DEVICES, ECM, SDM/PSIR SW, ACC/TCM, and ABS/MRRTD Fuses
Fuse Block - Underhood Bussing
Fuse Block - Underhood Bussing
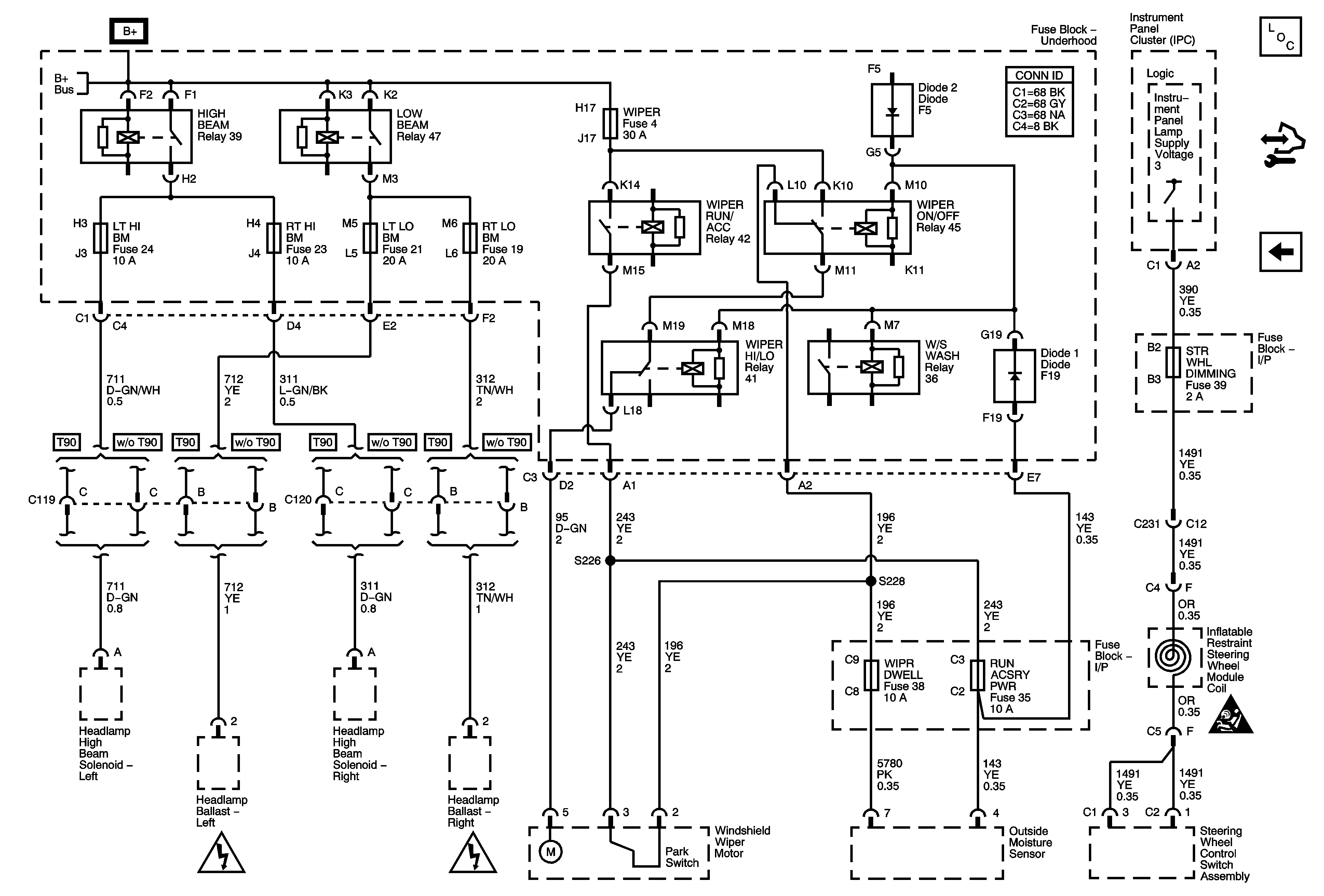
Figure 11:

LT HI BM, RT HI BM, LT LO BM, RT LO BM, WIPER, STEERING WHEEL DIMMING, WIPER DWELL, RUN/ACCESSORY POWER Fuses, and HIGH BEAM, LOW BEAM Relays


Object Number: 1752520  Size: FS
Master Electrical Component List
Control Module References
ETC, O2 SEN, EMISSION, ODD INJ, EVEN INJ, and IGN 1, A/C COMP Relays
Fuse Block - Underhood Bussing
Fuse Block - Underhood Bussing
Power and Grounding Schematic Icons
Power and Grounding Schematic Icons
Power and Grounding Schematic Icons