Tools Required
J 42058
Frame Adapter Clamp
Removal Procedure
Caution: Refer to Approved Equipment for Collision Repair Caution in the Preface section.
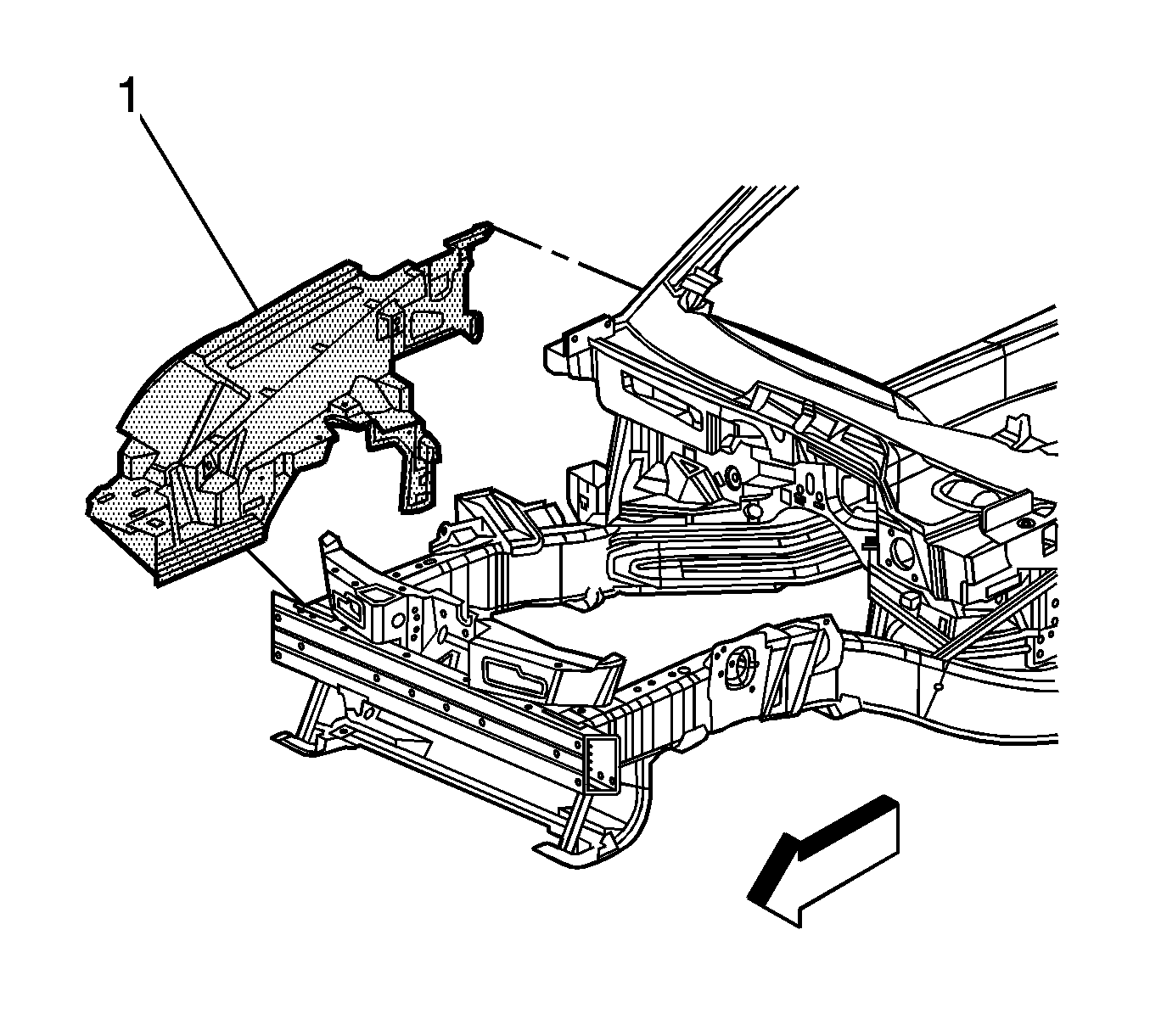
The front wheelhouse is made of sheet molded compound (SMC), and is bonded to the front structure and frame rail with structural adhesive.
- Disable the SIR system. Refer to
SIR Disabling and Enabling
.
- Disconnect the negative battery cable. Refer to
Battery Negative Cable Disconnection and Connection
.
- Remove all related panels and components.
- Remove the wheelhouse by applying heat and pry to detach adhesive along the bonding surface (1).
- Remove the wheelhouse (1) from the vehicle.
- Save any and all brackets, mounting studs, and accessories for transfer to the new front wheelhouse.
- Note the location of the adhesive and remove all remaining loose adhesive.
- Inspect the front structure and frame rails for damage.
- Restore as much of the damage as possible to the factory specifications. Refer to
Dimensions - Body
.
- Use
J 42058
to secure the vehicle if pulling and straightening is required.
Installation Procedure
Important: Shims may be necessary to achieve proper panel alignment.
- Before applying adhesive dry fit the wheelhouse for proper fit and alignment.
Important: DO NOT top coat any bonding surface. Use primer only on bonding surfaces. Refer to adhesive manufacturer's recommendations.
- Clean and prepare all bonding mating surfaces according to adhesive manufacturer's recommendations.
- Apply a consistent bead of structural adhesive (1) 10 mm (3/8 in) in diameter to the wheelhouse to mate with the front structure and frame rail. Refer to
Sheet Molded Compound (SMC) Panel Bonding
.
- Install the wheelhouse (1) to the vehicle.
- Apply pressure to the wheelhouse to set the adhesive.
- Clamp or mechanically fasten the wheelhouse into place as necessary.
- Remove any excess adhesive.
- Drill 10 mm (3/8 in) holes (1) in the wheelhouse for the fender attachment points.
- Install all related panels and components.
- Connect the negative battery cable. Refer to
Battery Negative Cable Disconnection and Connection
.
- Enable the SIR system. Refer to
SIR Disabling and Enabling
.