GM Service Manual Online
For 1990-2009 cars only
Figure 1:

Folding Top Structure


Object Number: 1373126  Size: MF
(1)Folding Top Quarter Longitudinal Frame Support
(2)Folding Top Quarter Frame Support
(3)Non-Serviced Part of Folding Top Module Assembly
(4)Folding Top Support Bracket
Figure 2:

Folding Top Front Compartment


Object Number: 1373127  Size: MF
(1)Folding Top Rear Window
(2)Folding Top Rear Panel Weatherstrip -- Lower
(3)Folding Top Panel -- Rear
(4)Folding Top Quarter Window
(4)Folding Top Quarter Window
(5)Quarter Window Outer Belt Sealing Strip
(6)Quarter Window Outer Belt Sealing Strip Retainer
(7)Folding Top Weatherstrip -- Side Front
(8)Folding Top Panel -- Front
(9)Folding Top Weatherstrip Retainer -- Side Front
(10)Folding Top Rear Panel Weatherstrip -- Upper
Figure 3:

Folding Top Front Compartment Latching


Object Number: 1373128  Size: MF
(1)Folding Top Panel -- Front
(2)Folding Top Locating Pin -- Front
(2)Folding Top Locating Pin -- Front
(3)Folding Top Panel Link -- Front
(4)Folding Top Latch -- Front
(4)Folding Top Latch -- Front
(5)Folding Top Latch Cable -- Front
(5)Folding Top Latch Cable -- Front
(6)Folding Top Latch Hydraulic Cylinder -- Front
(6)Folding Top Latch Hydraulic Cylinder -- Front
(7)Folding Top Hydraulic Cylinder Hose -- All
(7)Folding Top Hydraulic Cylinder Hose -- All
(8)Folding Top Locating Pin Receiver -- Front
(8)Folding Top Locating Pin Receiver -- Front
(9)Folding Top Locating Pin Receiver Position Sensor Switch -- Front
(10)Folding Top Latch Position Sensor Switch -- Front
(11)Folding Top Potentiometer
Figure 4:

Folding Top Front Compartment Link


Object Number: 1373129  Size: MF
(1)Folding Top Pivot Link Bracket -- Rear Upper
(2)Folding Top Pivot Link Bracket -- Rear Lower
(3)Folding Top Panel Link -- Front
(4)Folding Top Panel Hold Down Link -- Front
(5)Folding Top Quarter Longitudinal Frame Support
(6)Folding Top Quarter Frame Support
(7)Folding Top Panel Strut Actuator
(8)Folding Top Hydraulic Cylinder Hose -- All
(9)Folding Top Hydraulic Cylinder
(10)Folding Top Striker -- Rear
Figure 5:

Folding Top Rear Compartment Actuator


Object Number: 1373130  Size: MF
(1)Folding Top Storage Compartment Panel Hydraulic Cylinder - Rear
(1)Folding Top Storage Compartment Panel Hydraulic Cylinder - Rear
(2)Folding Top Compartment Lid Hydraulic Cylinder - Rear
(2)Folding Top Compartment Lid Hydraulic Cylinder - Rear
(3)Folding Top Compartment Lid Position Sensor Switch - Rear
(4)Folding Top Storage Compartment Panel Position Switch - Rear
(4)Folding Top Storage Compartment Panel Position Switch - Rear
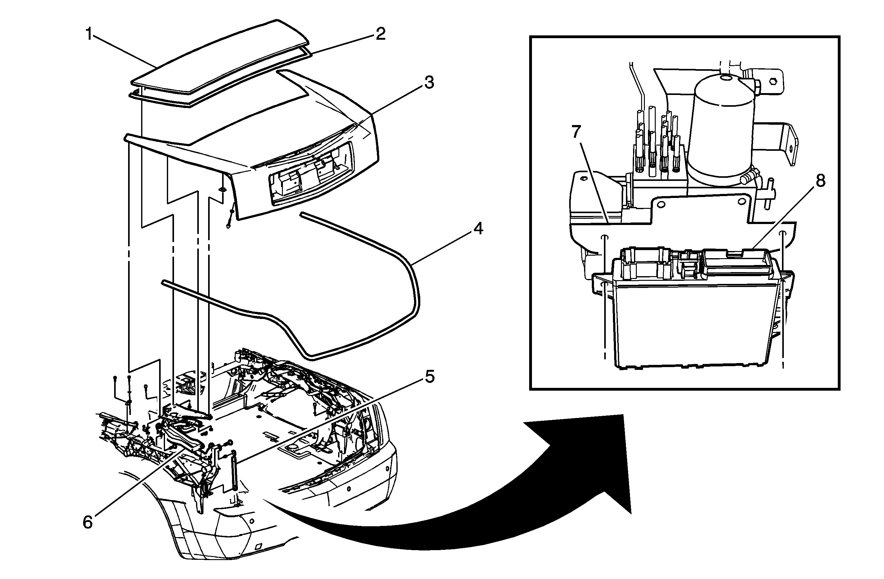
Figure 6:

Folding Top Rear Compartment


Object Number: 1373132  Size: MF
(1)Folding Top Storage Compartment Panel -- Rear
(2)Folding Top Storage Compartment Panel Seal -- Rear
(3)Folding Top Compartment Lid -- Rear
(4)Folding Top Compartment Lid Seal -- Rear
(5)Folding Top Compartment Lid Strut Actuator -- Rear
(6)Folding Top Compartment Lid Link -- Rear
(7)Folding Top Pump and Motor
(8)Folding Top Control Module
Figure 7:

Folding Top Front Storage Compartment


Object Number: 1373133  Size: MF
(1)Folding Top Storage Compartment Closeout Panel -- Front Outer
(1)Folding Top Storage Compartment Closeout Panel -- Front Outer
(2)Folding Top Storage Compartment Closeout Panel -- Front
(3)Folding Top Storage Compartment Closeout Panel Hinge -- Front
(4)Folding Top Storage Compartment Closeout Panel Link -- Front
(5)Folding Top Storage Compartment Closeout Panel Hydraulic Cylinder -- Front
(5)Folding Top Storage Compartment Closeout Panel Hydraulic Cylinder -- Front
(6)Folding Top Hydraulic Cylinder Hose -- All
(6)Folding Top Hydraulic Cylinder Hose -- All
(7)Folding Top Storage Compartment Closeout Panel Potentiometer -- Front