GM Service Manual Online
For 1990-2009 cars only
Makes
🢒
Cadillac
🢒
2007
🢒
XLR
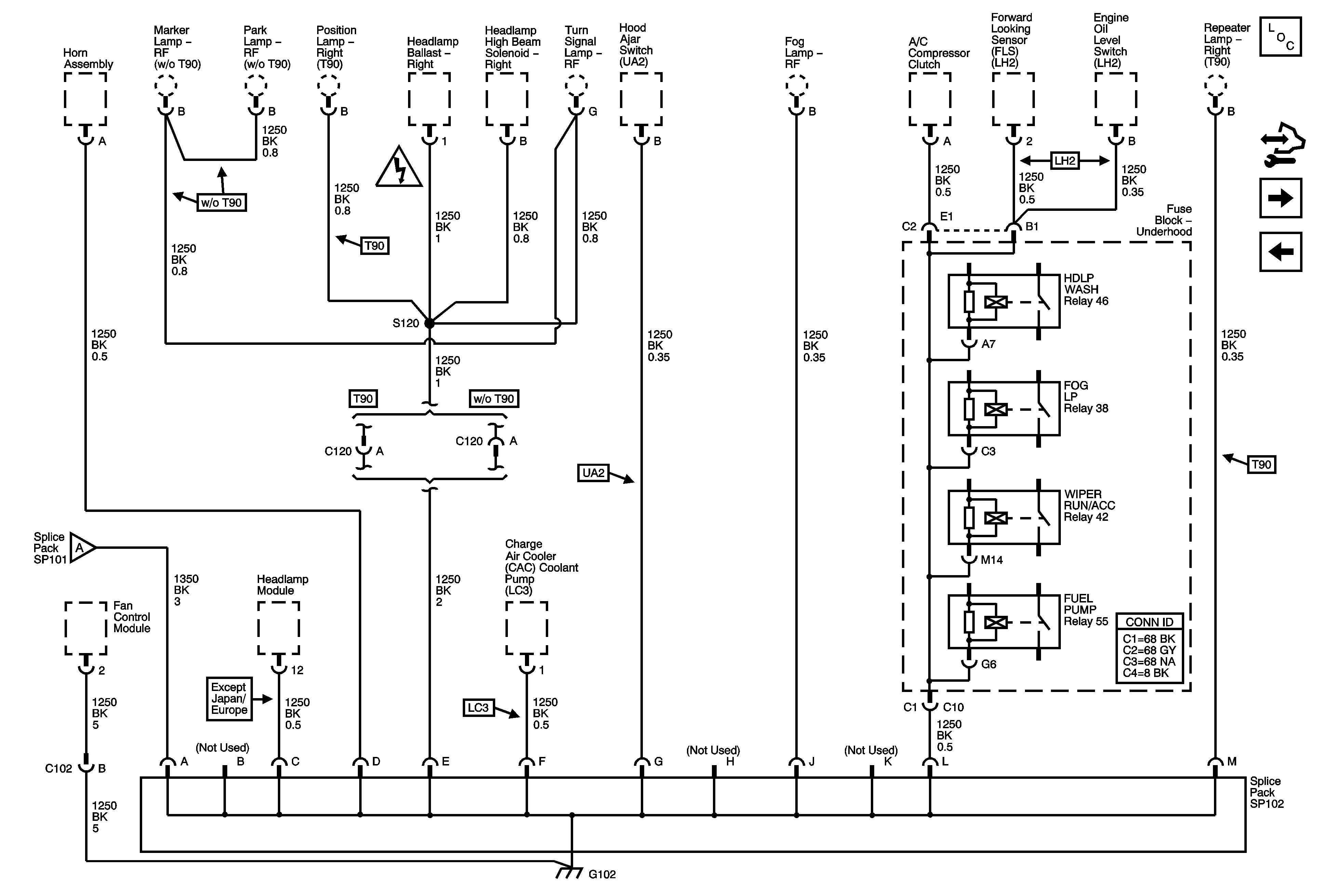
🢒 G102
G102
G102
Master Electrical Component List
Control Module References
G104 and G106
G101
Power and Grounding Schematic Icons
G101