GM Service Manual Online
For 1990-2009 cars only
Makes
🢒
Cadillac
🢒
2007
🢒
XLR
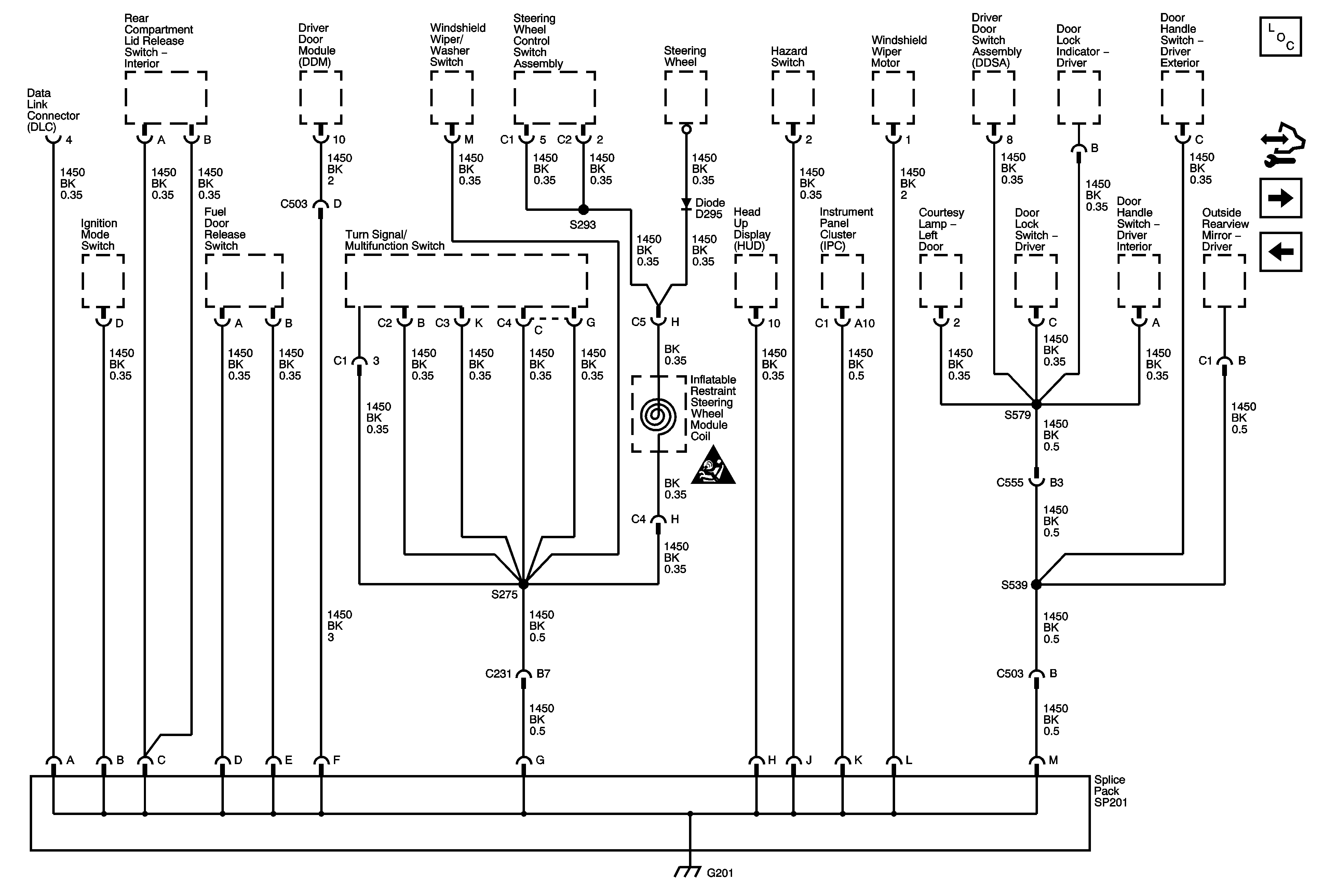
🢒 G201
G201
G201
Master Electrical Component List
Control Module References
G202
G105, G107, G109, G110, G111 and G112
Power and Grounding Schematic Icons