GM Service Manual Online
For 1990-2009 cars only
Makes
🢒
Cadillac
🢒
2007
🢒
XLR
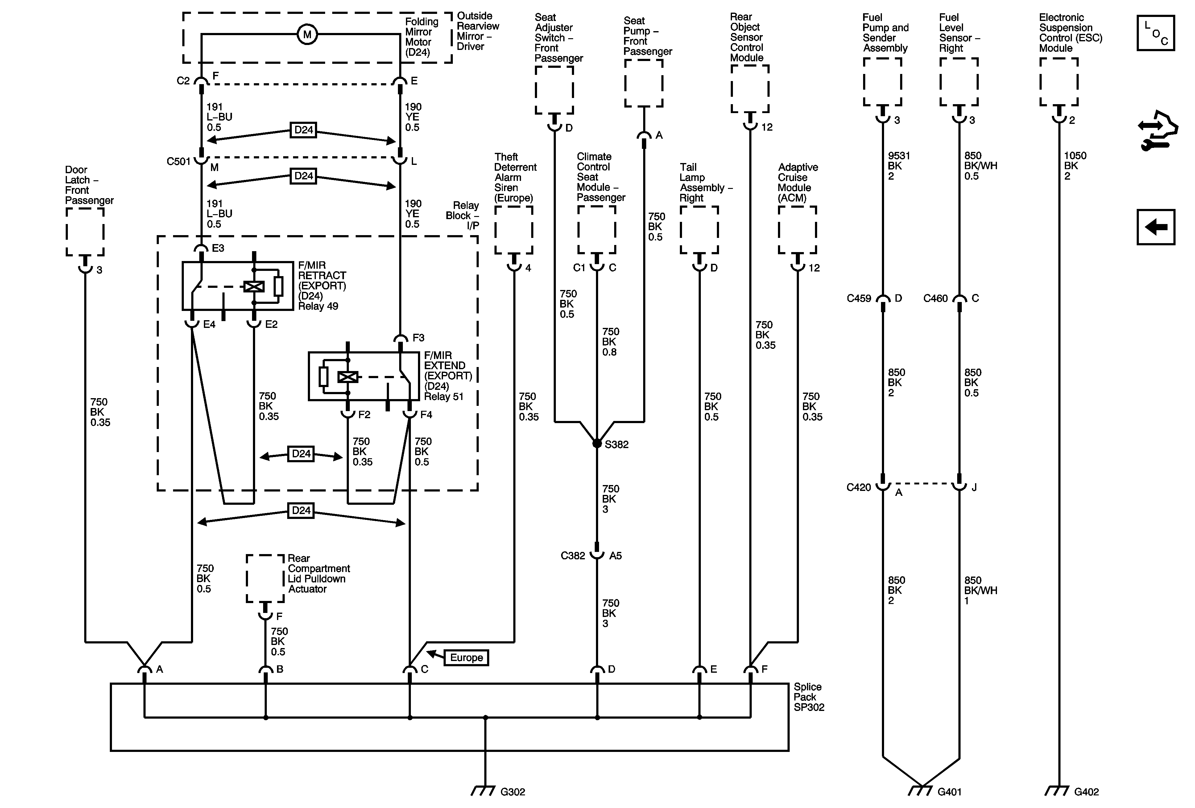
🢒 G302, G401, and G402
G302, G401, and G402
G302, G401, and G402
Master Electrical Component List
Control Module References
G301