GM Service Manual Online
For 1990-2009 cars only
Makes
🢒
Cadillac
🢒
2007
🢒
XLR
🢒 GMLAN
GMLAN
GMLAN
Master Electrical Component List
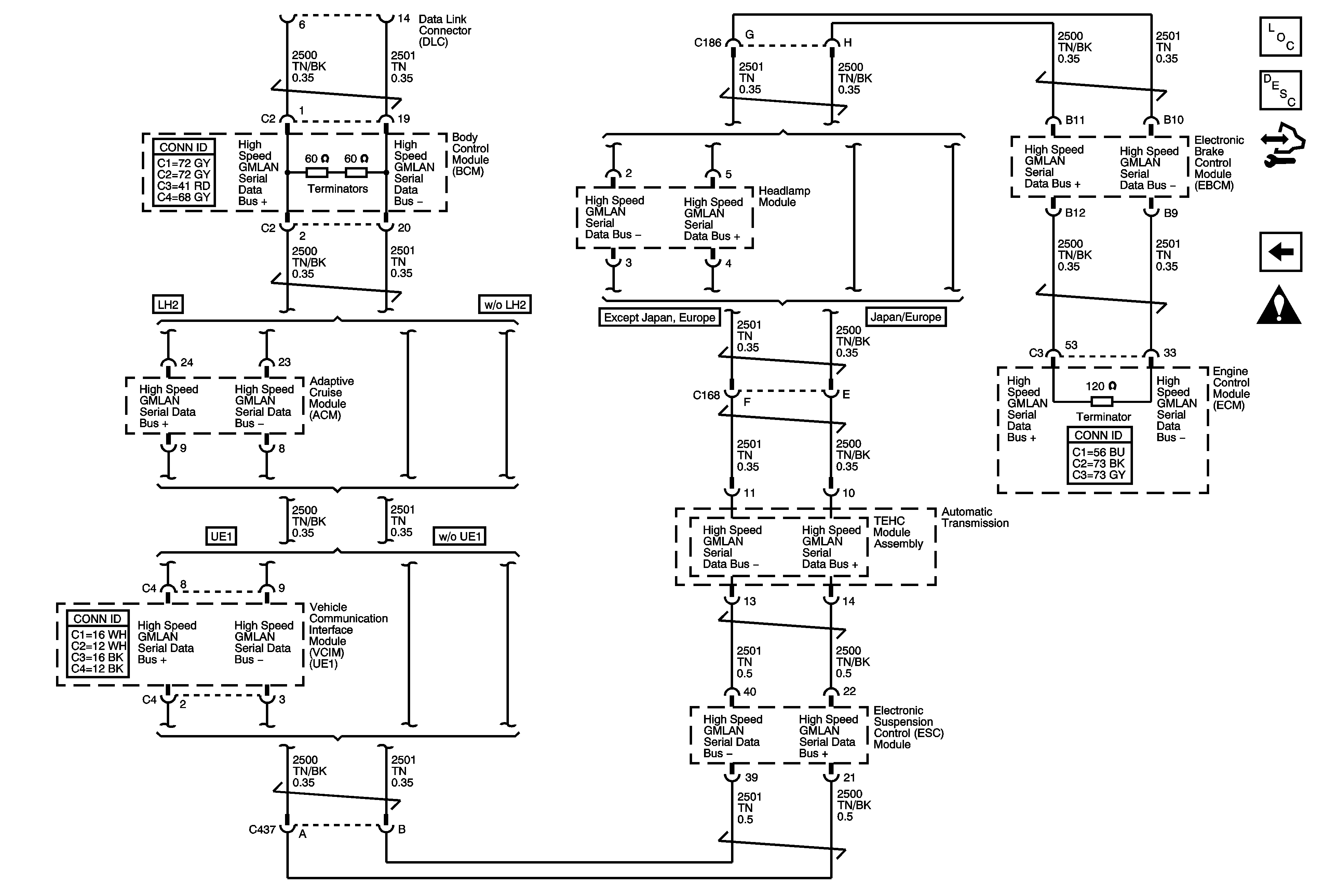
Data Link Communications Description and Operation
Control Module References
Class 2
Data Communication Schematic Icons