GM Service Manual Online
For 1990-2009 cars only

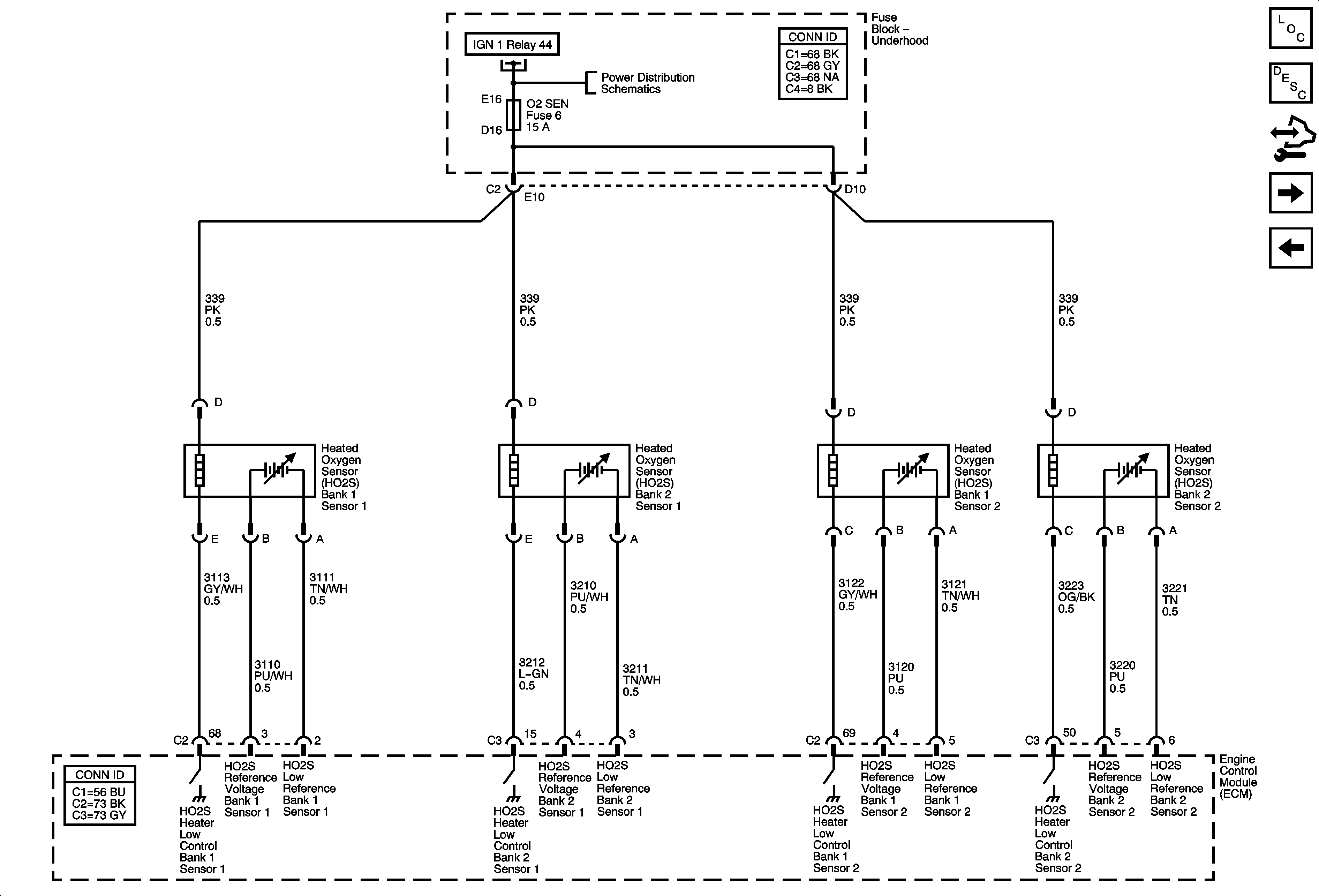
Heated Oxygen Sensors

Heated Oxygen Sensors


Object Number: 1753459  Size: FS
Master Electrical Component List
Engine Control Module Description
Control Module References
Electronic Throttle Controls
MAF/IAT, ECT, MAP Sensors, and Stop Lamp Switch Signal
ETC, O2 SEN, EMISSION, ODD INJ, EVEN INJ, and IGN 1, A/C COMP Relays
ETC, O2 SEN, EMISSION, ODD INJ, EVEN INJ, and IGN 1, A/C COMP Relays