GM Service Manual Online
For 1990-2009 cars only
Makes
🢒
Cadillac
🢒
2007
🢒
XLR
🢒 Fuel Injectors
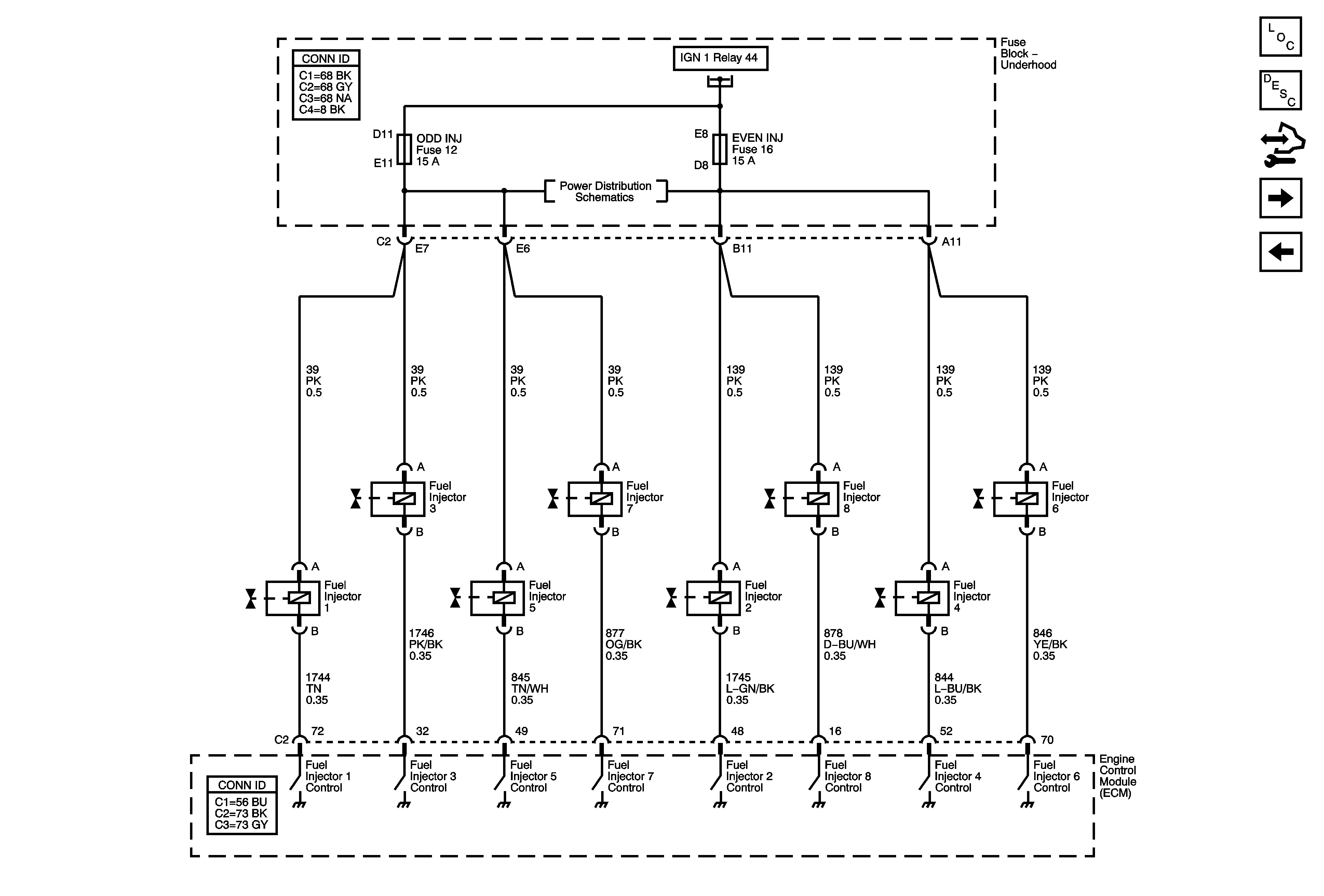
Fuel Injectors
Fuel Injectors
Master Electrical Component List
Engine Control Module Description
Control Module References
EVAP Solenoids, and FTP Sensor
CMP Sensors and Actuators
ETC, O2 SEN, EMISSION, ODD INJ, EVEN INJ, and IGN 1, A/C COMP Relays
ETC, O2 SEN, EMISSION, ODD INJ, EVEN INJ, and IGN 1, A/C COMP Relays