GM Service Manual Online
For 1990-2009 cars only
Makes
🢒
Cadillac
🢒
2007
🢒
XLR
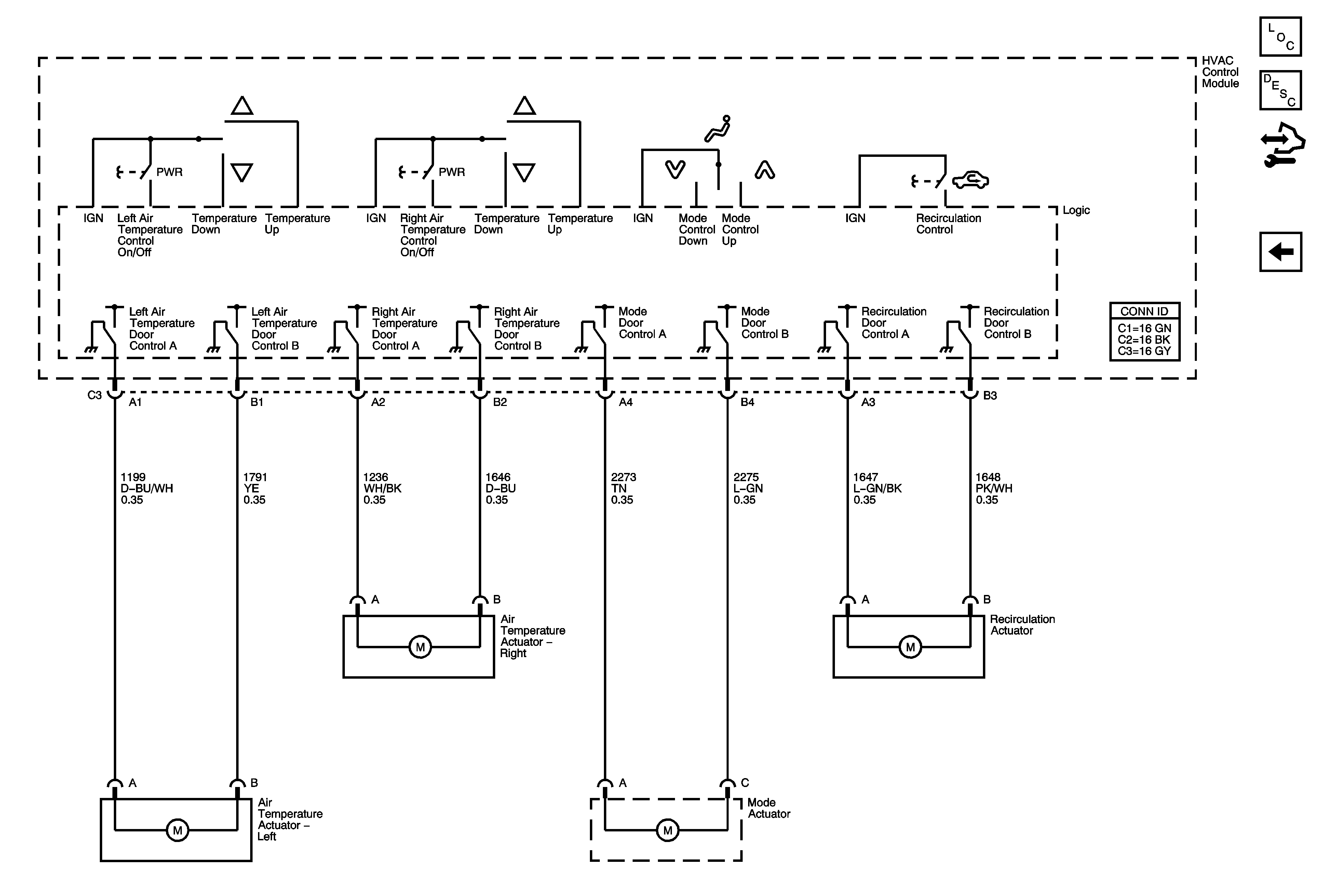
🢒 Mode and Air Temperature Actuators
Mode and Air Temperature Actuators
Mode and Air Temperature Controls
Master Electrical Component List
Air Delivery Description and Operation
Control Module References
Temperature Sensors