GM Service Manual Online
For 1990-2009 cars only
Makes
🢒
Cadillac
🢒
2007
🢒
XLR
🢒 Display and Sensors
Display and Sensors
Display and Sensors
Master Electrical Component List
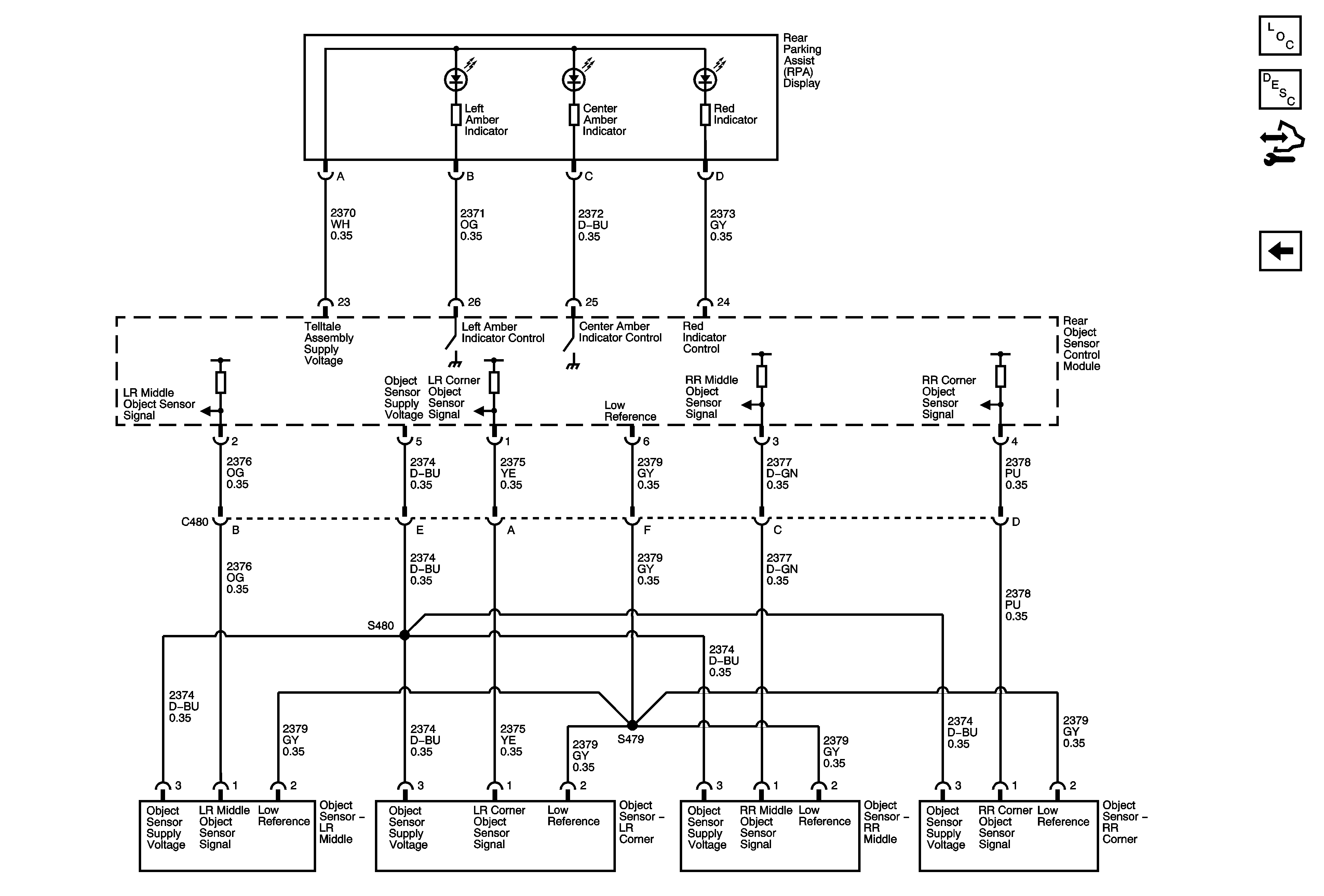
Object Detection Description and Operation
Control Module References
Power, Ground, DLC, and Non-Sensor Signals