GM Service Manual Online
For 1990-2009 cars only

Tools Required

J 42055 Drivetrain Support Fixture

Removal Procedure

    Caution: Refer to Battery Disconnect Caution in the Preface section.

  1. Disconnect the negative battery cable.
  2. Raise and suitably support the vehicle. Refer to Lifting and Jacking the Vehicle .
  3. Remove the rear tire and wheel assemblies. Refer to Tire and Wheel Removal and Installation .

  4. Object Number: 1785922  Size: SH
  5. Remove the bolts (1) securing the brake hydraulic line and hose bracket to the suspension crossmember.

  6. Object Number: 1785982  Size: SH
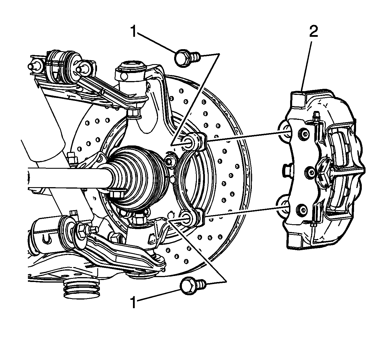
  7. Remove the bolts (1) securing the rear brake calipers (2) to the rear knuckles.
  8. Important: Support the caliper. Do NOT allow the brake caliper to hang from the brake hose.

  9. Slide the caliper forward, away from the knuckle and rotor.

  10. Object Number: 1785979  Size: SH
  11. Disconnect the wheel speed sensor electrical wire harness from the wheel speed sensor.
  12. Disconnect the retainers (1) securing the wheel speed sensor harness to the park brake cables.

  13. Object Number: 1785976  Size: SH
  14. Remove the wheel speed sensor harness from the suspension crossmember. Each harness is secured in three places (1).
  15. Route the sensor harnesses away from the suspension crossmember.

  16. Object Number: 174570  Size: SH
  17. Disconnect the park brake cables from the actuator levers.
  18. Pull the park brake cable housing out of the park brake cable brackets attached to the knuckle.

  19. Object Number: 1785950  Size: SH
  20. Remove the push pins retaining the right (1) and left (2) park brake cables to the suspension crossmember.
  21. Route the park brake cables away from the suspension crossmember.

  22. Object Number: 1785974  Size: SH
  23. Remove the rear suspension position sensors if equipped. Refer to Electronic Suspension Rear Position Sensor Replacement .
  24. Position an adjustable tall jack stand under the lower control arm near the ball joint location.
  25. Raise the jack stand to reduce the transverse spring load on the lower control arm.

  26. Object Number: 1785926  Size: SH
  27. Remove the nut from the upper ball joint stud.
  28. Separate the upper ball joint stud from the suspension knuckle. Refer to Rear Axle Upper Control Arm Replacement .

  29. Object Number: 1785934  Size: SH
  30. Remove the lower shock absorber bolt and nut.
  31. Lower the tall jack stand supporting the lower control arm.
  32. Position the knuckle away from the upper control arm.

  33. Object Number: 1785916  Size: SH
  34. Disconnect the inner axle joints (1) from the differential.
  35. Position the knuckle away from the upper control arm.
  36. Position a tall jack stand under the front cradle to support the weight of the front of the vehicle on the hoist.

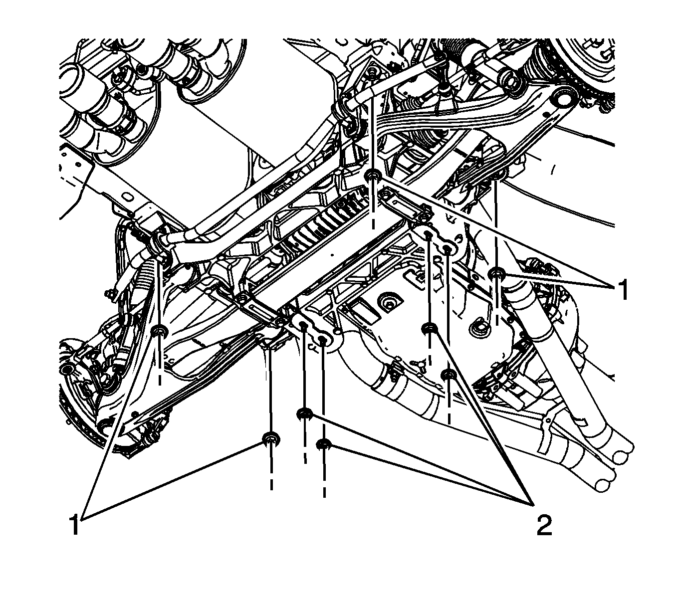
  37. Object Number: 180637  Size: SH
  38. Position a tall jack stand under the front of the transmission.
  39. Position a transmission jack under the suspension crossmember.
  40. Route a safety strap over the suspension crossmember, but under the brake pipe to secure the rear suspension crossmember to the transmission jack.

  41. Object Number: 1785987  Size: SH
  42. Using HAND TOOLS ONLY, remove the lower nuts (2) securing the rear mounts to the crossmember.
  43. Using HAND TOOLS ONLY, Remove the nuts (1) from the rear crossmember bolts.
  44. Lower the rear crossmember approximately 35mm.

  45. Object Number: 1785922  Size: SH
  46. Disconnect the plastic brake pipe retainers (2) from the crossmember.

  47. Object Number: 1785909  Size: SH
  48. Lower the rear suspension crossmember from the vehicle. This assembly includes the suspension crossmember, lower control arms, transverse leaf spring, rear stabilizer bar and links, knuckles, outer and inner tie rod ends, rotors, hubs, and drive axle assemblies.

  49. Object Number: 1785903  Size: SH
  50. Disconnect the vacuum lines from the rear muffler valves, if equipped.

  51. Object Number: 1461916  Size: SH
  52. Disconnect the muffler/tailpipe assemblies from the rubber isolators (3) at the rear of the mufflers.
  53. Remove the intermediate pipe. Refer to Intermediate Pipe Replacement .
  54. Remove the left muffler/tailpipe assembly (1).
  55. Using the hoist, raise the vehicle approximately 50 mm (2 in).
  56. Remove the right muffler/tailpipe assembly (2).

  57. Object Number: 1785888  Size: SH
  58. Disconnect the vehicle speed sensor (VSS) connector (1) from the top of the differential.
  59. Disconnect the VSS wiring harness retainers from the differential studs at the top of the differential.

  60. Object Number: 1785899  Size: SH
  61. Remove the nuts (1) securing the rear mounts to the differential.
  62. Remove the mounts (2) from the differential.
  63. Reposition the hydraulic brake line forward and away from the differential.
  64. Assemble the J 42055 .
  65. Install the J 42055 to a transmission jack.
  66. Position and firmly secure the J 42055 with the transmission jack to the differential.

  67. Object Number: 1785867  Size: SH
  68. Remove the fasteners securing the differential to the transmission.

  69. Object Number: 1785852  Size: SH
  70. Using the transmission jack, carefully slide the differential rearward from the transmission.
  71. After the differential has cleared the output shaft of the transmission, the differential can be lowered using the transmission jack.

Installation Procedure


    Object Number: 1785852  Size: SH
  1. SLOWLY slide the differential to the transmission.
  2. Notice: Refer to Fastener Notice in the Preface section.


    Object Number: 1785867  Size: SH
  3. Install the differential to transmission bolts and nuts.
  4. Tighten
    Tighten the bolts and nuts to 50 N·m (37 lb ft).

  5. Remove the J 42055 from the differential.
  6. Position the hydraulic brake line rearward to the original position below the differential.

  7. Object Number: 1785899  Size: SH
  8. Install the mounts (2) to the differential.
  9. Install the nuts (1) securing the rear mounts to the differential.
  10. Tighten
    Tighten the nuts to 50 N·m (37 lb ft).


    Object Number: 1785888  Size: SH
  11. Install the vehicle speed sensor (VSS) electrical wiring harness retainers to the differential studs at the top of the differential.
  12. Connect the VSS connector (1) to the top of the differential.
  13. Install the intermediate pipe. Refer to Intermediate Pipe Replacement .

  14. Object Number: 1461916  Size: SH
  15. Install the right (2) muffler/tailpipe assembly.
  16. Install the left (1) muffler/tailpipe assembly.
  17. Connect the muffler/tailpipe rubber isolators (3) to the rear of the mufflers.

  18. Object Number: 1785903  Size: SH
  19. Connect the vacuum lines to the rear muffler valves, if equipped.

  20. Object Number: 1785909  Size: SH
  21. Raise the rear crossmember assembly to the vehicle.

  22. Object Number: 1785922  Size: SH
  23. Connect the plastic brake pipe retainers (2) to the suspension crossmember.
  24. Finish raising the crossmember.

  25. Object Number: 1785987  Size: SH

    Important: Only use NEW crossmember mounting nuts

  26. Using HAND TOOLS ONLY, install NEW rear suspension crossmember mounting nuts (1).
  27. Tighten
    Tighten the nuts to 110 N·m (81 lb ft).

  28. Using HAND TOOLS ONLY, Install the nuts (2) securing the rear mounts to the suspension crossmember.
  29. Tighten
    Tighten the lower differential mount nuts to 50 N·m (37 lb ft).


    Object Number: 1785916  Size: SH
  30. Connect the inner axle joints (1) to the differential.
  31. Position an adjustable tall jack stand under the lower control arm near the ball joint location.
  32. Raise the jack stand to reduce the transverse spring load on the lower control arm.

  33. Object Number: 1785926  Size: SH
  34. Connect the upper ball joint to the suspension knuckle. Refer to Rear Axle Upper Control Arm Replacement .

  35. Object Number: 1785934  Size: SH
  36. Install the shock absorber lower mounting bolt and nut. Refer to Shock Absorber Replacement .
  37. Remove the tall jack stand supporting the lower control arm.

  38. Object Number: 1785974  Size: SH
  39. Install the rear suspension position sensors if equipped. Refer to Electronic Suspension Rear Position Sensor Replacement .

  40. Object Number: 1785950  Size: SH
  41. Install the park brake cables to the suspension crossmember.
  42. Install the push pins retaining the right (1) and left (2) park brake cables to the suspension crossmember.

  43. Object Number: 174570  Size: SH
  44. Install the park brake cable housing to the park brake cable brackets attached to the knuckle.
  45. Connect the park brake cables to the actuator levers.

  46. Object Number: 1785976  Size: SH
  47. Install the wheel speed sensor harnesses to the suspension crossmember.
  48. Install the wheel speed sensor harness to the suspension crossmember. Each harness is secured in three places (1).

  49. Object Number: 1785979  Size: SH
  50. Connect the retainers (1) securing the wheel speed sensor harness to the park brake cables.
  51. Connect the wheel speed sensor harness connectors.

  52. Object Number: 1785982  Size: SH
  53. Remove the bolts (1) securing the rear brake calipers (2) to the rear knuckles.

  54. Object Number: 1785922  Size: SH
  55. Remove the bolts (1) securing the brake hydraulic line and hose bracket to the suspension crossmember.
  56. Install the rear tire and wheel assemblies. Refer to Tire and Wheel Removal and Installation .
  57. Lower the vehicle.
  58. Connect the negative battery cable.
  59. Tighten
    Tighten the negative battery cable bolt to 15 N·m (11 lb ft).

  60. Program the transmitters. Refer to Transmitter Programming .