GM Service Manual Online
For 1990-2009 cars only

Removal Procedure

  1. Open the hood.
  2. Remove the front section of the air cleaner assembly. Refer to Air Cleaner Assembly Replacement .
  3. Remove all related panels and components.

  4. Object Number: 1217523  Size: SH
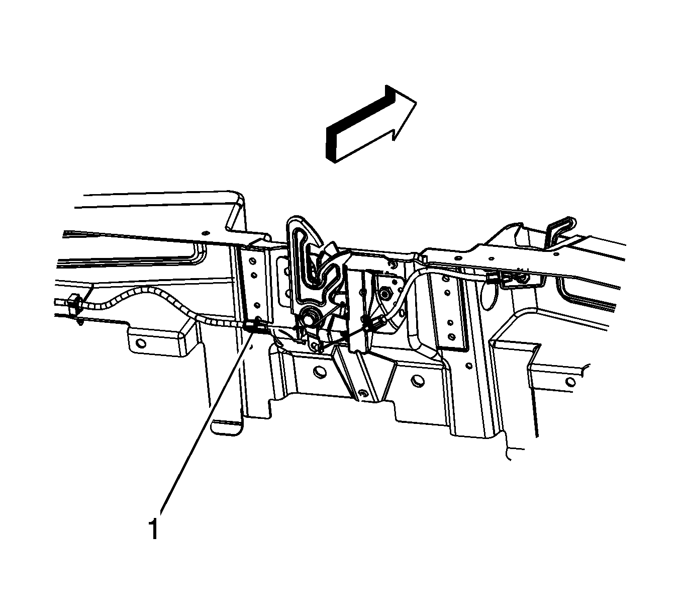
  5. Disconnect the hood release cable (1) from the hood latch.

  6. Object Number: 1217506  Size: SH
  7. Open the clips (1) retaining the hood release cable (2) to the vehicle.

  8. Object Number: 1217545  Size: SH
  9. Remove the screws (2) securing the hood release handle (1) to the vehicle.

  10. Object Number: 1217549  Size: SH
  11. Remove the hood release cable grommet (1) from the front of dash panel.
  12. Remove the hood release cable from the vehicle.

Installation Procedure

  1. Position the hood release cable to the vehicle.

  2. Object Number: 1217549  Size: SH
  3. Install the hood release cable grommet (1) to the front of dash panel.
  4. Notice: Refer to Fastener Notice in the Preface section.


    Object Number: 1217545  Size: SH
  5. Install the screws (2) securing the hood release handle (1) to the vehicle.
  6. Tighten
    Tighten the screws to 2 N·m (18 lb in).


    Object Number: 1217506  Size: SH
  7. Install the hood release cable to the clips (1) retaining the cable (2) to the vehicle.

  8. Object Number: 1217523  Size: SH
  9. Connect the hood release cable (1) to the hood latch.
  10. Install all related panels and components.
  11. Install the front section of the air cleaner assembly. Refer to Air Cleaner Assembly Replacement .
  12. Close the hood.