GM Service Manual Online
For 1990-2009 cars only
Makes
🢒
Cadillac
🢒
2008
🢒
XLR
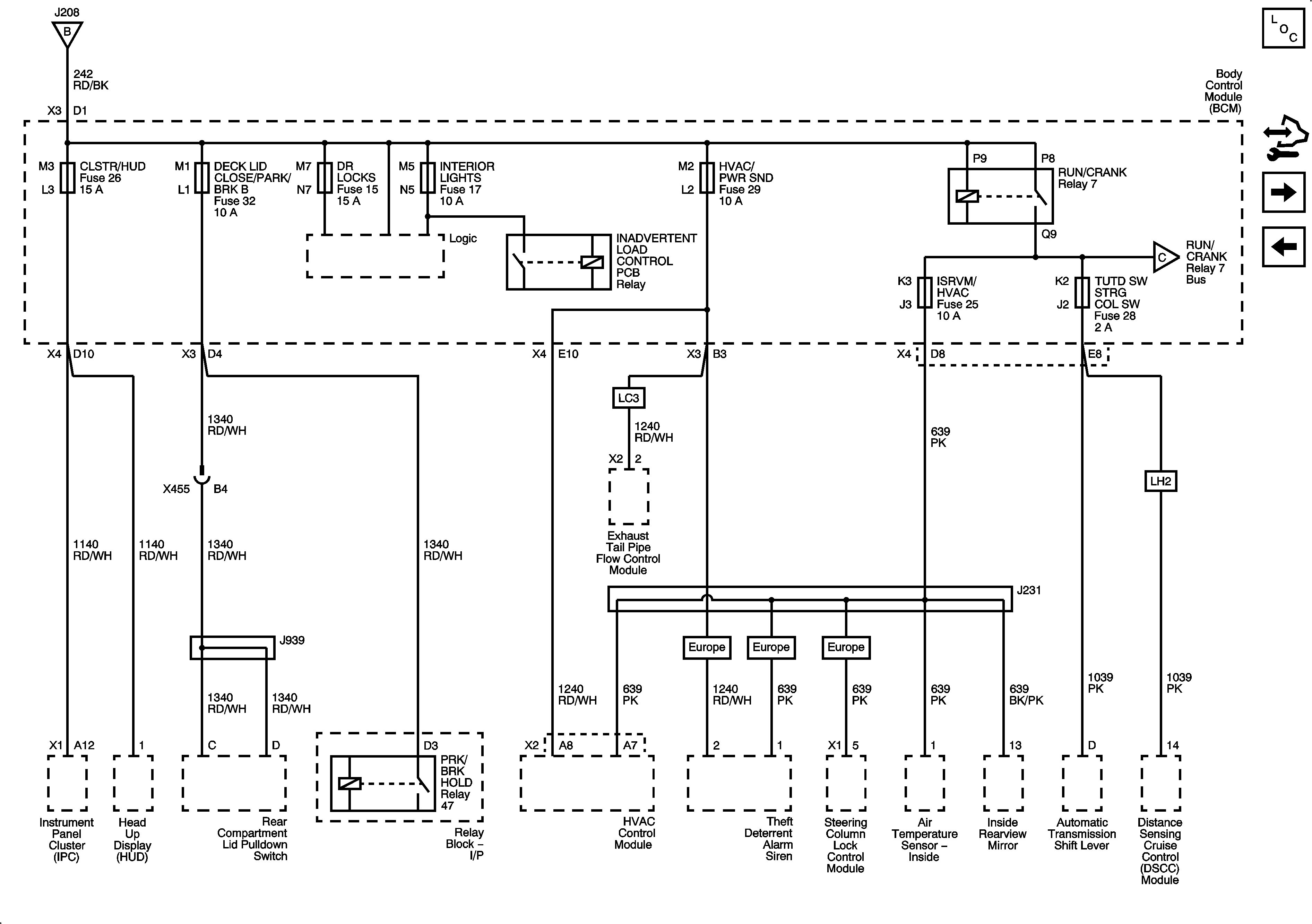
🢒 CLSTR/HUD, DECK LID CLOSE/PARK/BRK B, DR LOCKS, INTERIOR LIGHTS, HVAC/PWR SND, ISRVM/HVAC, TUTD SW STRG COL SW Fuses, and RUN/CRANK Relay
CLSTR/HUD, DECK LID CLOSE/PARK/BRK B, DR LOCKS, INTERIOR LIGHTS, HVAC/PWR SND, ISRVM/HVAC, TUTD SW STRG COL SW Fuses, and RUN/CRANK Relay
CLSTR/HUD, DECK LID CLOSE/PARK/BRK B, DR LOCKS, INTERIOR LIGHTS, HVAC/PWR SND, ISRVM/HVAC, TUTD SW STRG COL SW Fuses, and RUN/CRANK Relay
Master Electrical Component List
Control Module References
RPA/H/C SEAT/WIPR RELAYS, GMLAN DEVICES, ECM, SCMPSIR SW, ACC/TCM, and ABS/MRRTD/AFS Fuses
BATT3, STOP/B/U/LPS, BTSI SOL/COL LOCK, RADIO, S-BAND/VICS, PWR FLDG MIR - EXT RET, REAR FOG/ALDL, REVERESE LAMPS Fuses, and REVERSE LAMP Relay
BATT3, STOP/B/U/LPS, BTSI SOL/COL LOCK, RADIO, S-BAND/VICS, PWR FLDG MIR - EXT RET, REAR FOG/ALDL, REVERESE LAMPS Fuses, and REVERSE LAMP Relay
RPA/H/C SEAT/WIPR RELAYS, GMLAN DEVICES, ECM, SCMPSIR SW, ACC/TCM, and ABS/MRRTD/AFS Fuses