GM Service Manual Online
For 1990-2009 cars only
Makes
🢒
Cadillac
🢒
2008
🢒
XLR
🢒 G202
G202
G202 1 of 2
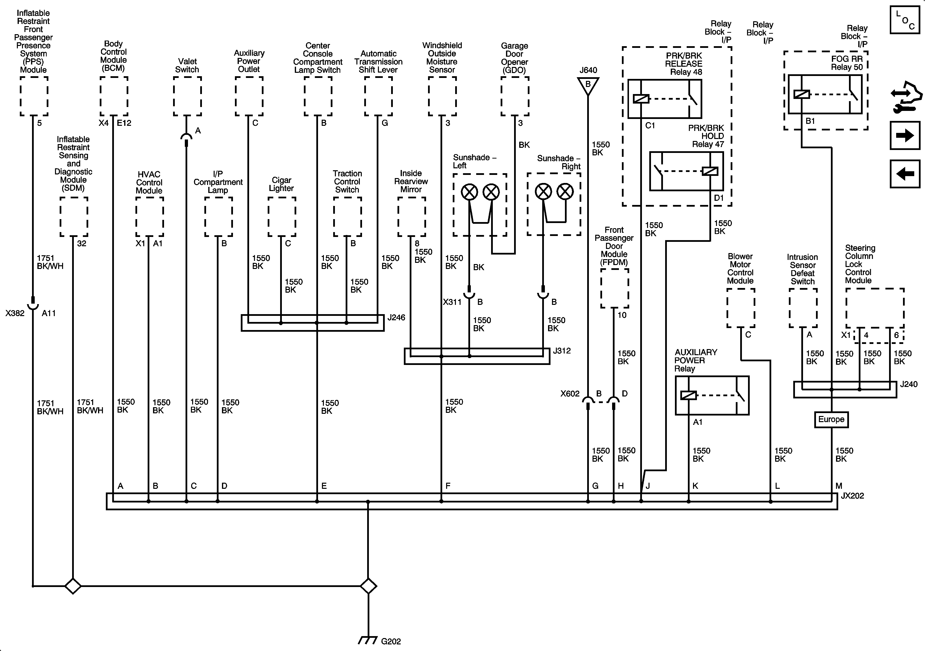
Master Electrical Component List
Control Module References
G202 Continued
G201
G202 Continued