GM Service Manual Online
For 1990-2009 cars only
Makes
🢒
Cadillac
🢒
2008
🢒
XLR
🢒 CMP Sensors, and Actuators
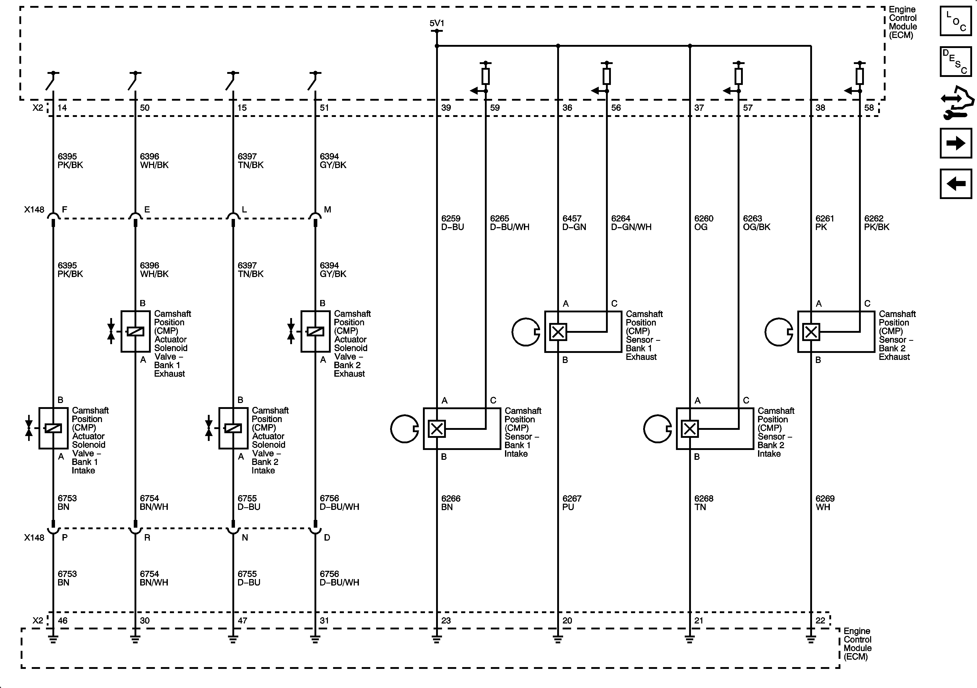
CMP Sensors, and Actuators
CMP Sensors, and Actuators
Master Electrical Component List
Camshaft Actuator System Description
Control Module References
Fuel Injectors
CKP and KS Sensors