GM Service Manual Online
For 1990-2009 cars only

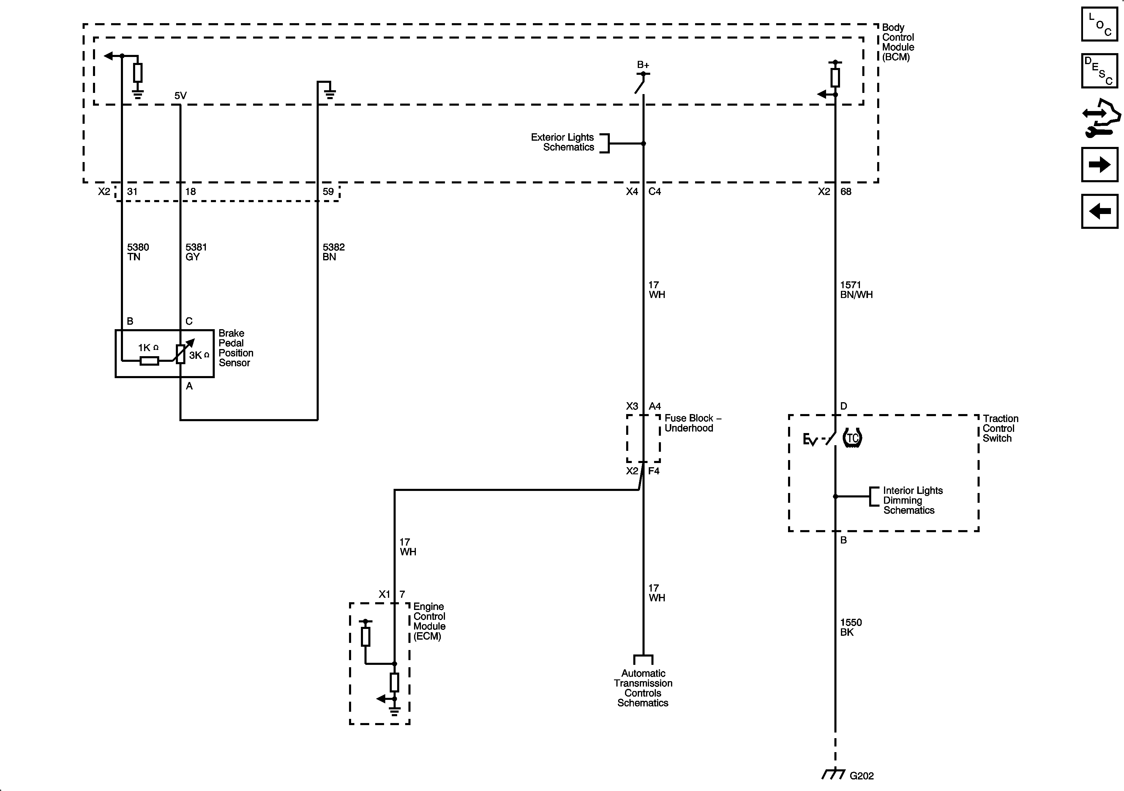
Brake Pedal Signal and Traction Control Switch

Brake Pedal Signal, and Traction Control Switch


Object Number: 1899575  Size: FS
Master Electrical Component List
ABS Description and Operation
Control Module References
Stability Control Sensors
Power, Ground, Indicators, and Brake Pressure Modulator Valve