GM Service Manual Online
For 1990-2009 cars only
Makes
🢒
Cadillac
🢒
2008
🢒
XLR
🢒 Wheel Speed Sensors
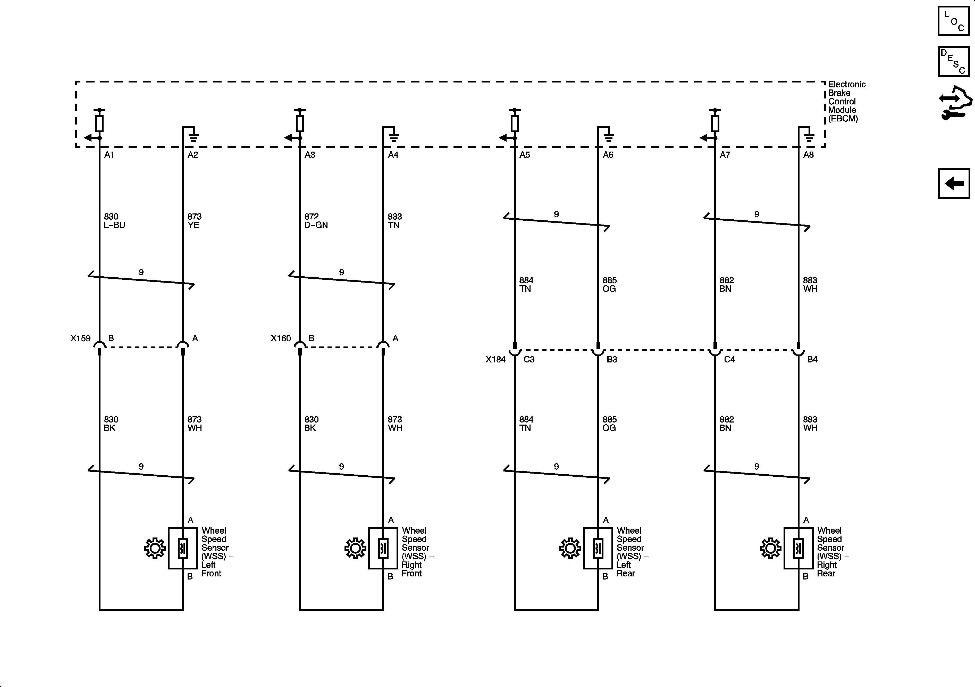
Wheel Speed Sensors
Wheel Speed Sensors
Master Electrical Component List
ABS Description and Operation
Control Module References
Stability Control Sensors