GM Service Manual Online
For 1990-2009 cars only
Makes
🢒
Cadillac
🢒
2008
🢒
XLR
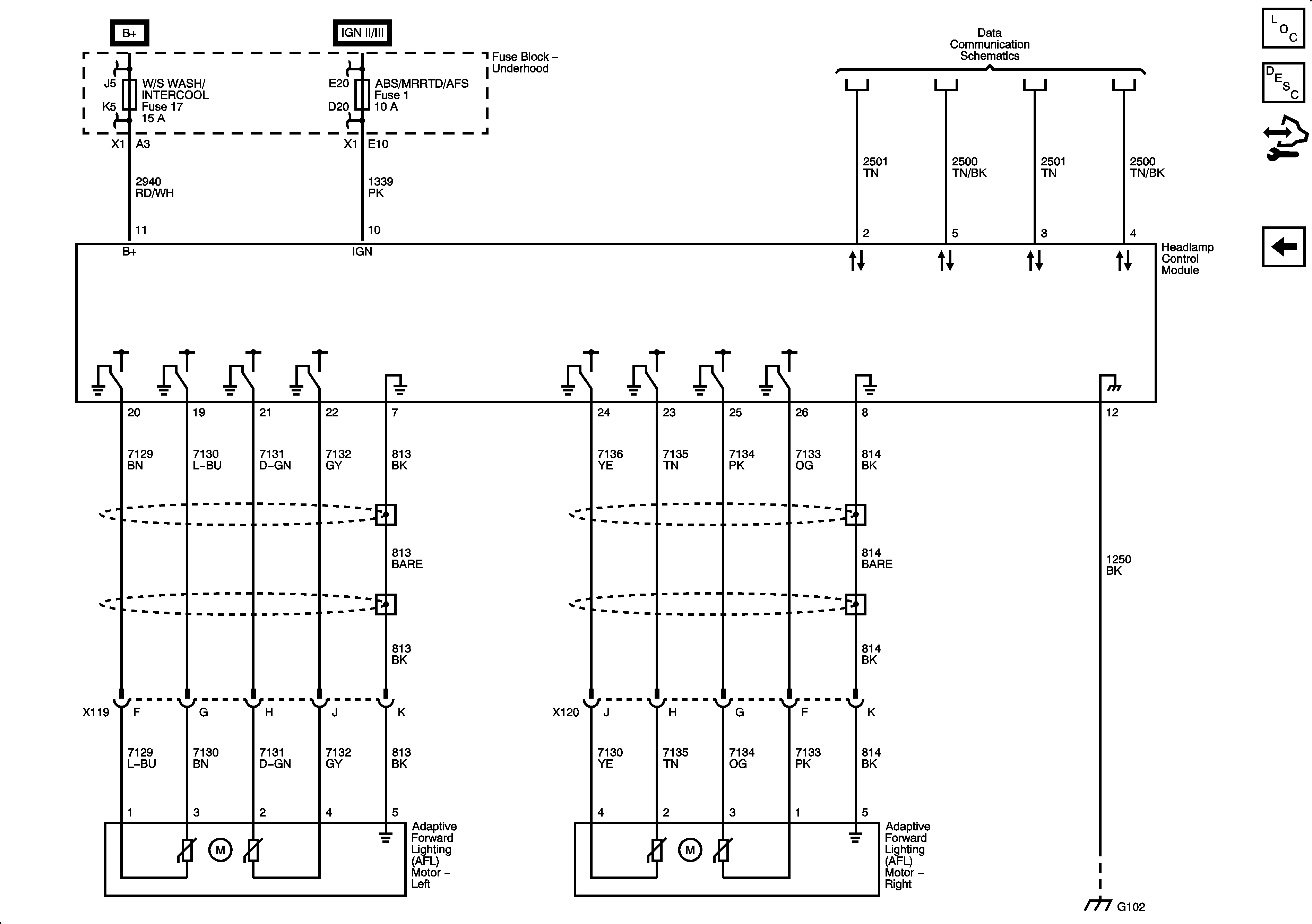
🢒 Adaptive Forward Lighting System (AFS) - Except Japan and Europe
Adaptive Forward Lighting System (AFS) - Except Japan and Europe
Adaptive Forward Lighting System (AFS) - Except Japan and Europe
Master Electrical Component List
Exterior Lighting Systems Description and Operation
Control Module References
Headlamps
Fuse Block - Underhood Bussing
COOLFAN, AMP, HVAC, ABS, W/S WASH/INTERCOOL, MRRTD, ECM/TCM, HORN, and BATT2 Fuses
RPA/H/C SEAT/WIPR RELAYS, GMLAN DEVICES, ECM, SCMPSIR SW, ACC/TCM, and ABS/MRRTD/AFS Fuses
GMLAN
G102