GM Service Manual Online
For 1990-2009 cars only
Makes
🢒
Cadillac
🢒
2008
🢒
XLR
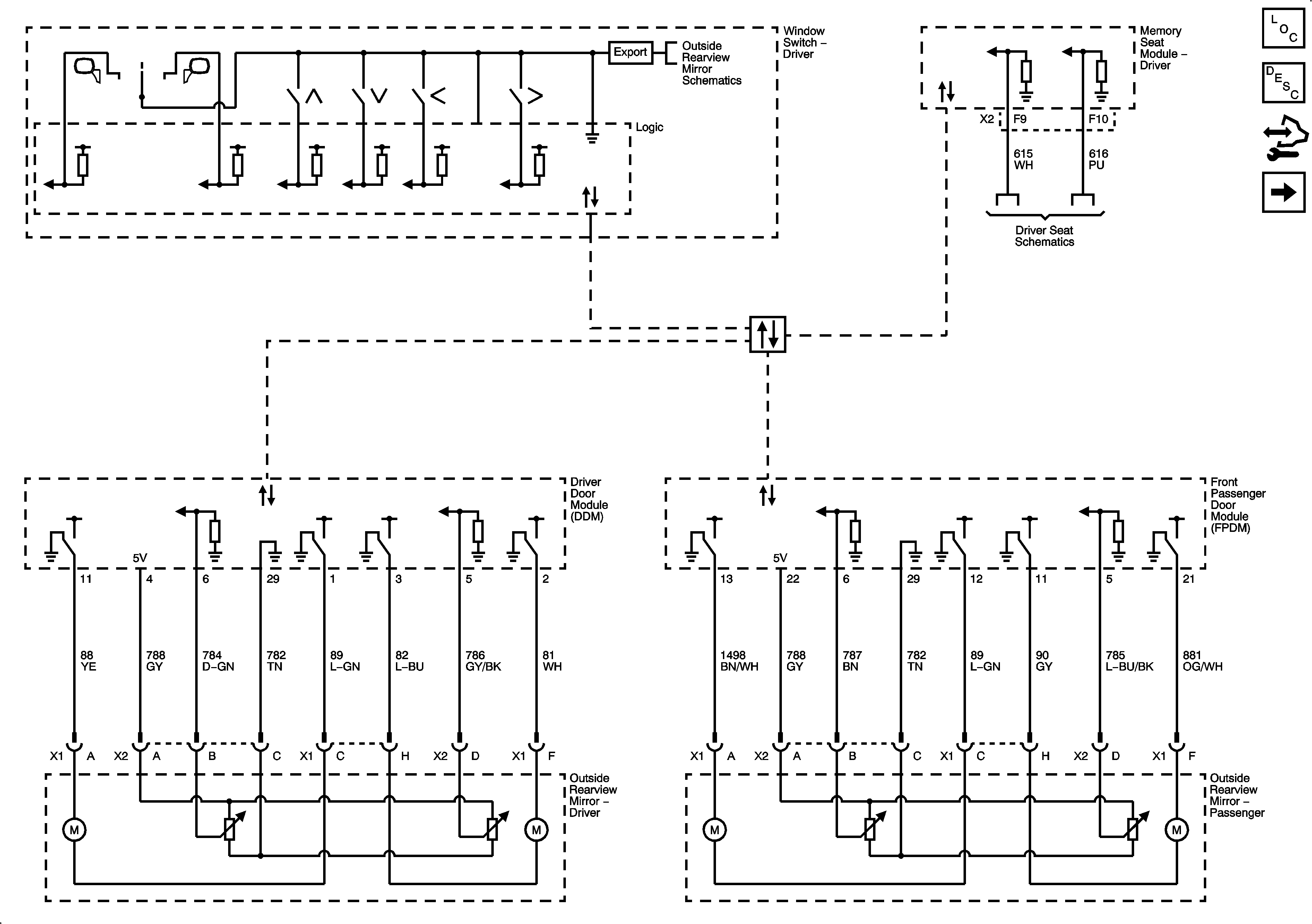
🢒 Memory Power Mirrors
Memory Power Mirrors
Memory Power Mirrors
Master Electrical Component List
Outside Mirror Description and Operation
Control Module References
Dimming Mirror and Heated Mirror
Power Folding Mirror - Export
Power, Ground, DLC, Switches, and References
Power, Ground, and Class 2