GM Service Manual Online
For 1990-2009 cars only
Makes
🢒
Cadillac
🢒
2009
🢒
XLR
🢒
Diagnostic Navigation
🢒
Vehicle Diagnostic Information
🢒 Cruise Control Schematics
Cruise Control Schematics Conventional
Figure
1:
Driver Controls
Master Electrical Component List
Cruise Control Description and Operation (Conventional Cruise)
Control Module References
Computer Controls, and Indicators
Power Moding Schematics
Steering Wheel Secondary/Configurable Control Schematics
Switches
Stop and License Lamps
Power, Ground, and Serial Data
Figure
2:
Computer Controls and Indicators
Master Electrical Component List
Cruise Control Description and Operation (Conventional Cruise)
Control Module References
Driver Controls
Power, Ground, and Class 2
Engine Data Sensors - Pressure, Temperature, and Throttle Controls
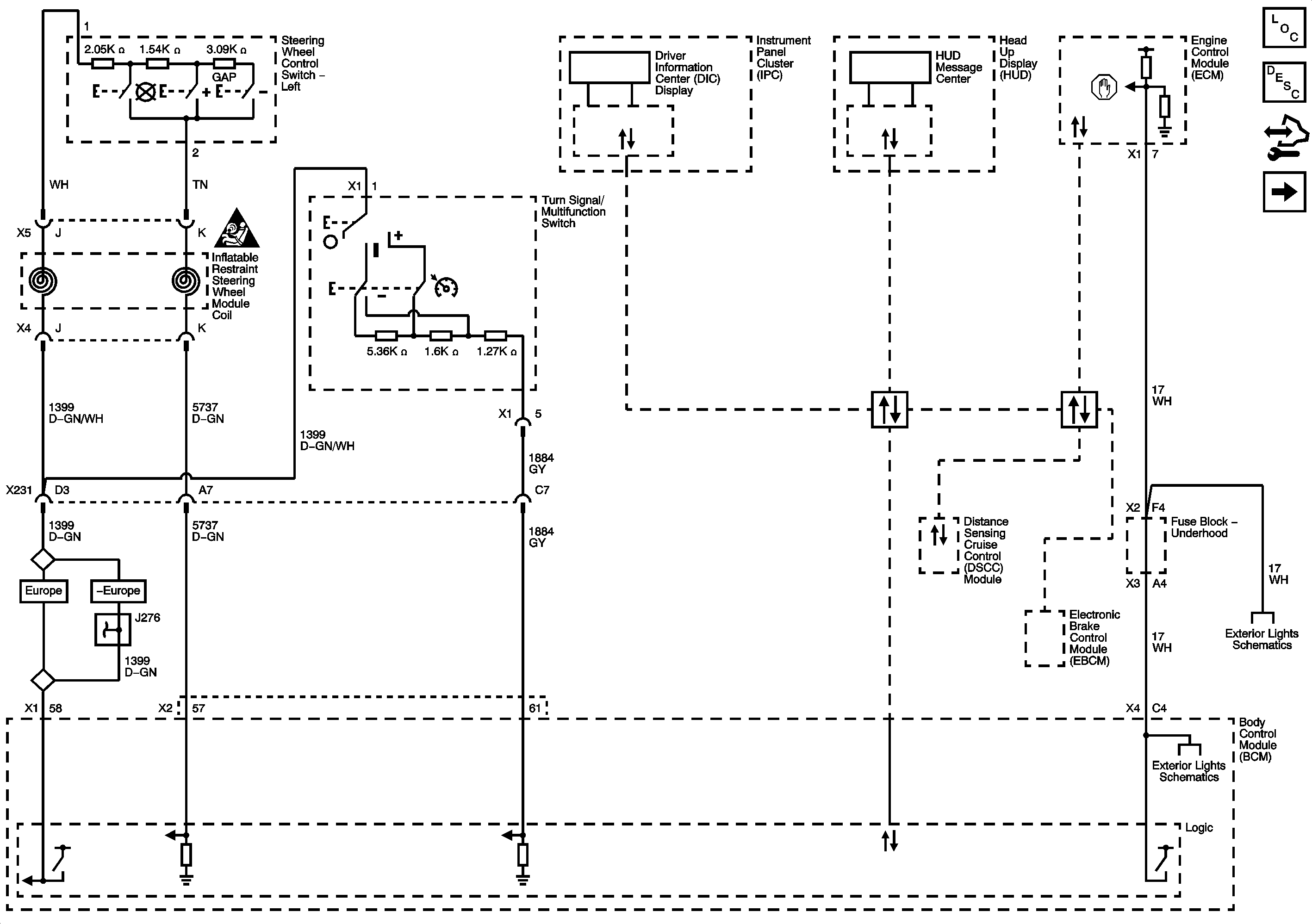
Cruise Control Schematics Adaptive
Figure
1:
Driver Controls
Master Electrical Component List
Cruise Control Description and Operation (Adaptive Cruise)
Control Module References
Computer Controls, and Indicators
Power Moding Schematics
Master Electrical Schematic Icons
Switches
Stop and License Lamps
Power, Ground, and Serial Data
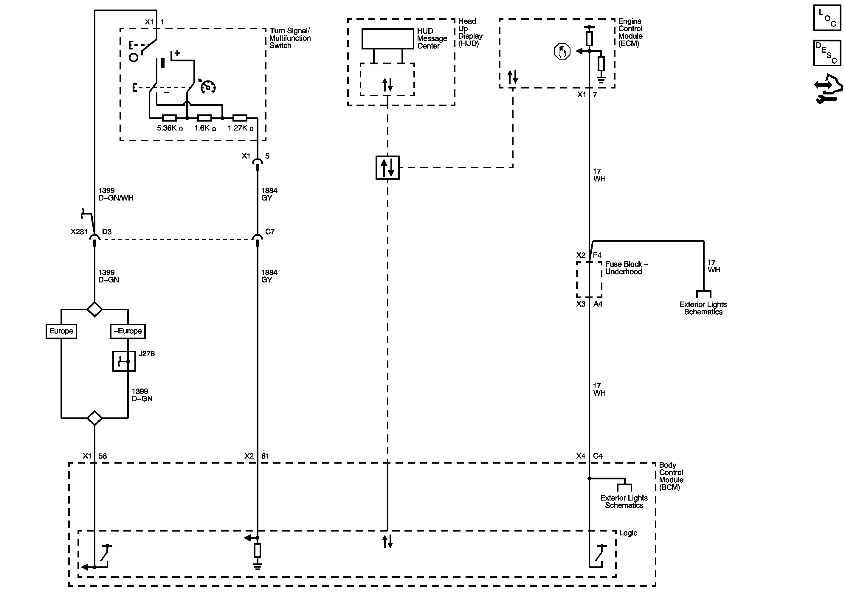
Figure
2:
Computer Controls and Indicators
Master Electrical Component List
Cruise Control Description and Operation (Adaptive Cruise)
Control Module References
Forward Looking Sensor
Driver Controls
BATT5, TILT/TELE SW/MEM SEAT MOD, ACCA/DRIV DR SW, IGN SW/INTR SENSR, ONSTAR, and PRK BRK SOLA Fuses
CLSTR/HUD, DECK LID CLOSE/PARK/BRK B, DR LOCKS, INTERIOR LIGHTS, HVAC/PWR SND, ISRVM/HVAC, TUTD SW STRG COL SW Fuses, and RUN/CRANK Relay
CLSTR/HUD, DECK LID CLOSE/PARK/BRK B, DR LOCKS, INTERIOR LIGHTS, HVAC/PWR SND, ISRVM/HVAC, TUTD SW STRG COL SW Fuses, and RUN/CRANK Relay
GMLAN
Power, Ground, and Class 2
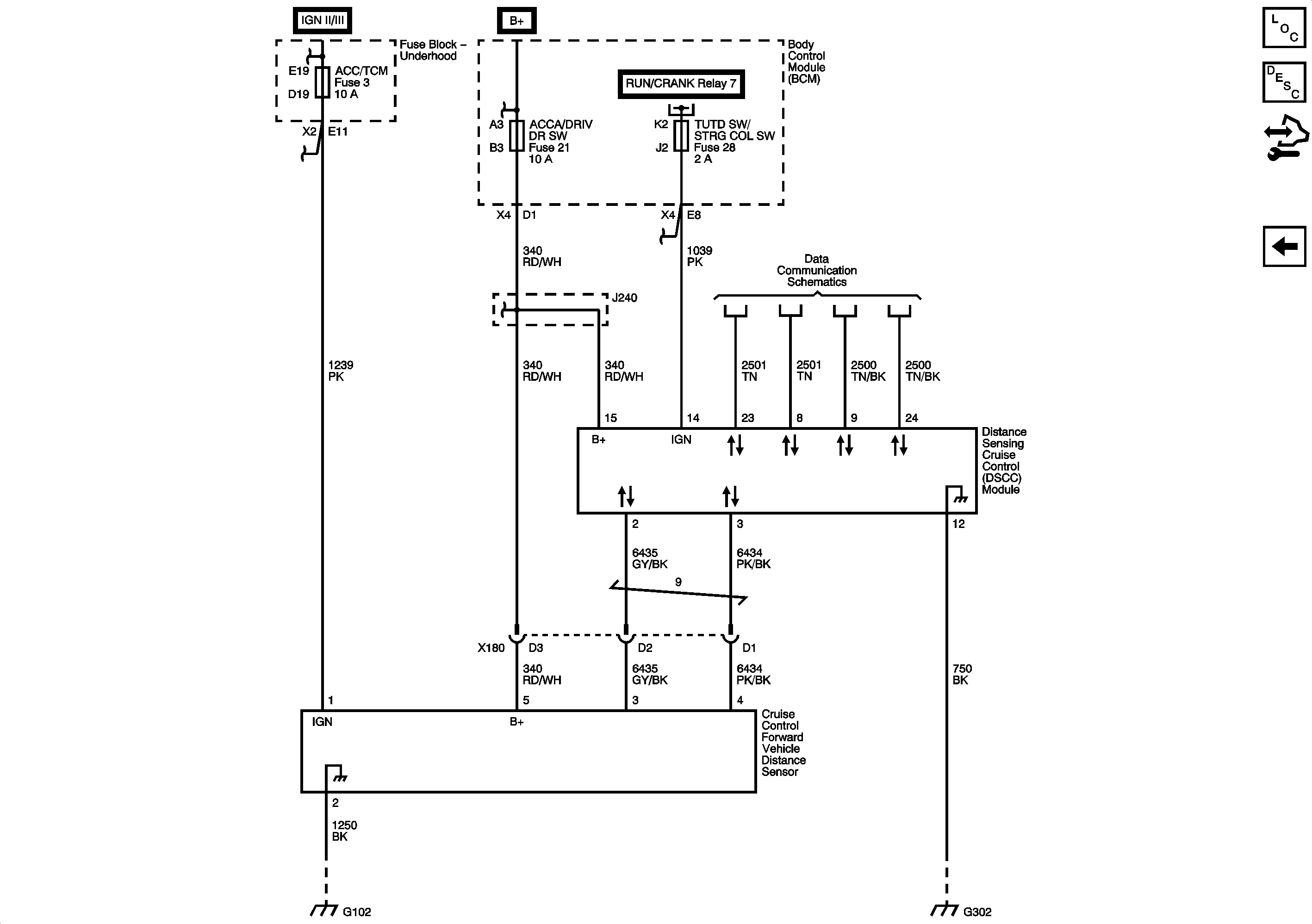
Forward Looking Sensor
Electronic Throttle Controls
Forward Looking Sensor
G302, G401, and G402
Figure
3:
Forward Looking Sensor
Master Electrical Component List
Cruise Control Description and Operation (Adaptive Cruise)
Control Module References
Computer Controls, and Indicators
RPA/H/C SEAT/WIPR RELAYS, GMLAN DEVICES, ECM, SCMPSIR SW, ACC/TCM, and ABS/MRRTD/AFS Fuses
RPA/H/C SEAT/WIPR RELAYS, GMLAN DEVICES, ECM, SCMPSIR SW, ACC/TCM, and ABS/MRRTD/AFS Fuses
Computer Controls, and Indicators
Computer Controls, and Indicators
G102