GM Service Manual Online
For 1990-2009 cars only
Makes
🢒
Cadillac
🢒
2009
🢒
XLR
🢒
Diagnostic Navigation
🢒
Vehicle Diagnostic Information
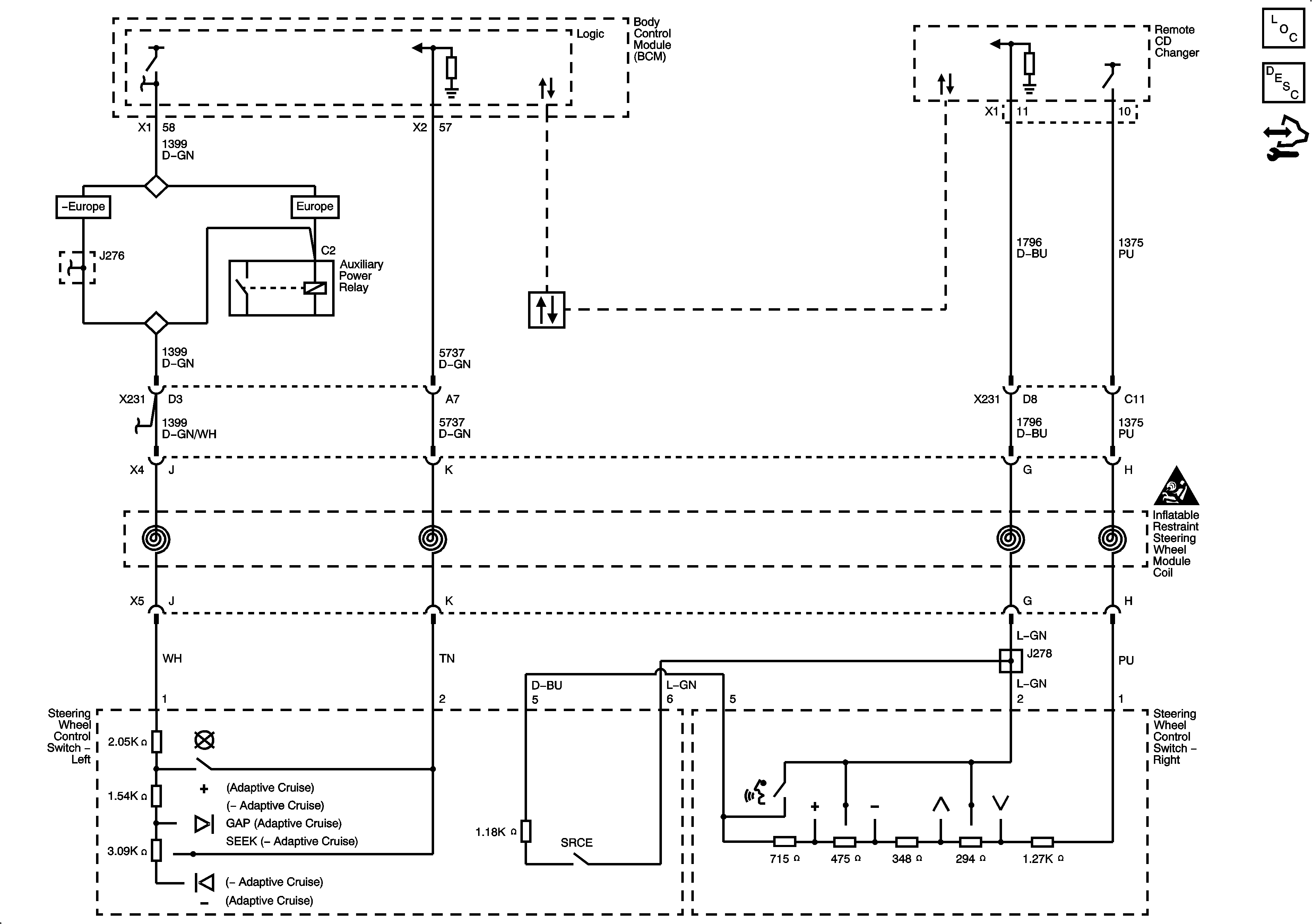
🢒 Steering Wheel Secondary/Configurable Control Schematics
Master Electrical Component List
Steering Wheel Controls Description and Operation
Control Module References
Ignition Mode Switch
Ignition Mode Switch
Ignition Mode Switch
Power, Ground, and Class 2
Master Electrical Schematic Icons