GM Service Manual Online
For 1990-2009 cars only
Figure 1:

ECM Power, Ground, MIL, and Serial Data


Object Number: 2075624  Size: FS
Master Electrical Component List
Engine Control Module Description
Control Module References
5-Volt reference Bussing
Fuse Block - Underhood Bussing
COOLFAN, AMP, HVAC, ABS, W/S WASH/INTERCOOL, MRRTD, ECM/TCM, HORN, and BATT2 Fuses
COOLFAN, AMP, HVAC, ABS, W/S WASH/INTERCOOL, MRRTD, ECM/TCM, HORN, and BATT2 Fuses
Fuse Block - Underhood Bussing
CLSTR/HUD, DECK LID CLOSE/PARK/BRK B, DR LOCKS, INTERIOR LIGHTS, HVAC/PWR SND, ISRVM/HVAC, TUTD SW STRG COL SW Fuses, and RUN/CRANK Relay
RPA/H/C SEAT/WIPR RELAYS, GMLAN DEVICES, ECM, SCMPSIR SW, ACC/TCM, and ABS/MRRTD/AFS Fuses
RPA/H/C SEAT/WIPR RELAYS, GMLAN DEVICES, ECM, SCMPSIR SW, ACC/TCM, and ABS/MRRTD/AFS Fuses
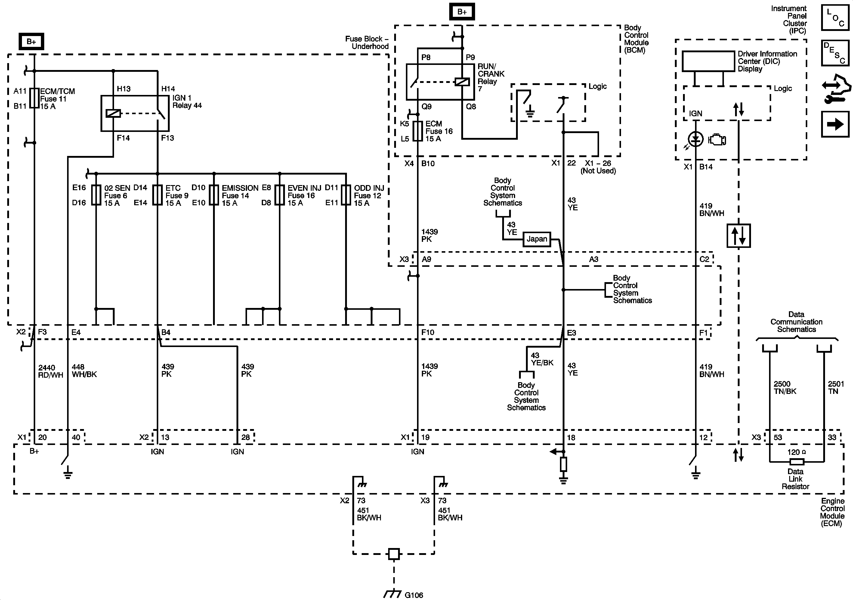
Power, Ground, and DLC
Power, Ground, and DLC
Power, Ground, and DLC
Power, Ground, and Class 2
GMLAN
G104, and G106
Figure 2:

5-Volt Reference Bussing


Object Number: 2075625  Size: FS
Master Electrical Component List
Engine Control Module Description
Control Module References
Low Reference Bussing
ECM Power, Ground, MIL, and Serial Data
Figure 3:

Low Reference Bussing


Object Number: 2075628  Size: FS
Master Electrical Component List
Engine Control Module Description
Control Module References
MAF/IAT, ECT, MAP Sensors, and Stop Lamp Switch Signal
5-Volt reference Bussing
Figure 4:

MAF/IAT, ECT, MAP Sensors, and Stop Lamp Switch Signal


Object Number: 2075629  Size: FS
Master Electrical Component List
Engine Control Module Description
Control Module References
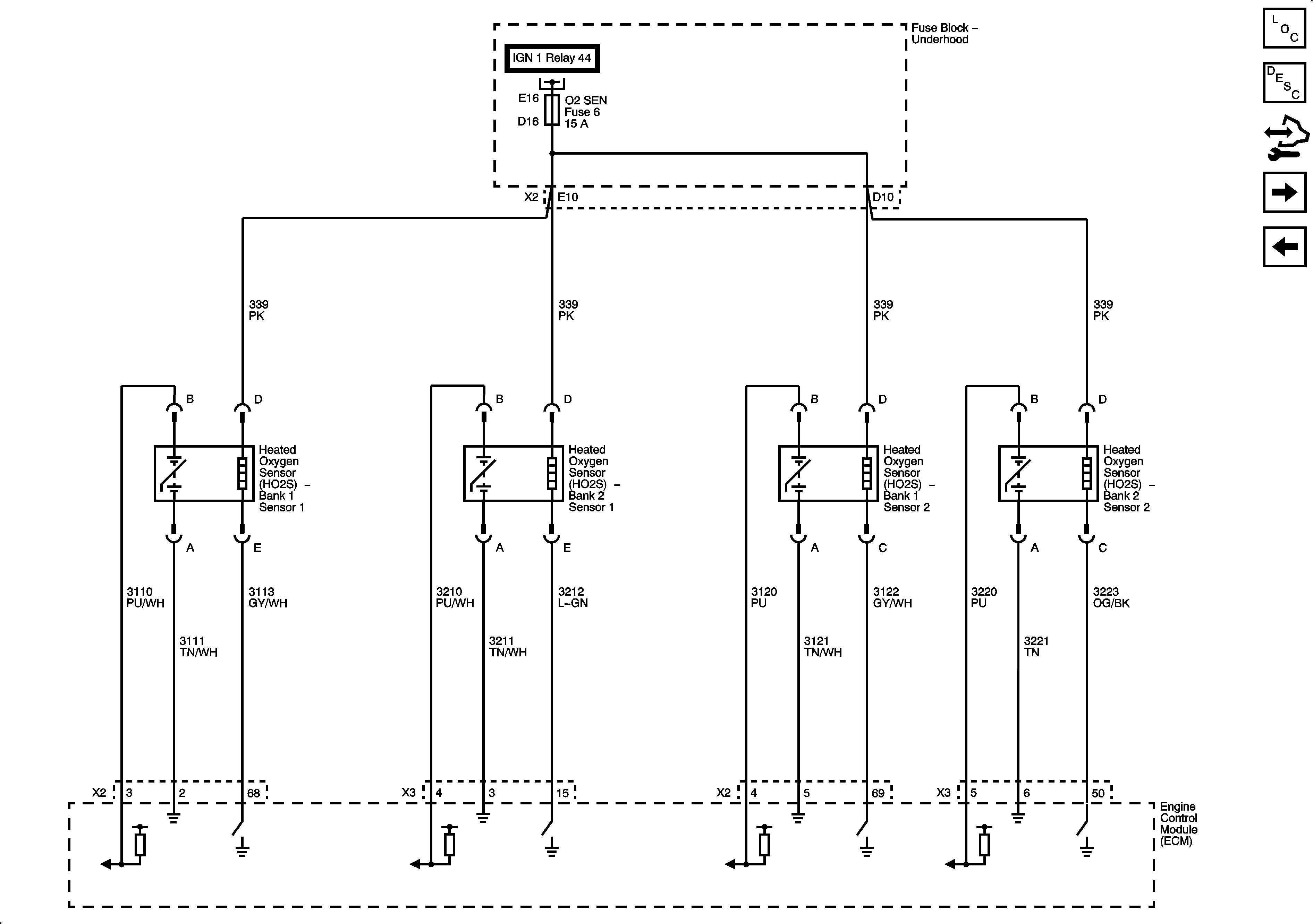
Heated Oxygen Sensors
Low Reference Bussing
ECM Power, Ground, MIL, and Serial Data
ETC, O2 SEN, EMISSION, ODD INJ, EVEN INJ Fuses, and IGN 1 Relay
Stop and License Lamps
Gages
Power, Ground, and Serial Data
G104, and G106
Figure 5:

Heated Oxygen Sensors


Object Number: 2075630  Size: FS
Master Electrical Component List
Engine Control Module Description
Control Module References
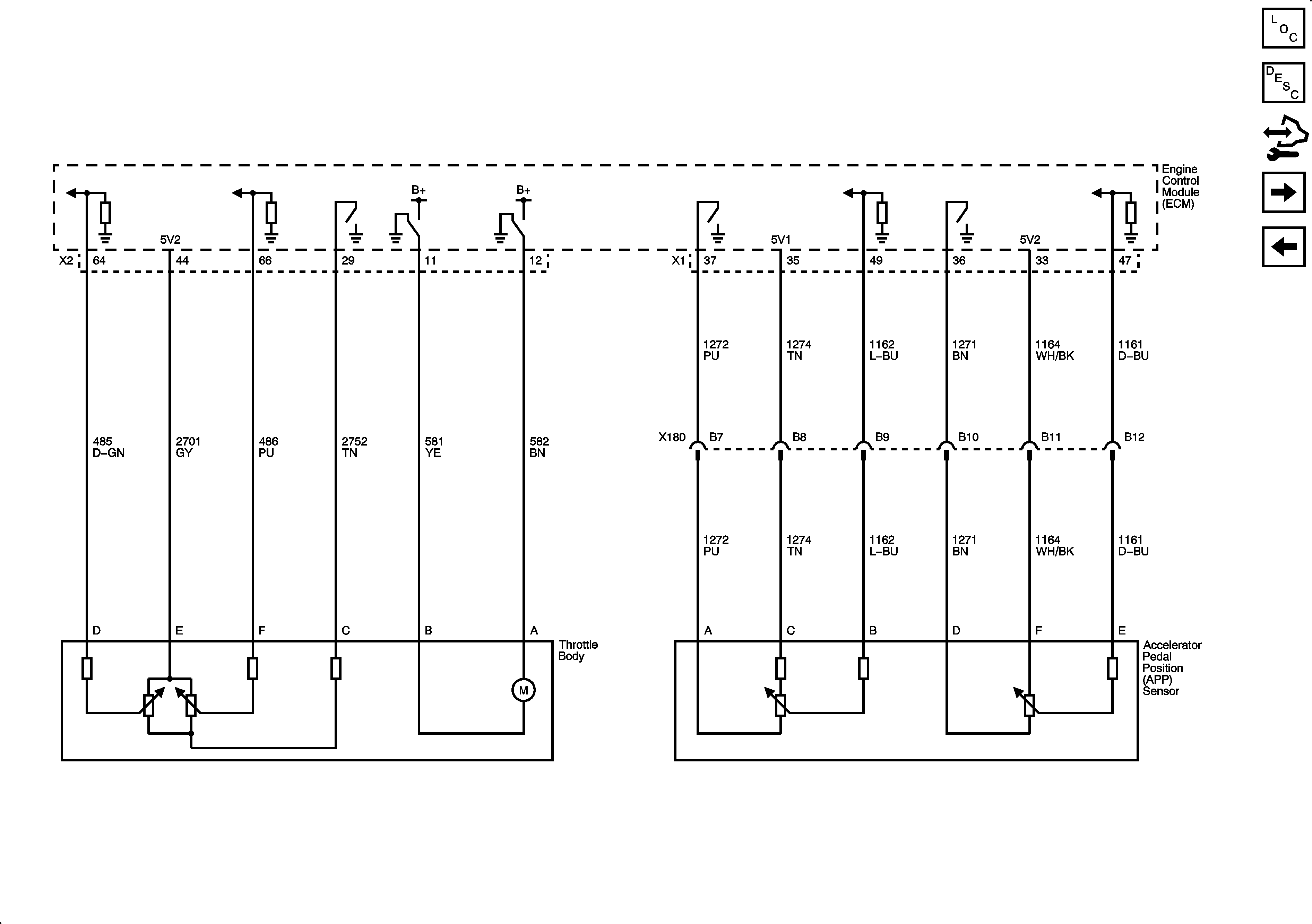
Electronic Throttle Controls
MAF/IAT, ECT, MAP Sensors, and Stop Lamp Switch Signal
ECM Power, Ground, MIL, and Serial Data
Figure 6:

Electronic Throttle Controls


Object Number: 2075631  Size: FS
Master Electrical Component List
Throttle Actuator Control (TAC) System Description
Control Module References
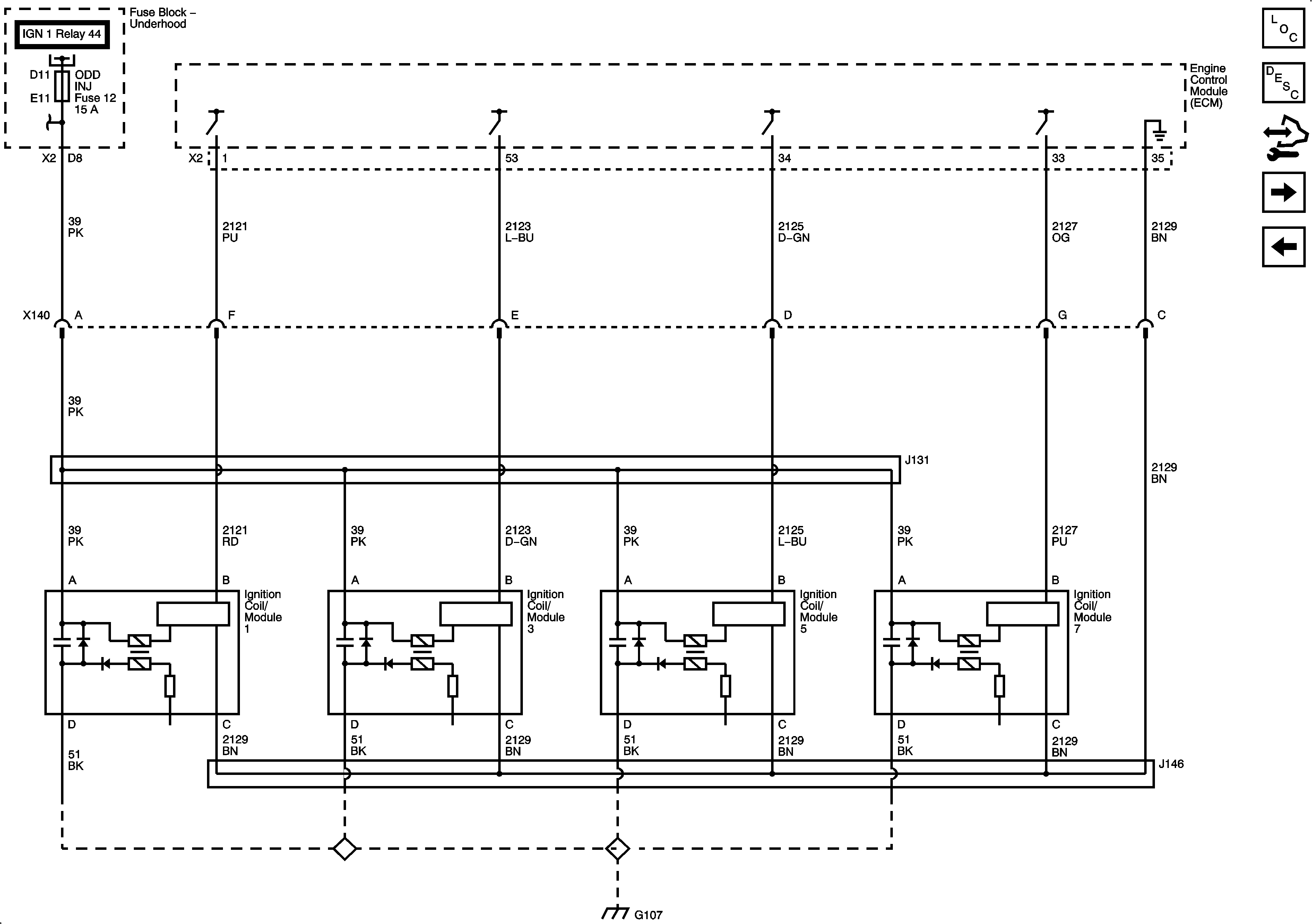
Ignition Coils Bank 1
Heated Oxygen Sensors
Figure 7:

Ignition Coils Bank 1


Object Number: 2075632  Size: FS
Master Electrical Component List
Electronic Ignition (EI) System Description
Control Module References
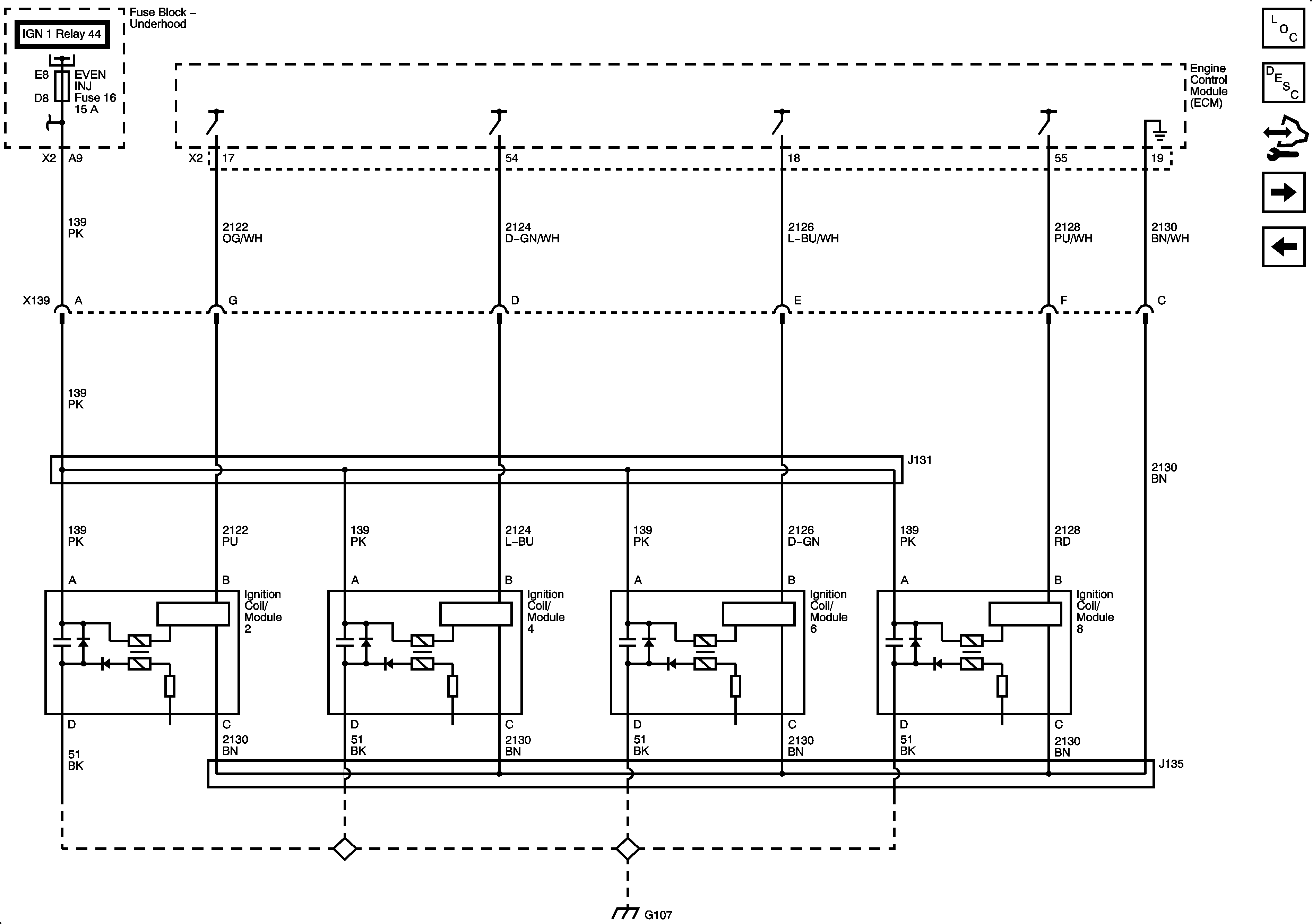
Ignition Coils Bank 2
Electronic Throttle Controls
ECM Power, Ground, MIL, and Serial Data
ETC, O2 SEN, EMISSION, ODD INJ, EVEN INJ Fuses, and IGN 1 Relay
G105, G107, G109, G110, G111, and G112
Figure 8:

Ignition Coils Bank 2


Object Number: 2075633  Size: FS
Master Electrical Component List
Electronic Ignition (EI) System Description
Control Module References
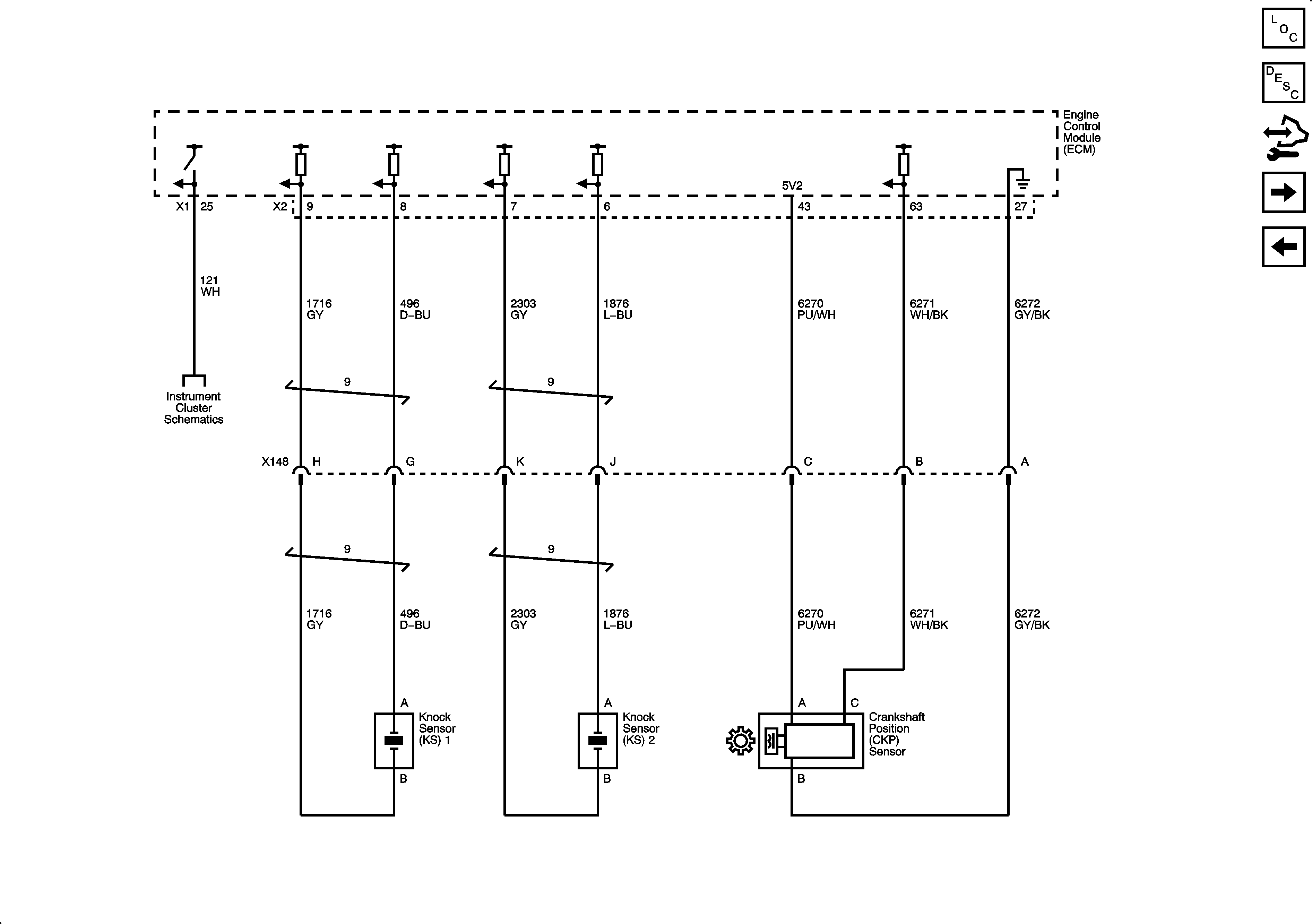
CKP and KS Sensors
Ignition Coils Bank 1
ECM Power, Ground, MIL, and Serial Data
ETC, O2 SEN, EMISSION, ODD INJ, EVEN INJ Fuses, and IGN 1 Relay
G105, G107, G109, G110, G111, and G112
Figure 9:

CKP and KS Sensors


Object Number: 2075634  Size: FS
Master Electrical Component List
Electronic Ignition (EI) System Description
Control Module References
CMP Sensors, and Actuators
Ignition Coils Bank 2
Gages
Figure 10:

CMP Sensors, and Actuators


Object Number: 2075636  Size: FS
Master Electrical Component List
Camshaft Actuator System Description
Control Module References
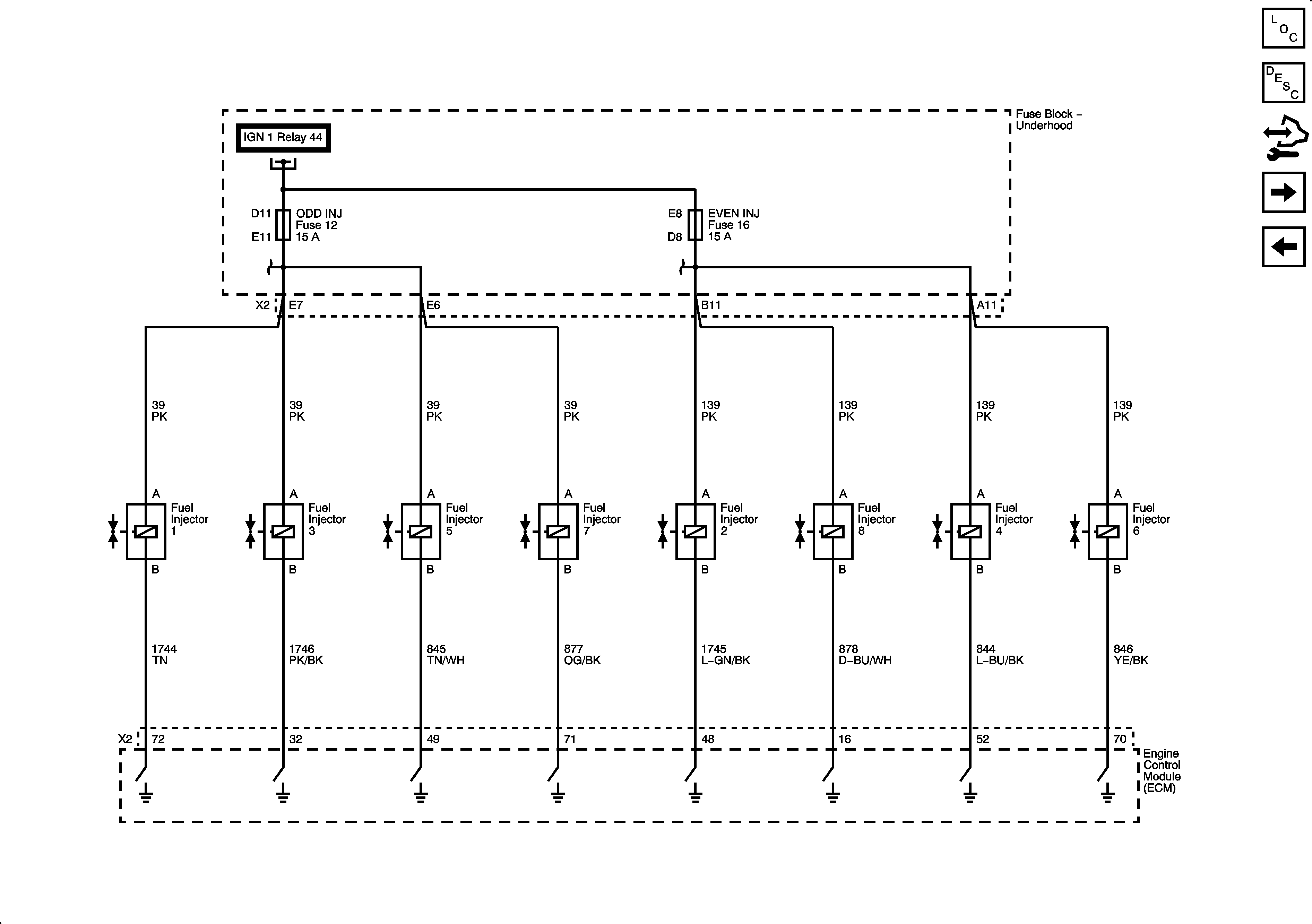
Fuel Injectors
CKP and KS Sensors
Figure 11:

Fuel Injectors


Object Number: 2075637  Size: FS
Master Electrical Component List
Fuel System Description
Control Module References
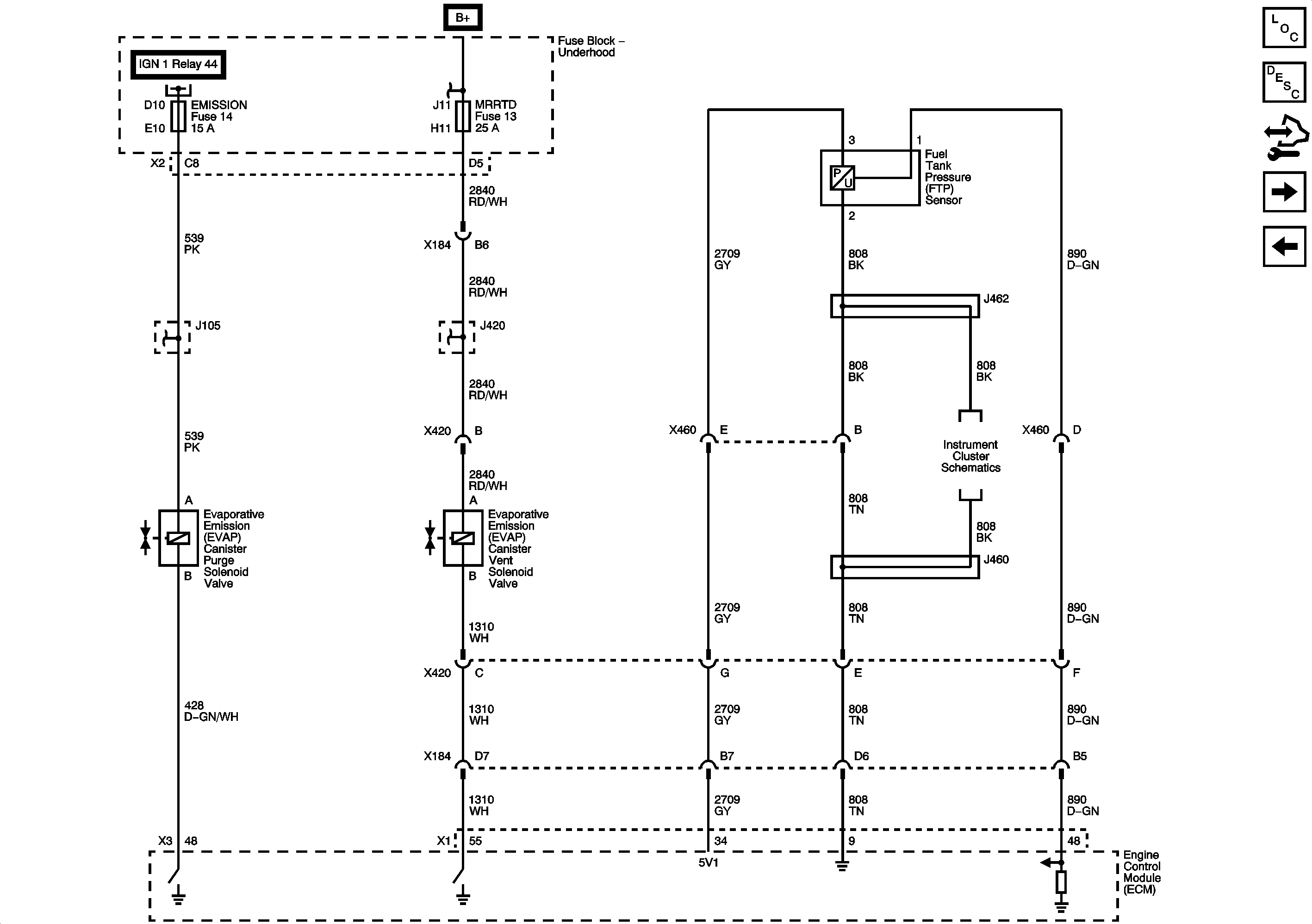
EVAP Solenoids, and FTP Sensor
CMP Sensors, and Actuators
ECM Power, Ground, MIL, and Serial Data
ETC, O2 SEN, EMISSION, ODD INJ, EVEN INJ Fuses, and IGN 1 Relay
ETC, O2 SEN, EMISSION, ODD INJ, EVEN INJ Fuses, and IGN 1 Relay
Figure 12:

EVAP Solenoids, and FTP Sensor


Object Number: 2075638  Size: FS
Master Electrical Component List
Evaporative Emission Control System Description
Control Module References
Fuel Pump Controls
Fuel Injectors
ECM Power, Ground, MIL, and Serial Data
ETC, O2 SEN, EMISSION, ODD INJ, EVEN INJ Fuses, and IGN 1 Relay
Fuse Block - Underhood Bussing
COOLFAN, AMP, HVAC, ABS, W/S WASH/INTERCOOL, MRRTD, ECM/TCM, HORN, and BATT2 Fuses
Gages
Figure 13:

Fuel Pump Controls


Object Number: 2075639  Size: FS
Master Electrical Component List
Fuel System Description
Control Module References
Controlled/Monitored Subsystem References
EVAP Solenoids, and FTP Sensor
Fuse Block - Underhood Bussing
Gages
G102
G102
G302, G401, and G402
Figure 14:

Controlled/Monitored Subsystem References


Object Number: 2075641  Size: FS
Master Electrical Component List
Engine Control Module Description
Control Module References
Fuel Pump Controls
Starting
A/C Compressor Controls
Engine Cooling Schematics
Engine Mechanical Schematics
Gages