GM Service Manual Online
For 1990-2009 cars only
Makes
🢒
Cadillac
🢒
2009
🢒
XLR
🢒
Brakes
🢒
Antilock Brake System
🢒 Antilock Brake System Schematics
Figure
1:
Power, Ground, Indicators, and Brake Pressure Modulator Valve
Master Electrical Component List
ABS Description and Operation
Control Module References
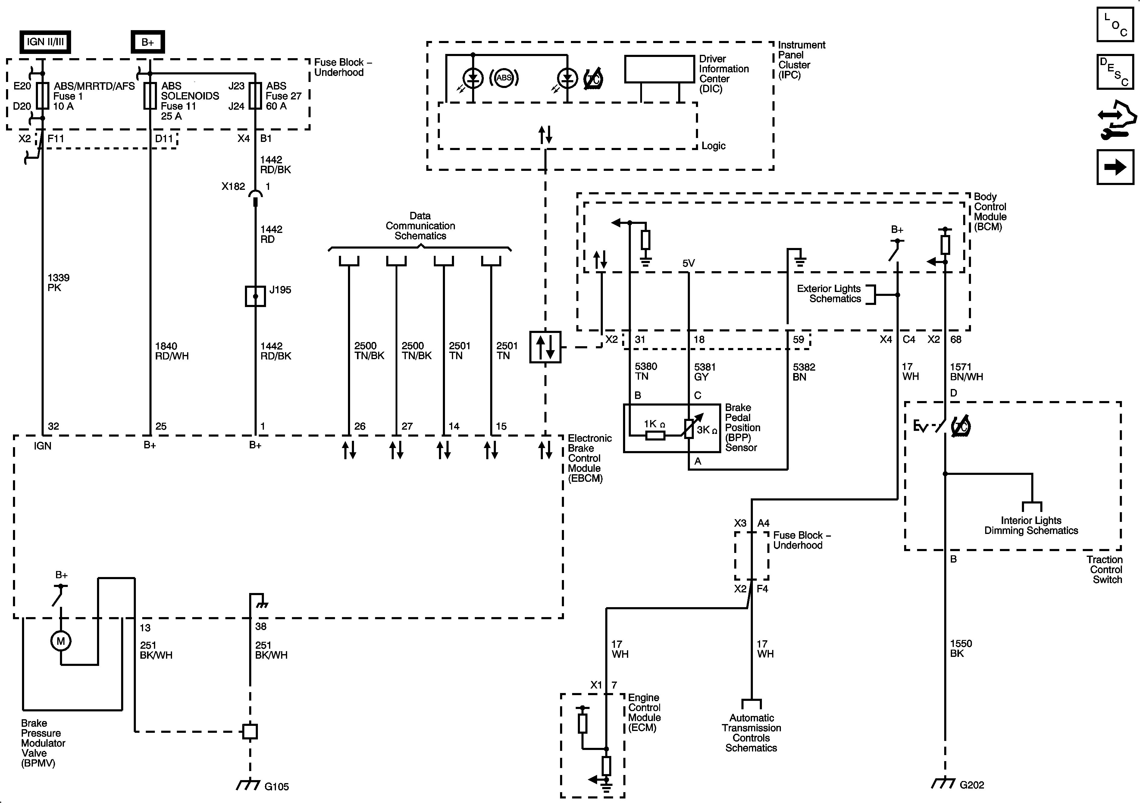
Brake Pedal Signal and Traction Control Switch
RPA/H/C SEAT/WIPR RELAYS, GMLAN DEVICES, ECM, SCMPSIR SW, ACC/TCM, and ABS/MRRTD/AFS Fuses
RPA/H/C SEAT/WIPR RELAYS, GMLAN DEVICES, ECM, SCMPSIR SW, ACC/TCM, and ABS/MRRTD/AFS Fuses
Fuse Block - Underhood Bussing
COOLFAN, AMP, HVAC, ABS, W/S WASH/INTERCOOL, MRRTD, ECM/TCM, HORN, and BATT2 Fuses
Power, Ground, and Class 2
GMLAN
G105, G107, G109, G110, G111, and G112
Figure
2:
Brake Pedal Signal, and Traction Control Switch
Master Electrical Component List
ABS Description and Operation
Control Module References
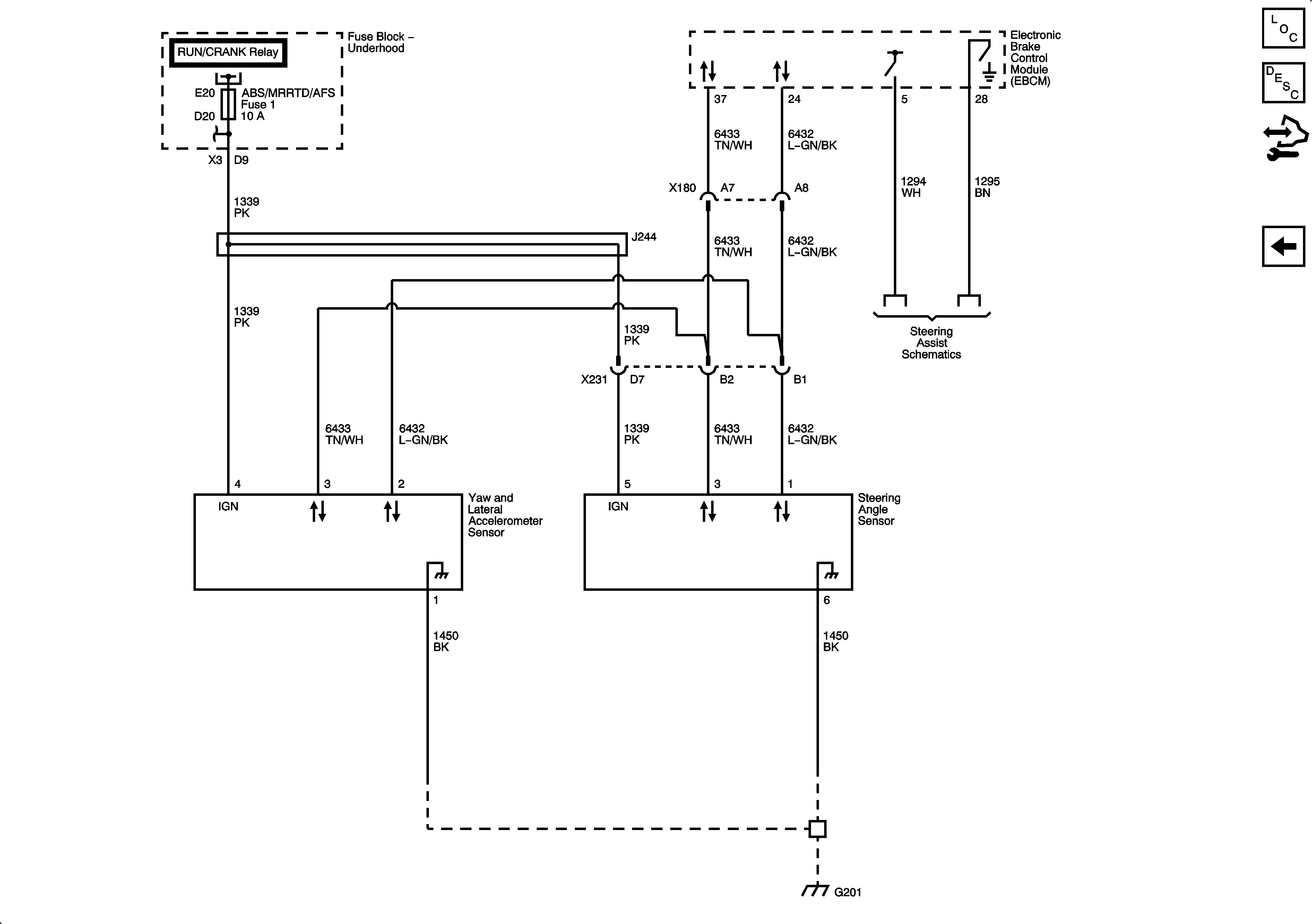
Stability Control Sensors
Power, Ground, Indicators, and Brake Pressure Modulator Valve
Stop and License Lamps
DLC, HVAC Control Module, Radio, and Switches
Power, Ground, and Serial Data
G202 1 of 2
Figure
3:
Stability Control Sensors
Master Electrical Component List
ABS Description and Operation
Control Module References
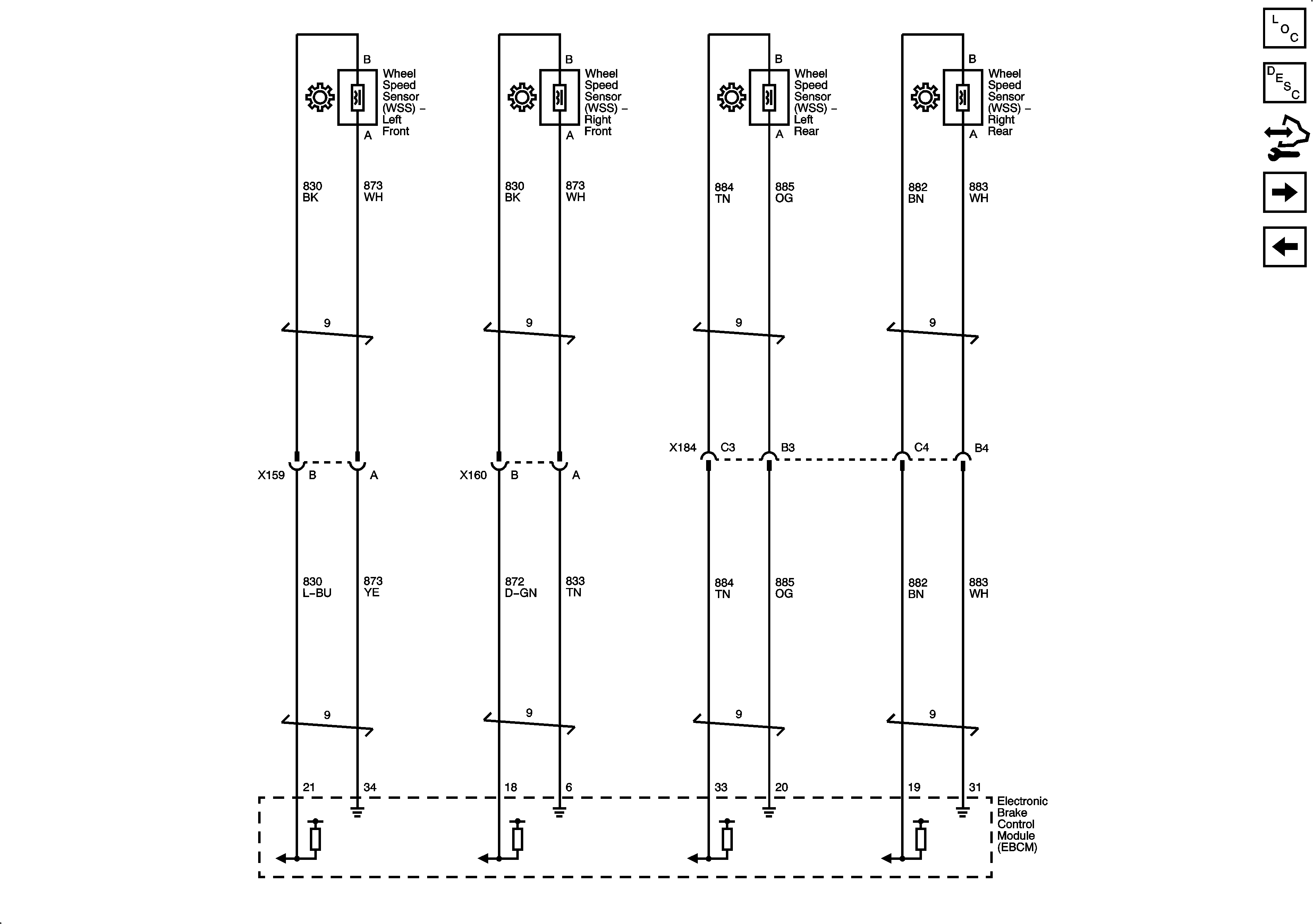
Wheel Speed Sensors
Brake Pedal Signal and Traction Control Switch
CLSTR/HUD, DECK LID CLOSE/PARK/BRK B, DR LOCKS, INTERIOR LIGHTS, HVAC/PWR SND, ISRVM/HVAC, TUTD SW STRG COL SW Fuses, and RUN/CRANK Relay
RPA/H/C SEAT/WIPR RELAYS, GMLAN DEVICES, ECM, SCMPSIR SW, ACC/TCM, and ABS/MRRTD/AFS Fuses
RPA/H/C SEAT/WIPR RELAYS, GMLAN DEVICES, ECM, SCMPSIR SW, ACC/TCM, and ABS/MRRTD/AFS Fuses
Power Steering Schematics
G201
Figure
4:
Wheel Speed Sensors
Master Electrical Component List
ABS Description and Operation
Control Module References
Stability Control Sensors