GM Service Manual Online
For 1990-2009 cars only
Makes
🢒
Cadillac
🢒
2009
🢒
XLR
🢒
Transmission
🢒
Automatic Transmission - 6L50/6L80/6L90
🢒 Automatic Transmission Controls Schematics
Figure
1:
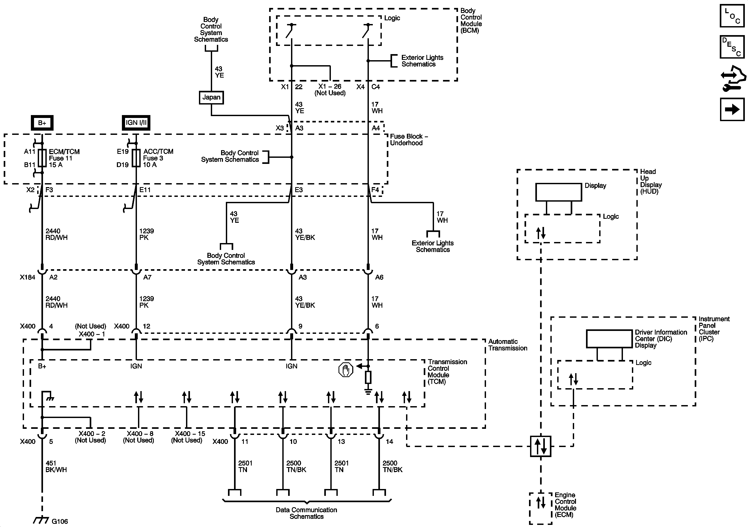
Power, Ground, and Serial Data
Master Electrical Component List
Transmission General Description
Control Module References
IMS Switch, and ISS, OSS Sensors
Fuse Block - Underhood Bussing
COOLFAN, AMP, HVAC, ABS, W/S WASH/INTERCOOL, MRRTD, ECM/TCM, HORN, and BATT2 Fuses
RPA/H/C SEAT/WIPR RELAYS, GMLAN DEVICES, ECM, SCMPSIR SW, ACC/TCM, and ABS/MRRTD/AFS Fuses
RPA/H/C SEAT/WIPR RELAYS, GMLAN DEVICES, ECM, SCMPSIR SW, ACC/TCM, and ABS/MRRTD/AFS Fuses
Power, Ground, and DLC
Power, Ground, and DLC
Power, Ground, and DLC
Stop and License Lamps
Stop and License Lamps
GMLAN
Power, Ground, and Class 2
G104, and G106
Figure
2:
IMS Switch, and ISS, OSS Sensors
Master Electrical Component List
Electronic Component Description
Control Module References
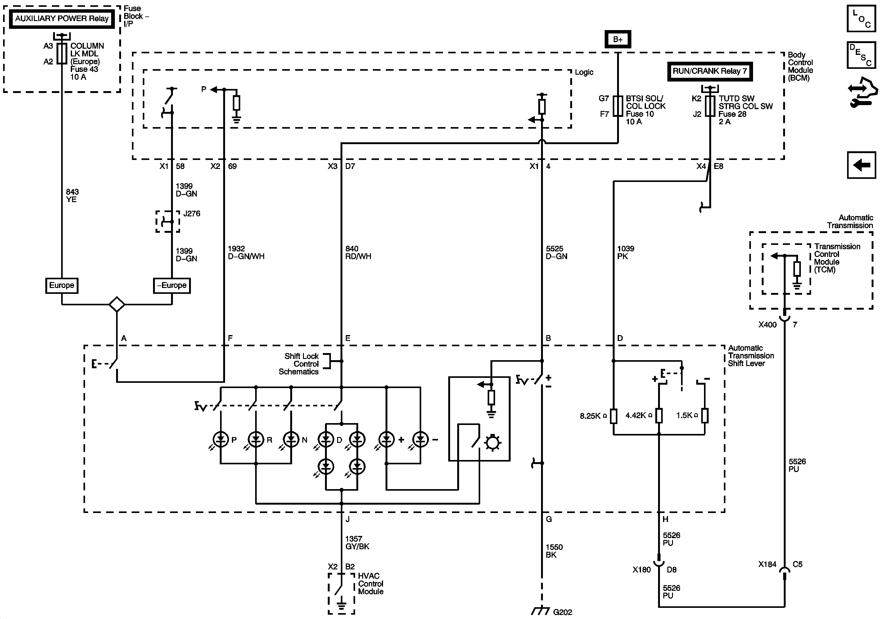
Shift Lever
Power, Ground, and Serial Data
Figure
3:
Shift Lever
Master Electrical Component List
Transmission General Description
Control Module References
IMS Switch, and ISS, OSS Sensors
AUXILIARY POWER Relay, and CIGAR LTR, AUX PWR, FOLDING TOP/TRUNK LATCH, COLUMN LK MDL (EUROPE) Fuses
Power Moding Schematics
BATT3, STOP/B/U/LPS, BTSI SOL/COL LOCK, RADIO, S-BAND/VICS, PWR FLDG MIR-EXT RET, REAR FOG/ALDL, REVERSE LAMPS Fuses, and Reverse LAMP Relay
CLSTR/HUD, DECK LID CLOSE/PARK/BRK B, DR LOCKS, INTERIOR LIGHTS, HVAC/PWR SND, ISRVM/HVAC, TUTD SW STRG COL SW Fuses, and RUN/CRANK Relay
CLSTR/HUD, DECK LID CLOSE/PARK/BRK B, DR LOCKS, INTERIOR LIGHTS, HVAC/PWR SND, ISRVM/HVAC, TUTD SW STRG COL SW Fuses, and RUN/CRANK Relay
Shift Lock Control Schematics
G202 1 of 2
G202 1 of 2