GM Service Manual Online
For 1990-2009 cars only

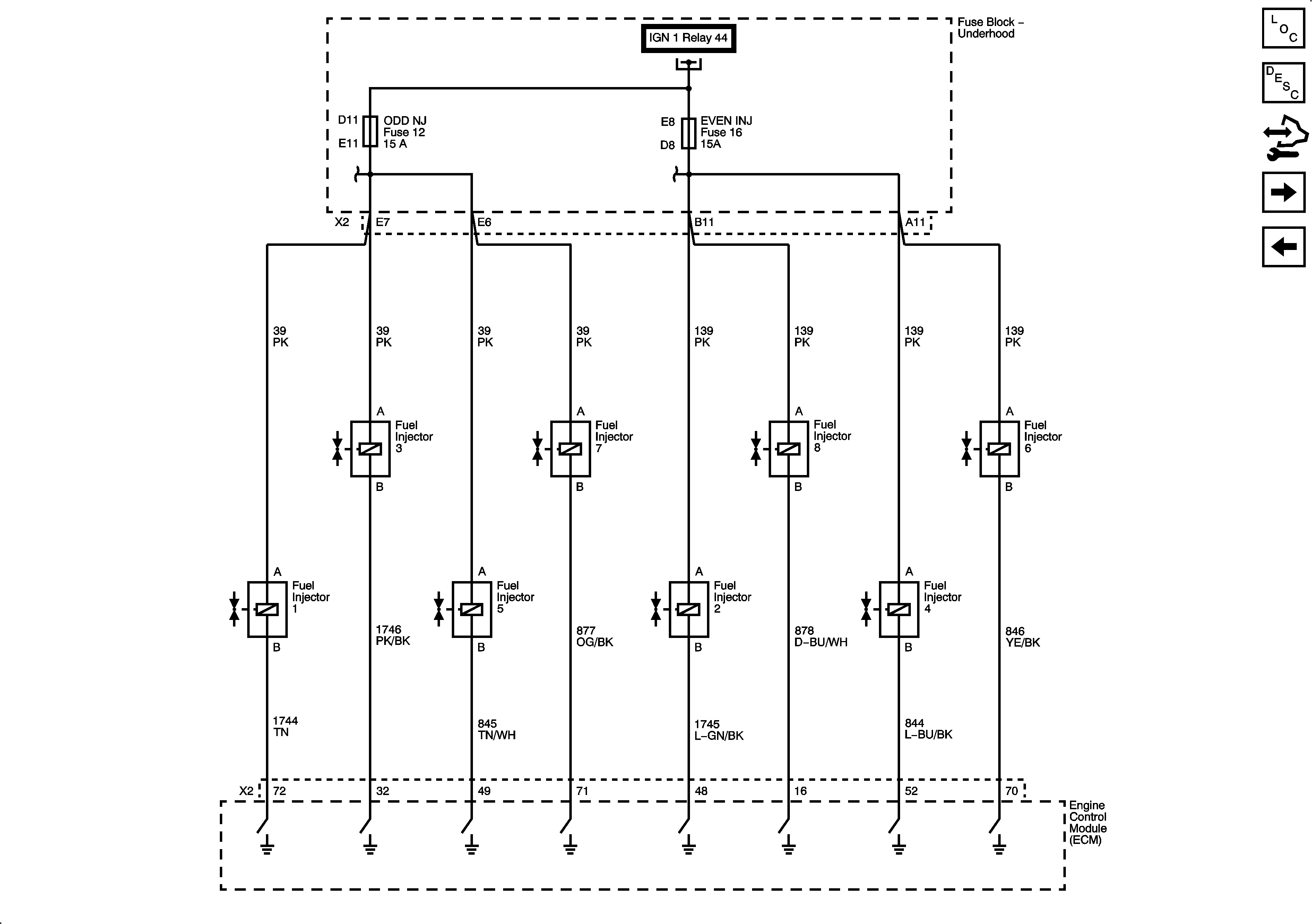
Fuel Injectors

Fuel Injectors


Object Number: 1899433  Size: FS
Master Electrical Component List
Fuel System Description
Control Module References
EVAP Controls and Manifold Tuning
Ignition Controls - Crankshaft/Knock Sensors