GM Service Manual Online
For 1990-2009 cars only
Makes
🢒
Cadillac
🢒
2009
🢒
XLR
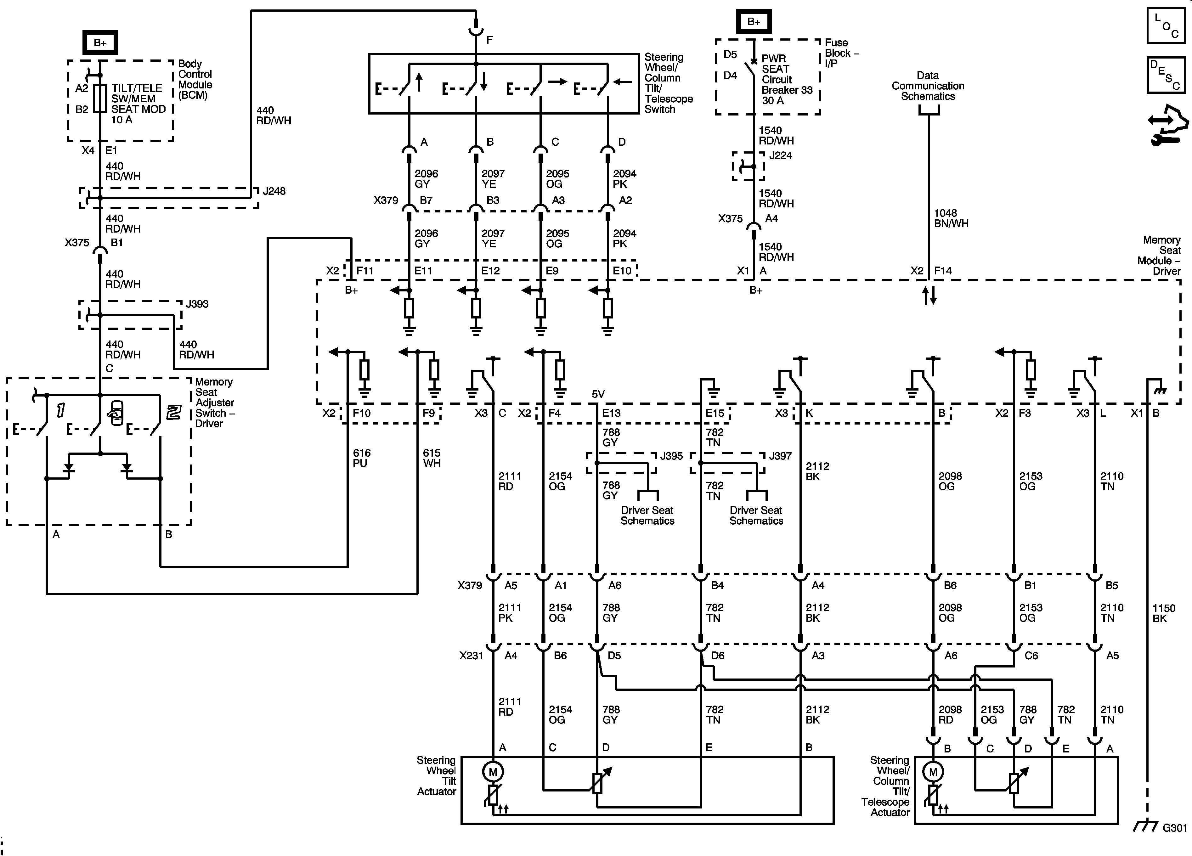
🢒 Tilt/Telescoping Steering Column Schematics
Tilt/Telescoping Steering Column Schematics
Master Electrical Component List
Steering Wheel and Column Description and Operation
Control Module References
BATT5, TILT/TELE SW/MEM SEAT MOD, ACCA/DRIV DR SW, IGN SW/INTR SENSR, ONSTAR, and PRK BRK SOLA Fuses
BATT5, TILT/TELE SW/MEM SEAT MOD, ACCA/DRIV DR SW, IGN SW/INTR SENSR, ONSTAR, and PRK BRK SOLA Fuses
BATT5, TILT/TELE SW/MEM SEAT MOD, ACCA/DRIV DR SW, IGN SW/INTR SENSR, ONSTAR, and PRK BRK SOLA Fuses
BATT1, HTD SEAT LH, HTD SEAT RH, PWR LUMBAR LH/RH Fuses, and DR CNTRLS, PWR SEAT Circuit Breakers
BATT1, HTD SEAT LH, HTD SEAT RH, PWR LUMBAR LH/RH Fuses, and DR CNTRLS, PWR SEAT Circuit Breakers
Power, Ground, and Class 2
Motors
Motors
G301