GM Service Manual Online
For 1990-2009 cars only
Makes
🢒
Chevrolet
🢒
1999
🢒
Alero Export
🢒
Transmission/Transaxle
🢒
Automatic Transaxle - 4T40-E/4T45-E
🢒 Automatic Transmission Controls Schematics
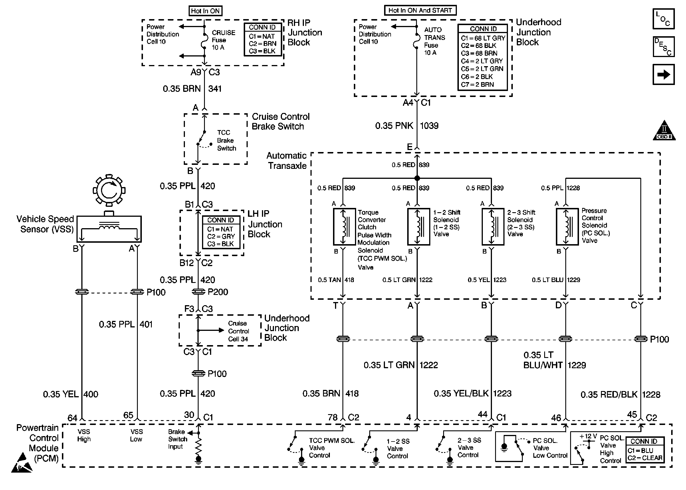
Figure
1:
Brake Switch, Solenoids, and VSS: 4T40-E 2.4L
Automatic Transmission Components VIN T
Electronic Component Description
TFP Valve Position Switch, TFT Sensor, and A/T ISS Sensor: VIN T
OBDII Symbol Description Notice
Handling Electrostatic Discharge Sensitive Parts Notice
Power Distribution Schematics
Power Distribution Schematics
Power and Grounding Connector End Views
Power and Grounding Connector End Views
Power and Grounding Connector End Views
Cruise Control Schematics
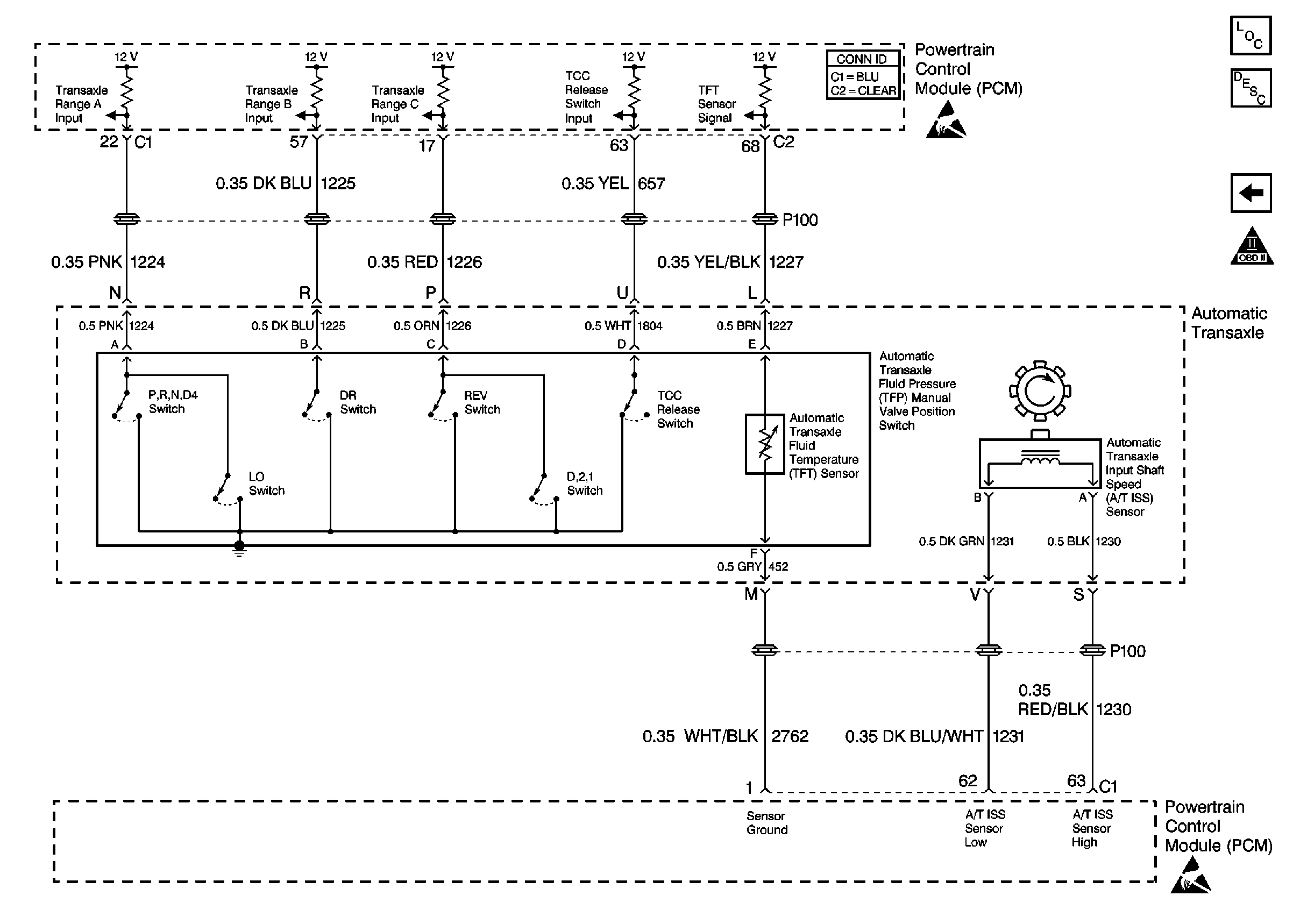
Figure
2:
TFP Valve Position Switch, TFT Sensor, and A/T ISS Sensor: 4T40-E 2.4L
Automatic Transmission Components VIN T
Electronic Component Description
Brake Switch, Solenoids, and VSS: VIN T
OBDII Symbol Description Notice
Handling Electrostatic Discharge Sensitive Parts Notice
Handling Electrostatic Discharge Sensitive Parts Notice
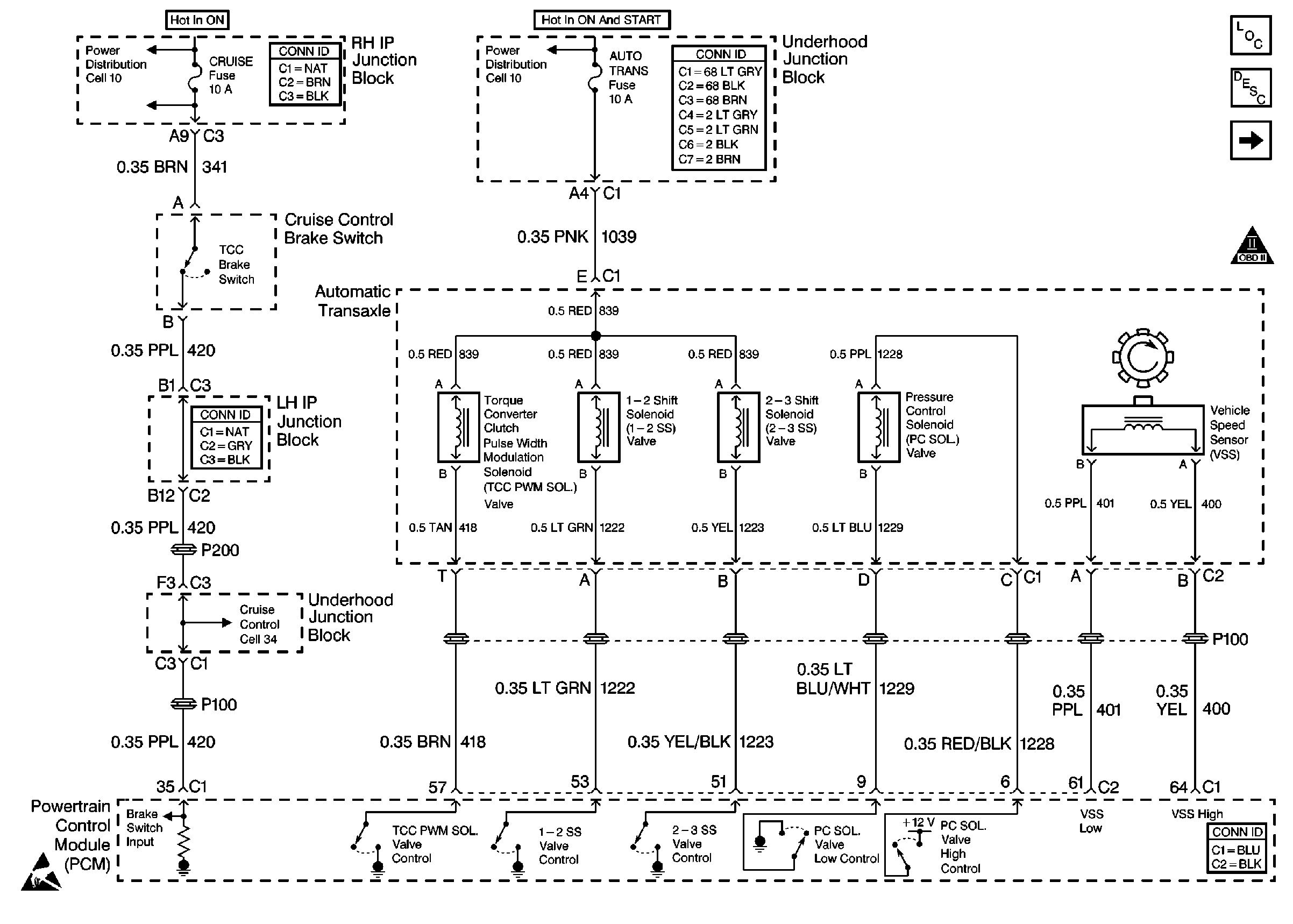
Figure
3:
Brake Switch, Solenoids, and VSS: 4T45-E 3.4L
Automatic Transmission Components VIN T
Electronic Component Description
TFP Valve Position Switch, TFT Sensor, and A/T ISS Sensor: VIN T
OBDII Symbol Description Notice
Handling Electrostatic Discharge Sensitive Parts Notice
Power Distribution Schematics
Power and Grounding Connector End Views
Power Distribution Schematics
Power and Grounding Connector End Views
Power and Grounding Connector End Views
Figure
4:
TFP Valve Position Switch, TFT Sensor, and A/T ISS Sensor: 4T45-E 3.4L
Automatic Transmission Components VIN T
Electronic Component Description
Brake Switch, Solenoids, and VSS: VIN T
OBDII Symbol Description Notice
Handling Electrostatic Discharge Sensitive Parts Notice
Handling Electrostatic Discharge Sensitive Parts Notice