GM Service Manual Online
For 1990-2009 cars only
Makes
🢒
Chevrolet
🢒
1999
🢒
Alero Export
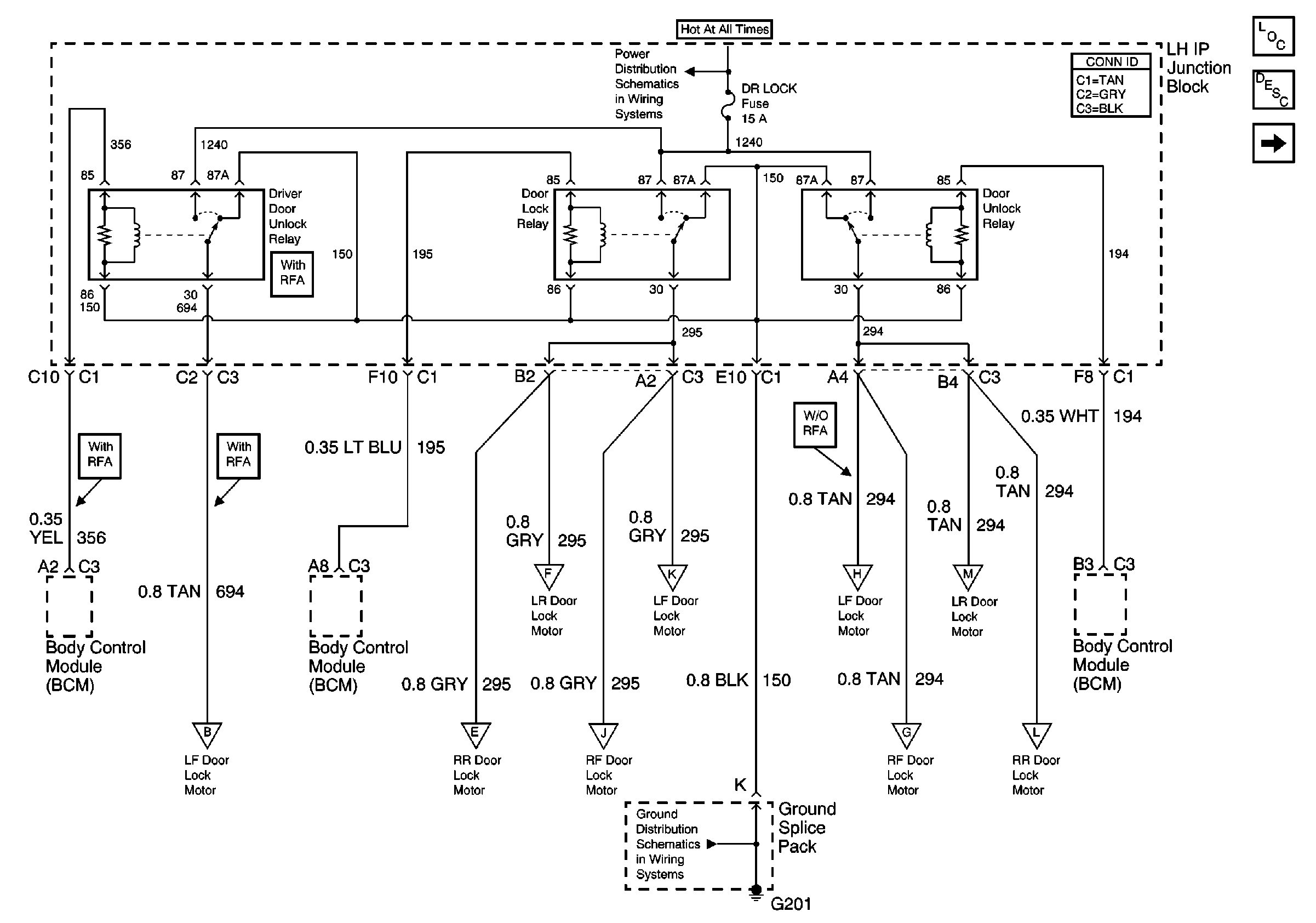
🢒 Cell 120, 131, 147: Door Lock Relay
Cell 120, 131, 147: Door Lock Relay
Cell 120, 131, 147: Door Lock Relay
Power Door Systems Components
Power Door Locks Circuit Description
Cell 120, 131, 147: Door Locks
Cell 120, 131, 147: Door Locks
Cell 120, 131, 147: Door Locks
Cell 120, 131, 147: Door Locks
Cell 120, 131, 147: Door Locks
Cell 120, 131, 147: Door Locks
Ground Distribution Schematics
Power Distribution Schematics
Cell 120, 131, 147: Door Locks
Cell 120, 131, 147: Door Locks
Cell 120, 131, 147: Door Locks
Cell 120, 131, 147: Door Locks