GM Service Manual Online
For 1990-2009 cars only
Makes
🢒
Chevrolet
🢒
1999
🢒
Alero Export
🢒 Left side of IP
Left side of IP
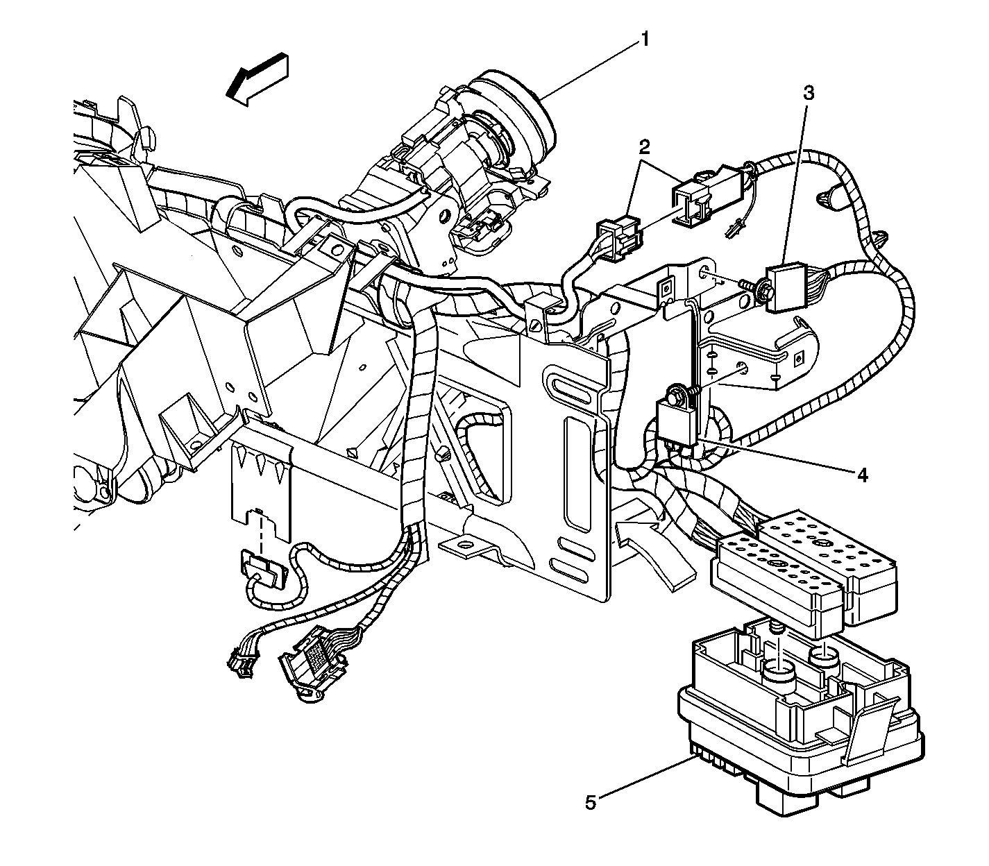
Left Side of Instrument Panel
(1)
Horn Switch
(2)
Driver Safing Connector
(3)
G201
(4)
G202
(5)
Left IP Junction Block