GM Service Manual Online
For 1990-2009 cars only

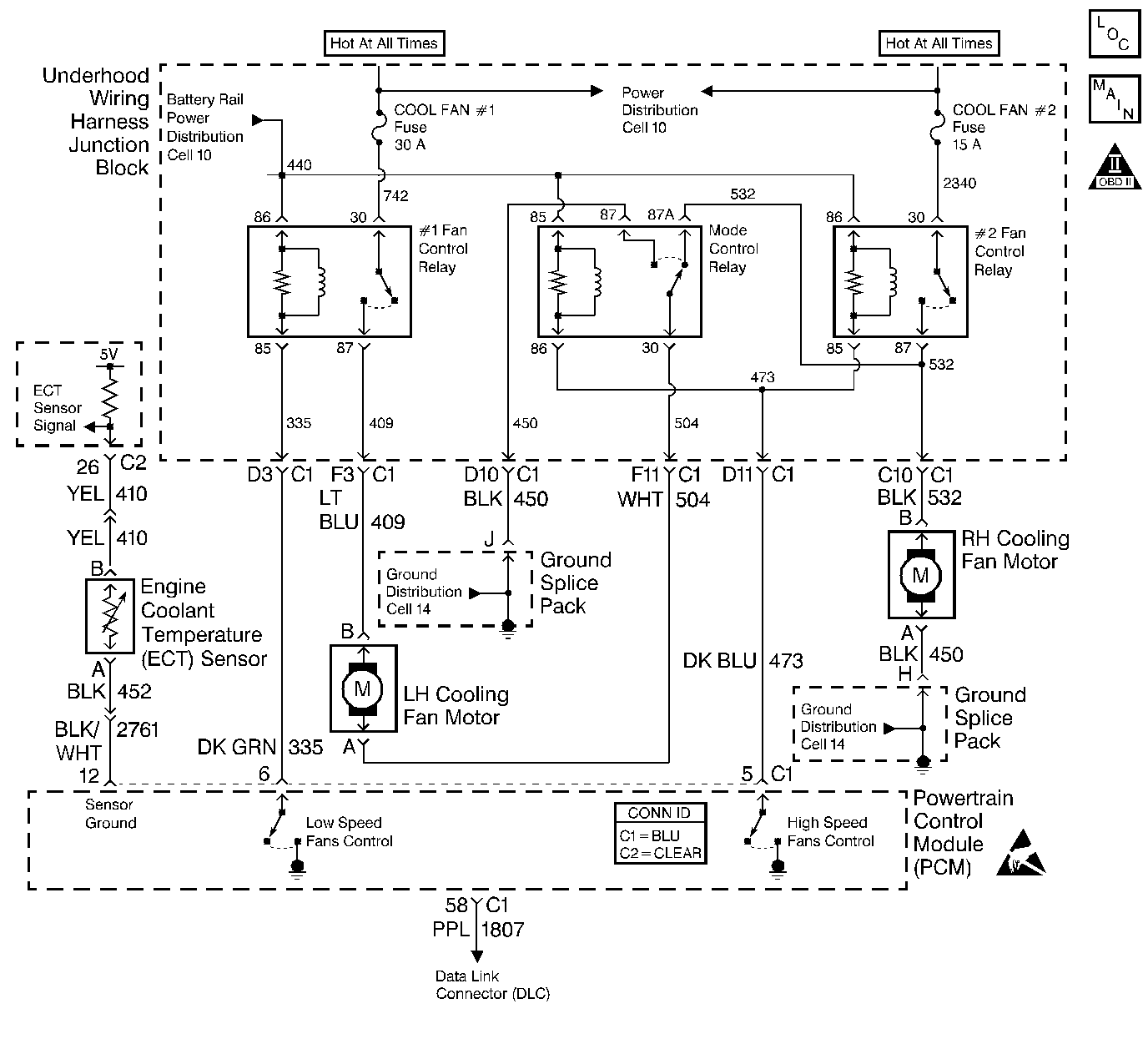
Object Number: 328595  Size: LF
Engine Controls Components
Engine Controls Schematics
OBD II Symbol Description Notice
Handling ESD Sensitive Parts Notice

Circuit Description

Output Driver Modules (ODMs) are used by the PCM to turn on many of the current-driven devices that are needed to control various engine and Transaxle functions. Each ODM is capable of controlling up to 7 separate outputs by applying ground to the device which the PCM is commanding on. DTC P1651 set indicates an improper voltage level has been detected on ODM B output 1, which controls the Cool Fan 1 relay.

Conditions for Setting the DTC

    •  Ignition is on.
    •  An improper voltage level has been detected on the low speed fans relay driver circuit.
    •  Above conditions for at least 30 seconds.

Action Taken When the DTC Sets

    • The PCM will illuminate the malfunction indicator lamp (MIL) during the second consecutive trip in which the diagnostic test has been run and failed.
    • The PCM will store conditions which were present when the DTC set as Freeze Frame/Failure Records data.

Conditions for Clearing the MIL/DTC

    • The PCM will turn OFF the malfunction indicator lamp (MIL) during the third consecutive trip in which the diagnostic has run and passed.
    • The history DTC will clear after 40 consecutive warm-up cycles have occurred without a malfunction.
    • The DTC can be cleared by using a scan tool.

Diagnostic Aids

Check for the following conditions:

    •  Poor connection at PCM. Inspect harness connectors for backed out terminals, improper mating, broken locks, improperly formed or damaged terminals, and poor terminal to wire connection.
    •  Damaged harness. Inspect the wiring harness for damage. If the harness appears to be OK, disconnect the PCM, turn the ignition on and observe a voltmeter connected to the Low Speed fans driver circuit at the PCM harness connector while moving connectors and wiring harnesses related to the Cool Fan 1 relay. A change in voltage will indicate the location of the fault.

Reviewing the Fail Records vehicle mileage since the diagnostic test last failed may help determine how often the condition that caused the DTC to be set occurs. This may assist in diagnosing the condition.

Test Description

The numbers below refer to the step numbers on the Diagnostic Table:

  1. Normally, ignition feed voltage present on the output driver circuit with the PCM disconnected and the ignition turned ON.

  2. Checks for a shorted component or a short to battery positive voltage on the output driver circuit. Either condition would result in a measured current of over 1.5 amps. Also checks for a component that is going open while being operated, resulting in a measured current of 0 amps.

  3. Checks for a faulty Cool Fan 1 relay.

  4. This vehicle is equipped with a PCM which utilizes an Electrically Erasable Programmable Read Only Memory (EEPROM). When the PCM is being replaced, the new PCM must be programmed.

DTC P1651 - Fan 1 Relay Control Circuit

Step

Action

Value(s)

Yes

No

1

Was the Powertrain OBD System Check performed?

--

Go to Step 2

Go to Powertrain On Board Diagnostic (OBD) System Check

2

  1. Turn the ignition ON engine OFF, capture scan tool Fail Records data using the Capture Info feature.
  2. Turn the ignition OFF and disconnect the PCM.
  3. Turn the ignition ON.
  4. Using J 39200 Digital multimeter (DMM), measure voltage between the Low speed fans relay driver circuit at the PCM harness connector and ground.

Is voltage near the specified value?

B+

Go to Step 3

Go to Step 6

3

  1. Set up J 39200 Digital multimeter (DMM) to measure 10 amp range.
  2. Measure current between the Low Speed fans relay driver circuit and ground.
  3. Monitor the current reading on the DMM for at least 2 minutes.

Does the current reading remain between the specified values?

0.1-1.5 amps

Go to Step 11

Go to Step 4

4

  1. Disconnect the Cool Fan 1 relay (leave the PCM disconnected).
  2. Using J 39200 Digital multimeter (DMM), measure voltage between the Low Speed fans relay driver circuit and ground.

Is voltage at the specified value?

0.0 V

Go to Step 14

Go to Step 5

5

Locate and repair short to voltage in Low Speed fans relay driver circuit. Refer to Wiring Repairs .

Is the action complete?

--

Go to Step 16

--

6

Check the Maxifuse® for the Cool Fan 1 Relay.

Is the fuse blown?

--

Go to Step 7

Go to Step 8

7

  1. Locate and repair short to ground in battery feed circuit for the Cool Fan 1 Relay. Refer to Fuse Block Details in Electrical Diagnosis.
  2. Replace the fuse.

Is the action complete?

--

Go to Step 16

--

8

  1. Disconnect the Cool Fan 1 Relay.
  2. Turn the ignition ON, measure voltage between the ignition feed circuit for the fan 1 relay and ground.

Is the voltage near the specified value?

B+

Go to Step 9

Go to Step 13

9

  1. Check the Low Speed Fans relay driver circuit for an open or a short to ground.
  2. If a problem is found, repair the low speed fans control circuit. Refer to Wiring Repairs .

Was a problem found?

--

Go to Step 16

Go to Step 10

10

  1. Check the low speed fans control circuit. and the ignition feed circuit for a poor connection at the Cool Fan 1 Relay and at the PCM.
  2. If a problem is found, replace faulty terminal(s). Refer to Wiring Repairs .

Was a problem found?

--

Go to Step 16

Go to Step 14

11

  1. Turn the ignition OFF, reconnect the PCM and disconnect the Cool Fan 1 Relay.
  2. Turn the ignition ON, connect J 35616-200 test lamp between the low speed fans control circuit and the ignition feed circuit at the Cool Fan 1 Relay harness connector.
  3. Using the scan tool outputs test function, cycle the Cool Fan 1 Relay ON and OFF.

Does the test lamp flash ON and OFF?

--

Go to Diagnostic Aids

Go to Step 12

12

  1. Check the low speed fans control circuit for a poor connection at the PCM.
  2. If a problem is found, replace faulty terminal. Refer to Wiring Repairs .

Was a problem found?

--

Go to Step 16

Go to Step 15

13

Locate and repair open in battery feed circuit to the Cool Fan 1 Relay. Refer to Wiring Repairs .

Is the action complete?

--

Go to Step 16

--

14

Replace the Cool Fan 1 Relay.

Is the action complete?

--

Go to Step 16

--

15

Important: The replacement PCM must be programmed Refer to Powertrain Control Module Replacement/Programming .

Replace the PCM.

Is the action complete?

--

Go to Step 16

--

16

  1. Review and record scan tool Fail Records data.
  2. Clear the DTCs.
  3. Operate vehicle within Fail Records conditions as noted.
  4. Using a scan tool, monitor Specific DTC info for DTC P1651 until the DTC P1651 test runs.

Does scan tool indicate DTC P1651 failed this ignition?

--

Go to Step 2

System OK