GM Service Manual Online
For 1990-2009 cars only
Makes
🢒
Chevrolet
🢒
2000
🢒
Alero Export
🢒
Transmission/Transaxle
🢒
Automatic Transaxle - 4T40-E/4T45-E
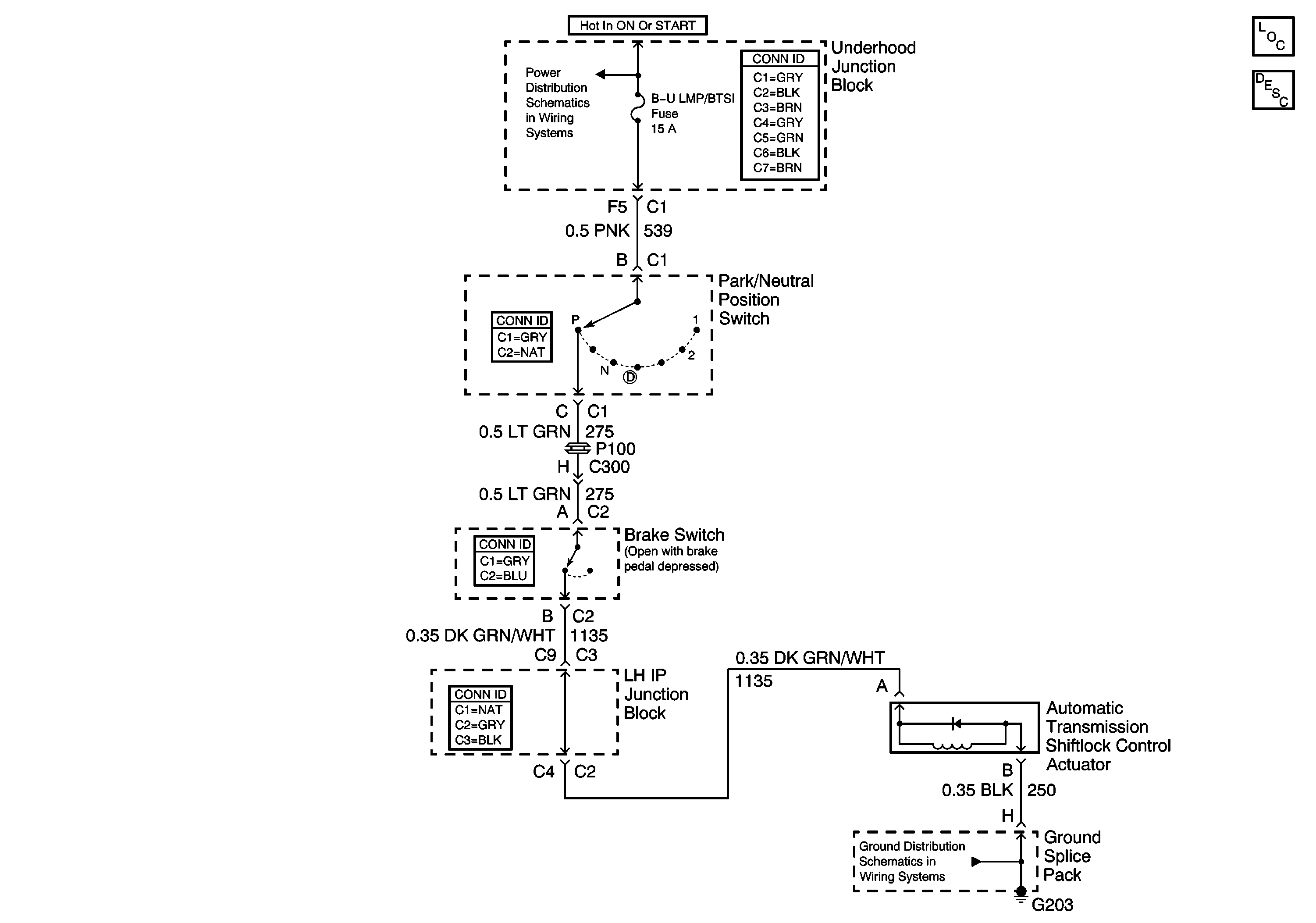
🢒 Shift Lock Control Schematics
Automatic Transmission Components
Automatic Transmission Shift Lock Control Circuit Description
Power Distribution Schematics
G203