GM Service Manual Online
For 1990-2009 cars only
Makes
🢒
Chevrolet
🢒
2000
🢒
Alero Export
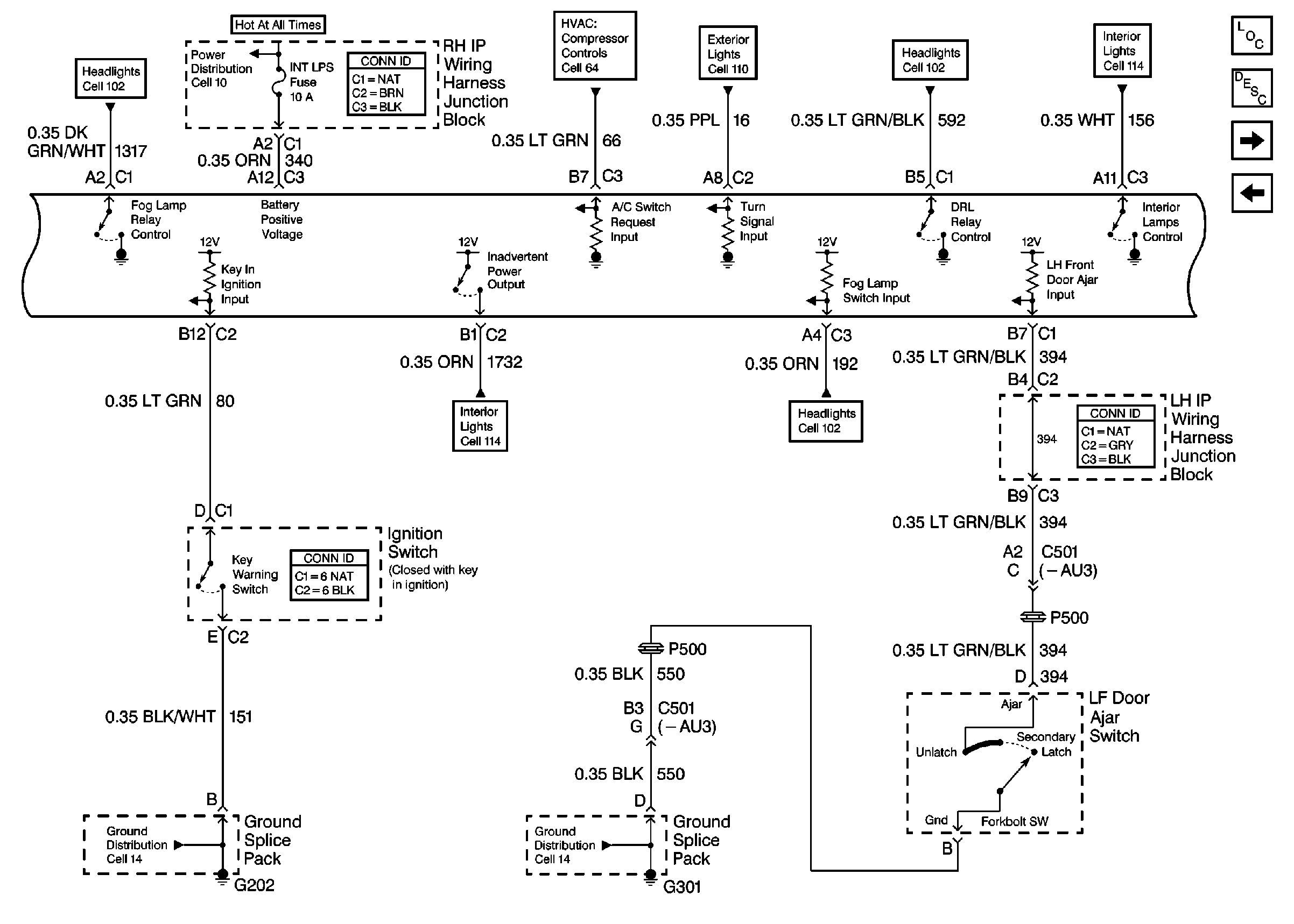
🢒 Cell 76: Ignition Switch and Left Front Door Ajar Switch
Cell 76: Ignition Switch and Left Front Door Ajar Switch
Cell 76: Ignition Switch and Left Front Door Ajar Switch
Audible Warnings Circuit Description
Cell 76: Remote Control Door Lock Receiver and Right Rear, Left Rear, RiGht Front Door Ajar Switches
Cell 76: SDM, Washer Solvent Lever Sensor, Seat Belt Switch and Park BraKe Switch
Power Distribution Schematics
Ground Distribution Schematics
Ground Distribution Schematics
HVAC Compressor Control Schematics
Exterior Lights Schematics
Headlights/Daytime Running Lights (DRL) Schematics
Headlights/Daytime Running Lights (DRL) Schematics
Interior Lights Schematics
Interior Lights Schematics