GM Service Manual Online
For 1990-2009 cars only
Makes
🢒
Chevrolet
🢒
2000
🢒
Alero Export
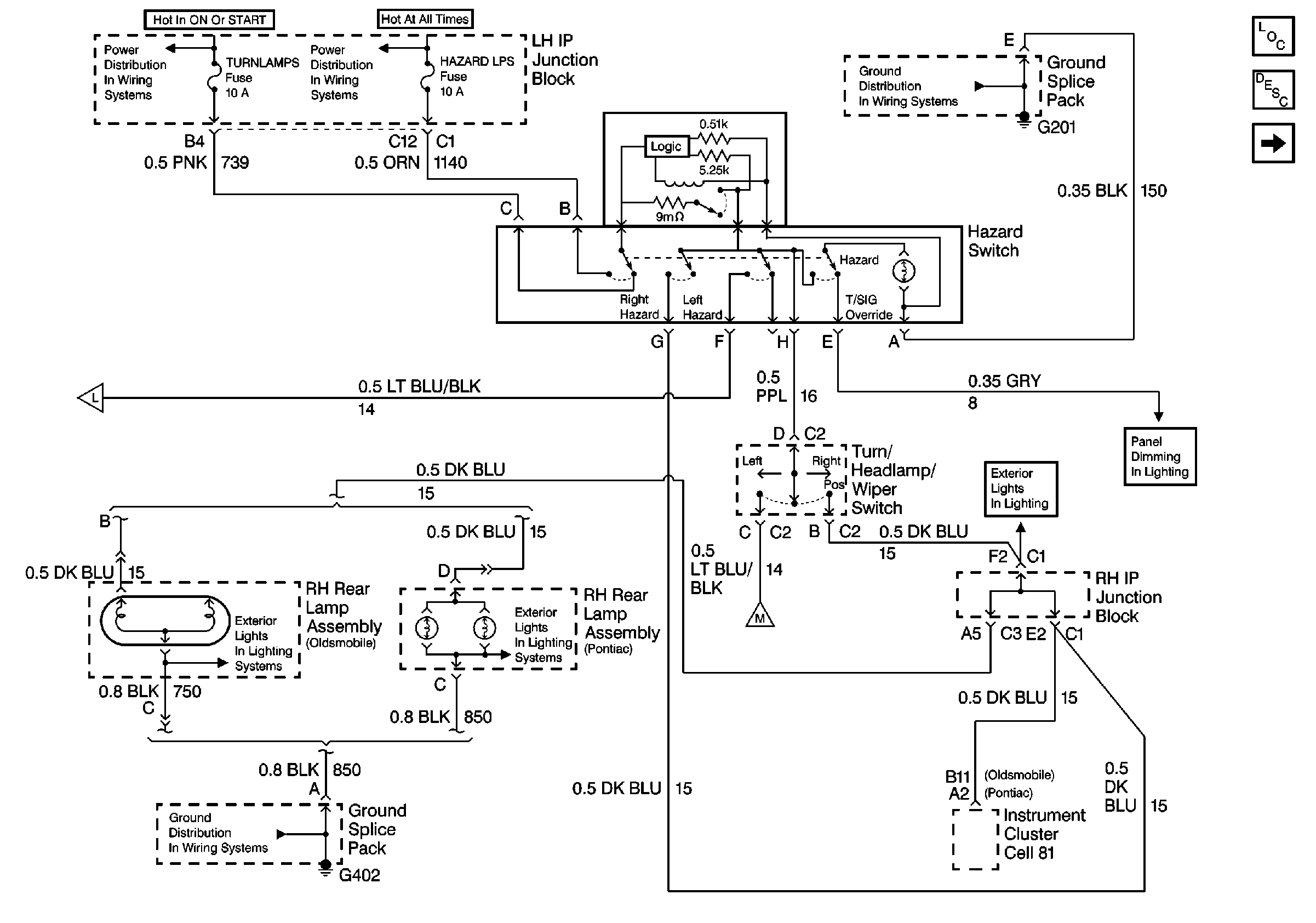
🢒 Right Rear Lamp Assembly and Hazard Switch
Right Rear Lamp Assembly and Hazard Switch
Right Rear Lamp Assembly and Hazard Switch
Lighting Systems Components
Exterior Lights Circuit Description
Left Rear Lamp Assembly
Instrument Panel Dimmer Switch and Lamp Dimmer Module
Left Rear Lamp Assembly
Ground Distribution Schematics