GM Service Manual Online
For 1990-2009 cars only
Makes
🢒
Chevrolet
🢒
2001
🢒
Alero Export
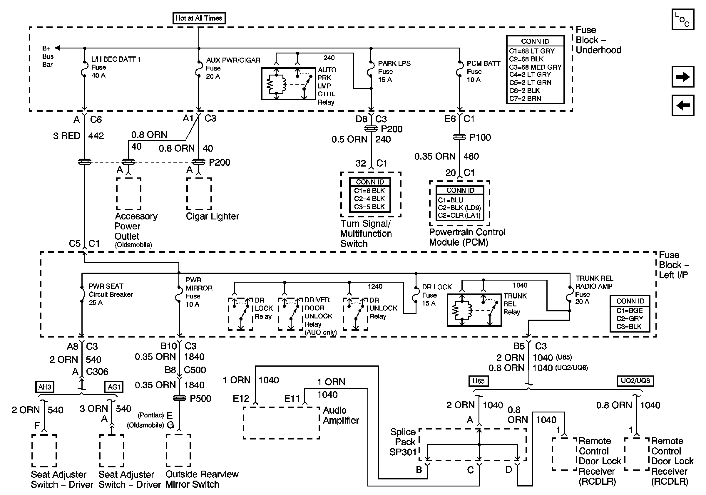
🢒 LH BEC BATT1, AUX PWR/CIGAR, PARK LPS, PCM BATT, PWR MIRROR, DR LOCK, TRUNK REL/RFA/Radio Amp Fuses, and RWR SEAT Circuit Breaker
LH BEC BATT1, AUX PWR/CIGAR, PARK LPS, PCM BATT, PWR MIRROR, DR LOCK, TRUNK REL/RFA/Radio Amp Fuses, and RWR SEAT Circuit Breaker
LH BEC BATT1, AUX PWR/CIGAR, PARK LPS, PCM BATT, PWR MIRROR, DR LOCK, TRUNK REL/RFA/Radio Amp Fuses, and RWR SEAT Circuit Breaker
Master Electrical Component List
RH HDLP, LH HDLP, GEN BATT, LH BEC BATT 2, STOP LPS, HAZARD LPS, IPC/HVACBATT, BFC BATT Fuses
PWR WNDWS Circuit Breaker, CRUISE SW, Cruise, SUNROOF, HVAC BLOWERFuses