GM Service Manual Online
For 1990-2009 cars only
Makes
🢒
Chevrolet
🢒
2001
🢒
Alero Export
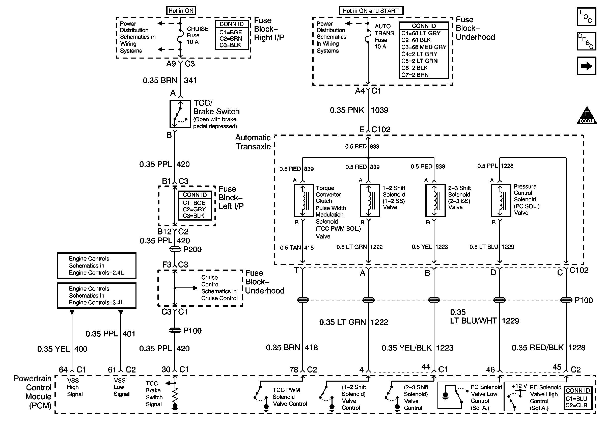
🢒 Brake Switch, Solenoids and VSS: 4T45-E 3.4L(LA1)
Brake Switch, Solenoids and VSS: 4T45-E 3.4L(LA1)
Brake Switch, Solenoids and VSS: 4T45-E 3.4L(LA1)
Master Electrical Component List
Electronic Component Description
TFP Valve Position Switch, TFT Sensor and A/T ISS Sensor: 4T45-E 3.4L(LA1)
OBD II Symbol Description Notice
Cruise Control Module
PWR WNDWS Circuit Breaker, CRUISE SW, Cruise, SUNROOF, HVAC BLOWERFuses
IGN SW-BATT2, WIPER, AIR BAG, TURN LPS, IGN MOD, BU LMP, PCM IGN, F/PINJR, A/C BFC, AUTO TRANS, ABS, IGN Fuses